LEMON Manuals: Even more car manuals for everyone
Home >> Lexus >> 2014 >> IS F >> Repair and Diagnosis (Single Page) >> Engine Performance >> System >> Engine Control System (Diagnostics - Introduction) >> SFI System >> System Diagram [09/2013 - ] >> System Diagram [09/2013 - ]

System Diagram [09/2013 - ]

Fig 1: SFI Wiring Diagram (1 Of 7)
GTY255279Courtesy of © TOYOTA, LICENSE AGREEMENT TMS1002
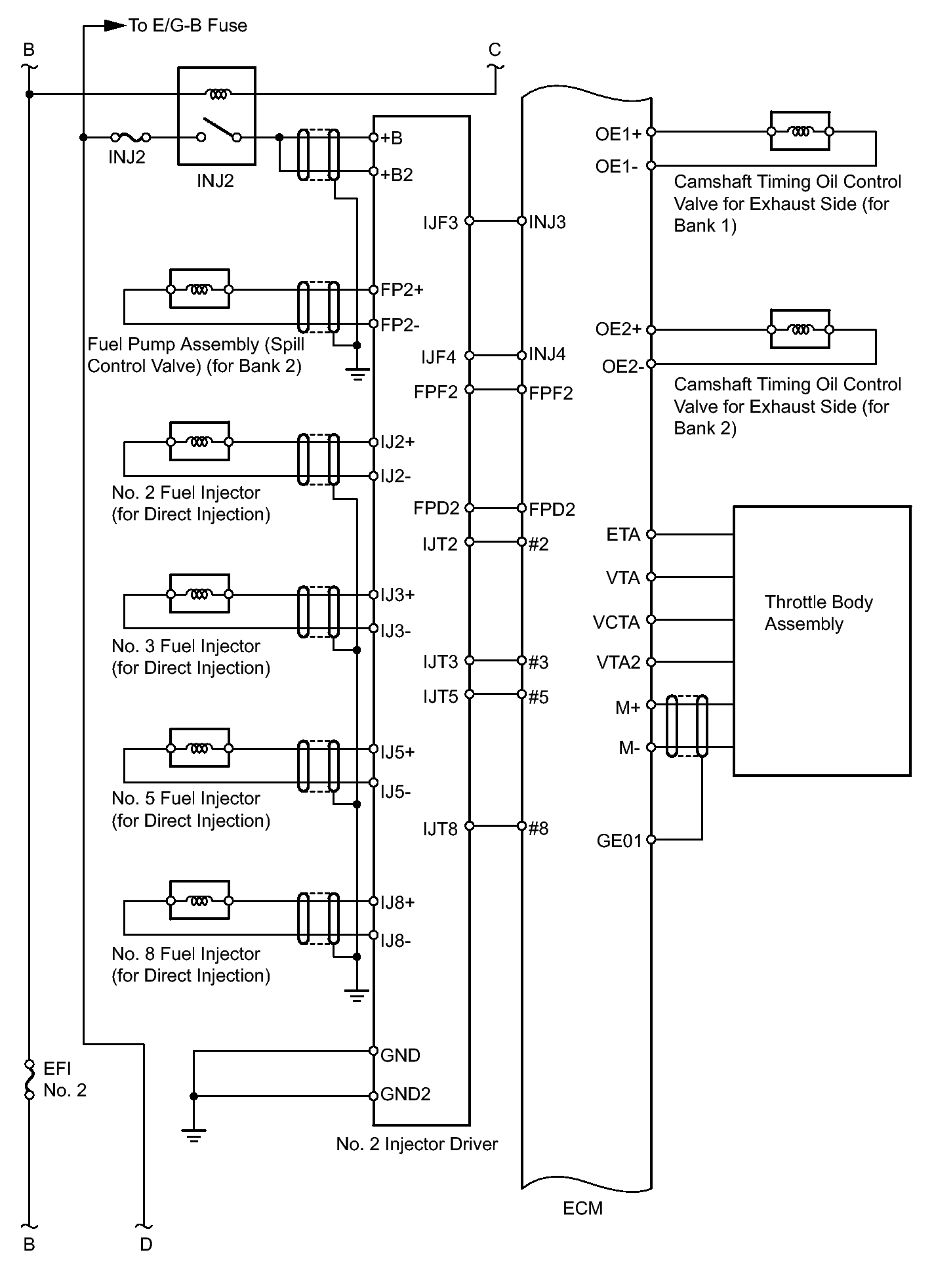
Fig 2: SFI Wiring Diagram (2 Of 7)
GTY415441Courtesy of © TOYOTA, LICENSE AGREEMENT TMS1002
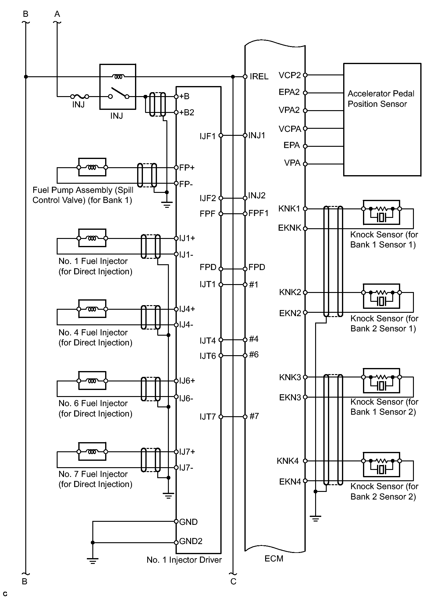
Fig 3: SFI Wiring Diagram (3 Of 7)
GTY401415Courtesy of © TOYOTA, LICENSE AGREEMENT TMS1002
Fig 4: SFI Wiring Diagram (4 Of 7)
GTY257523Courtesy of © TOYOTA, LICENSE AGREEMENT TMS1002
Fig 5: SFI Wiring Diagram (5 Of 7)
GTY350835Courtesy of © TOYOTA, LICENSE AGREEMENT TMS1002
Fig 6: SFI Wiring Diagram (6 Of 7)
GTY416297Courtesy of © TOYOTA, LICENSE AGREEMENT TMS1002
Fig 7: SFI Wiring Diagram (7 Of 7)
GTY353024Courtesy of © TOYOTA, LICENSE AGREEMENT TMS1002