LEMON Manuals: Even more car manuals for everyone
Home >> Lexus >> 2014 >> IS F >> Repair and Diagnosis (Single Page) >> Electrical >> Fuses & Circuit Breakers >> OEM Junction Block, Ecu & Fuse/Relay Locations >> Relay Block Identification >> Engine Room Relay Block Assembly No. 2 And Engine Room Junction Block No. 2 - Left Engine Compartment >> Engine Room Relay Block Assembly and Engine Room Junction Block Assembly No. 2 Inner Circuit

Engine Room Relay Block Assembly and Engine Room Junction Block Assembly No. 2 Inner Circuit

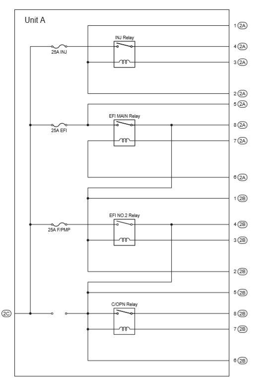
Fig 1: Engine Room R/B And J/B Assembly No. 2 Inner Circuit Diagram (1 Of 3)
G00586137Courtesy of © TOYOTA, LICENSE AGREEMENT TMS1002
ENGINE ROOM R/B AND J/B NO. 2 INNER CIRCUIT RELAY IDENTIFICATION

RELAY DESCRIPTION
INJ Relay
EFI MAIN Relay
EFI NO. 2 Relay
C/OPN Relay
Fig 2: Engine Room R/B And J/B Assembly No. 2 Inner Circuit Diagram (2 Of 3)
G00586138Courtesy of © TOYOTA, LICENSE AGREEMENT TMS1002
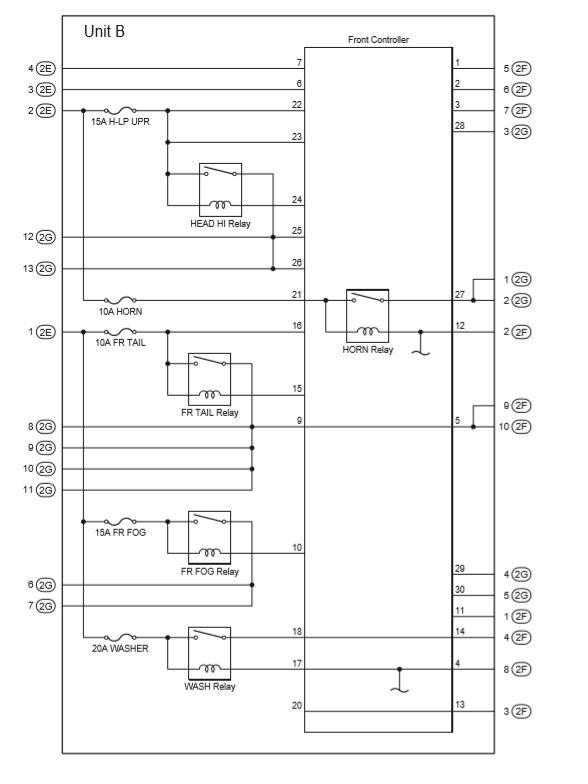
ENGINE ROOM R/B AND J/B NO. 2 INNER CIRCUIT RELAY IDENTIFICATION

RELAY DESCRIPTION
HEAD HI Relay
FR TRAIL Relay
FR FOG Relay
WASH Relay
HORN Relay
Fig 3: Engine Room R/B And J/B Assembly No. 2 Inner Circuit Diagram (3 Of 3)
G00586139Courtesy of © TOYOTA, LICENSE AGREEMENT TMS1002