LEMON Manuals: Even more car manuals for everyone
Home >> Lexus >> 2014 >> IS 350C Base >> Repair and Diagnosis (Single Page) >> Steering >> Steering Column >> Steering Lock System (Diagnostic Codes & Circuit Tests) >> Steering Lock System >> Circuit Tests >> Power Source Circuit [08/2013 - ] >> Wiring Diagram

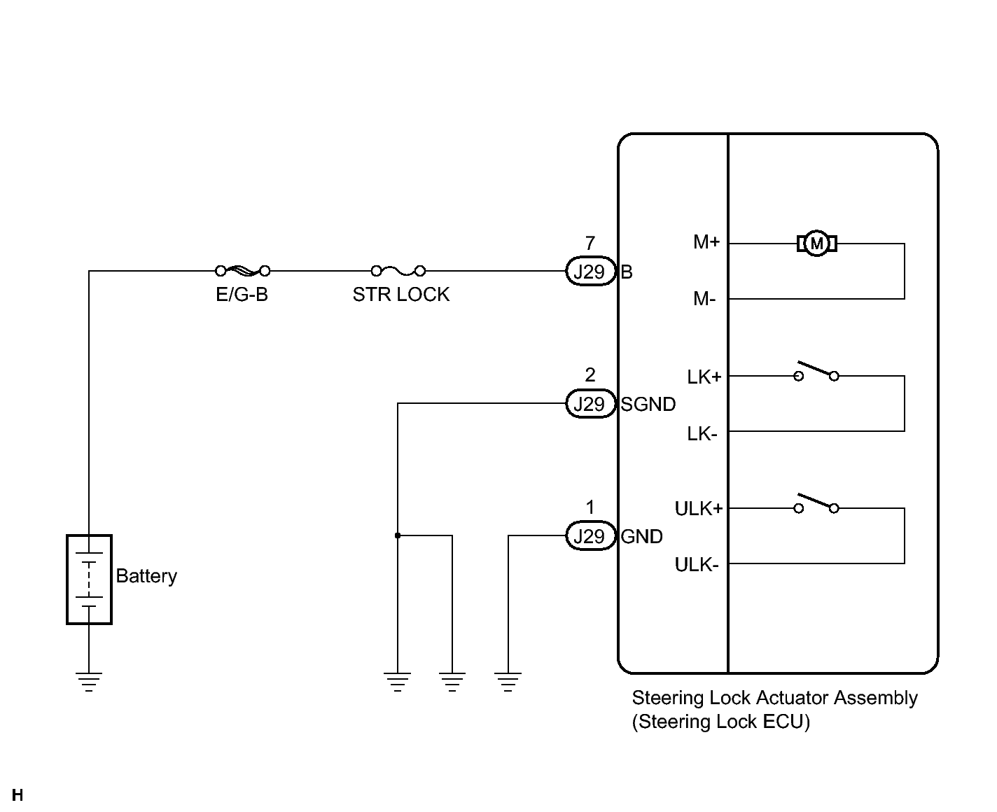
Power Source Circuit [08/2013 - ]: Wiring Diagram

Fig 1: Steering Lock ECU Wiring Diagram
GTY267056Courtesy of © TOYOTA, LICENSE AGREEMENT TMS1002