LEMON Manuals: Even more car manuals for everyone
Home >> Lexus >> 2014 >> IS 350C Base >> Repair and Diagnosis (Single Page) >> Engine Performance >> Testing & Diagnosis >> Engine Control System (Diagnostics - Introduction) >> SFI System >> System Diagram [08/2013 - ] >> System Diagram [08/2013 - ]

System Diagram [08/2013 - ]

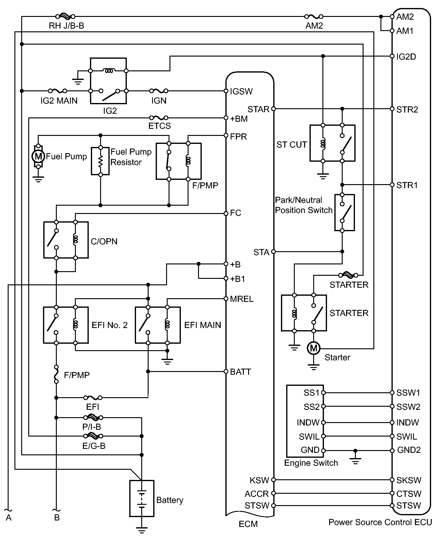
Fig 1: SFI System Diagram (1 Of 6)
GTY276422Courtesy of © TOYOTA, LICENSE AGREEMENT TMS1002
Fig 2: SFI System Diagram (2 Of 6)
GTY457742Courtesy of © TOYOTA, LICENSE AGREEMENT TMS1002
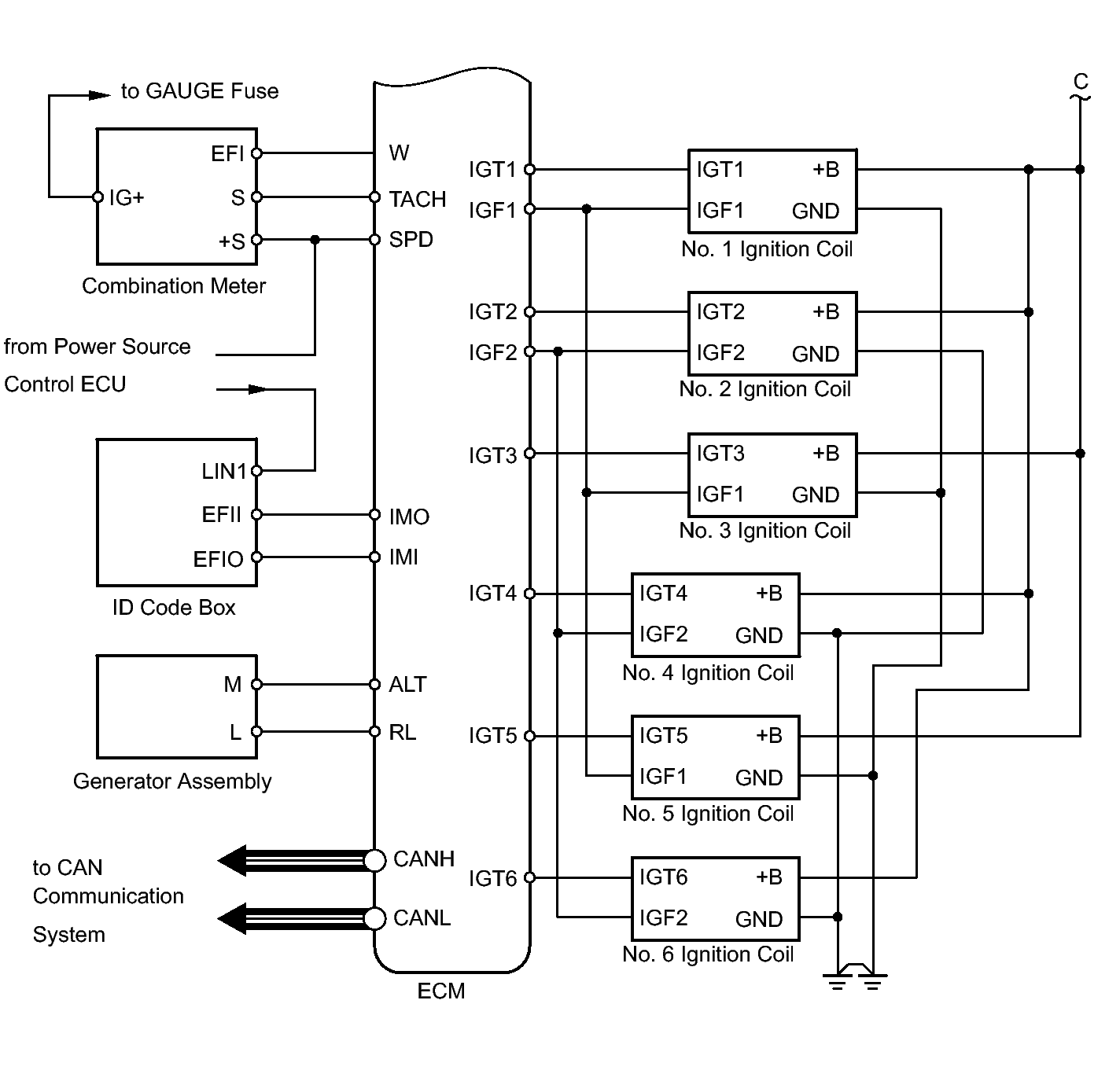
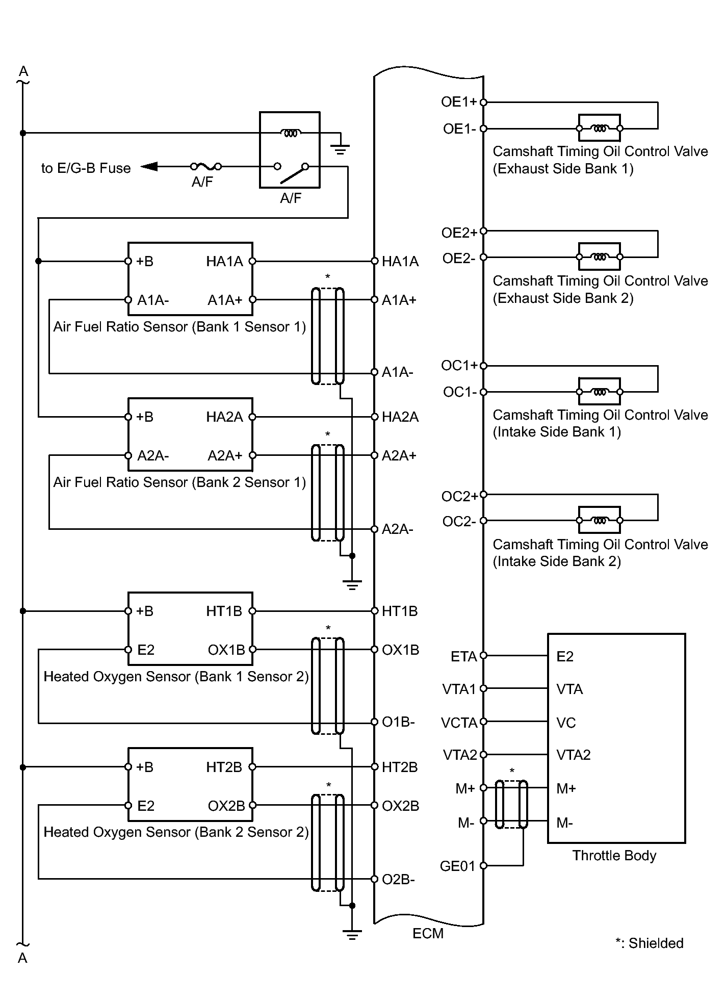
Fig 3: SFI System Diagram (3 Of 6)
GTY394022Courtesy of © TOYOTA, LICENSE AGREEMENT TMS1002
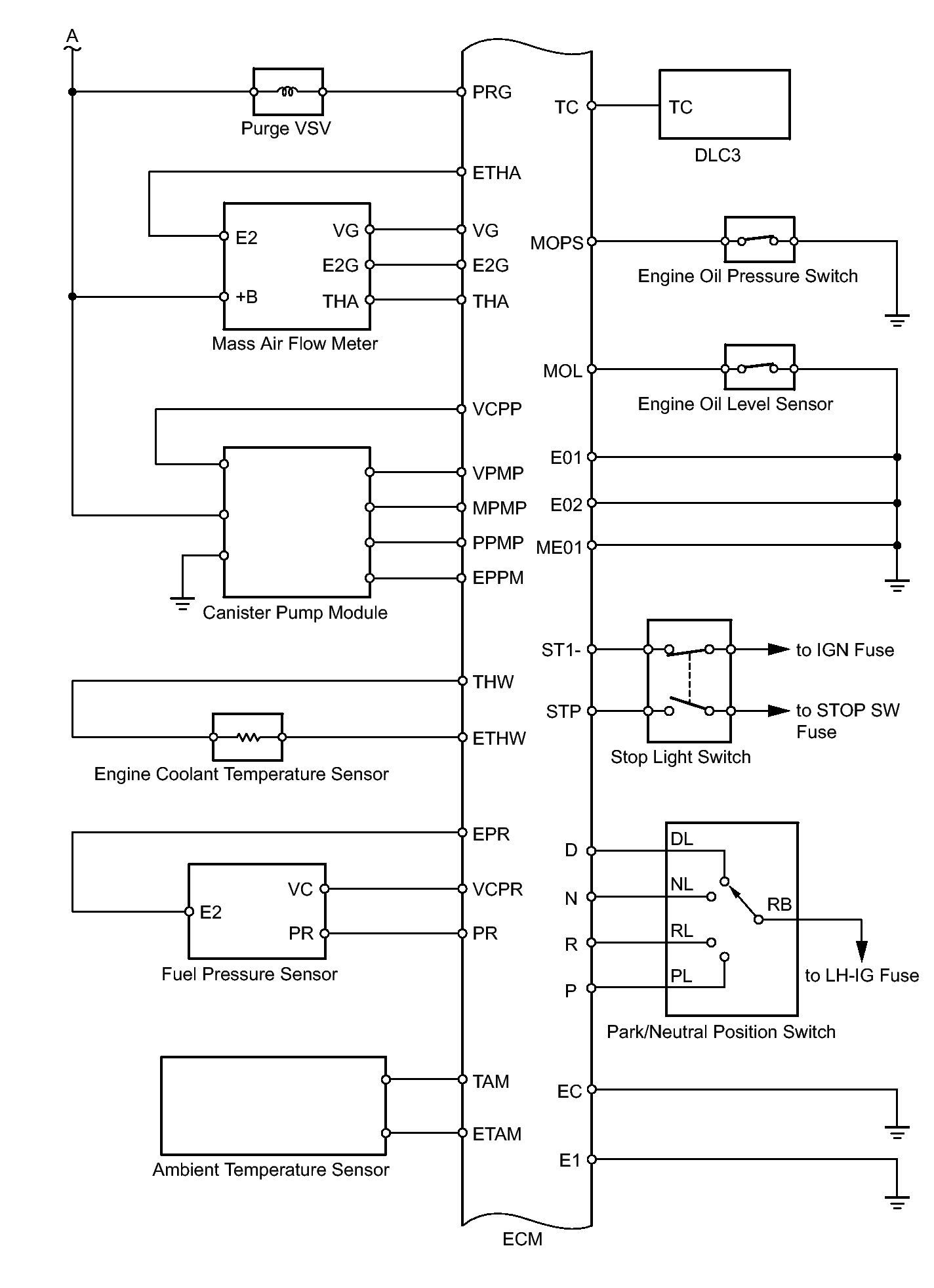
Fig 4: SFI System Diagram (4 Of 6)
GTY274177Courtesy of © TOYOTA, LICENSE AGREEMENT TMS1002
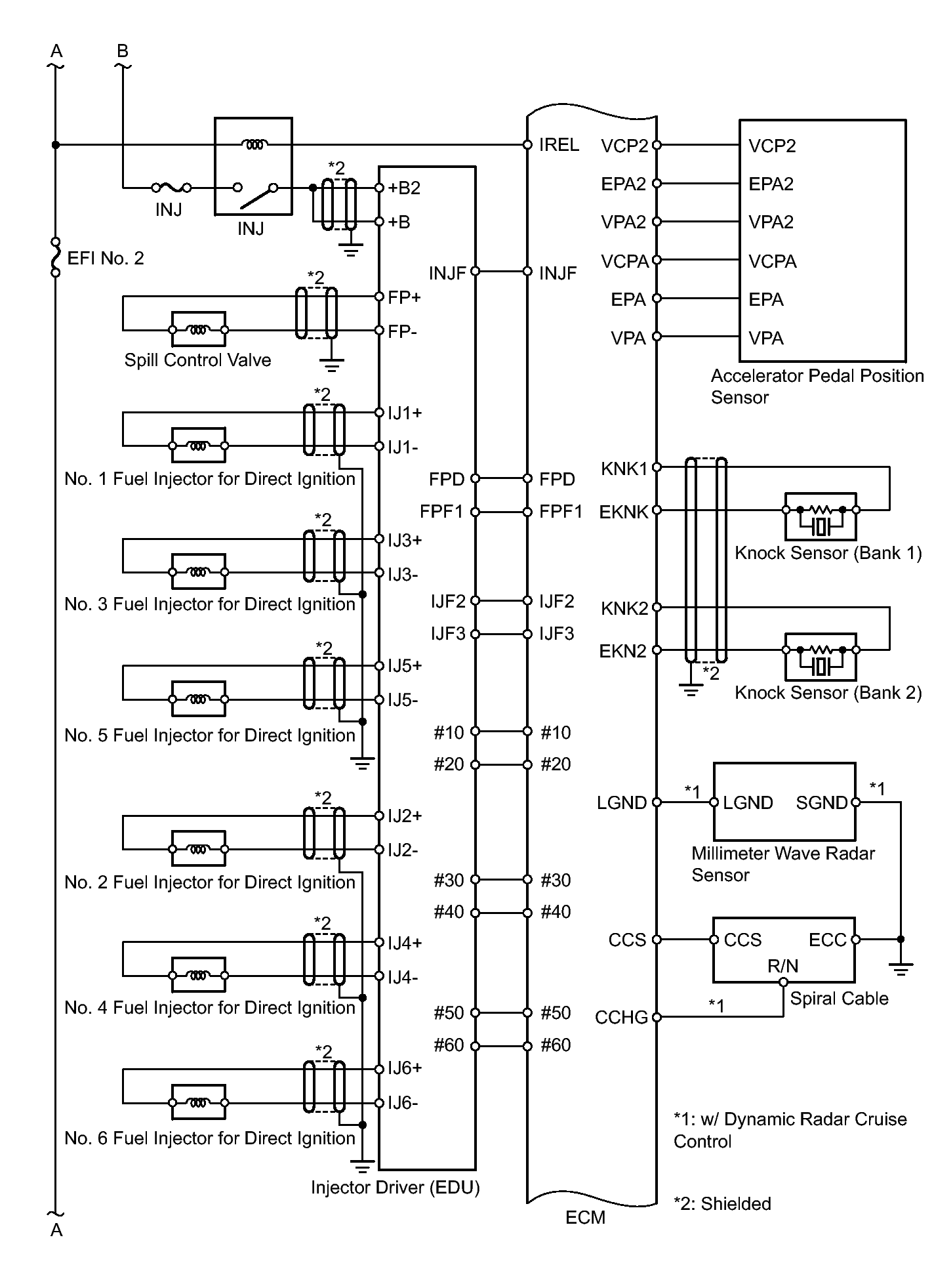
Fig 5: SFI System Diagram (5 Of 6)
GTY395056Courtesy of © TOYOTA, LICENSE AGREEMENT TMS1002
Fig 6: SFI System Diagram (6 Of 6)
GTY352901Courtesy of © TOYOTA, LICENSE AGREEMENT TMS1002