LEMON Manuals: Even more car manuals for everyone
Home >> Lexus >> 2014 >> IS 350C Base >> Repair and Diagnosis (Single Page) >> Brakes >> Traction Control >> Vehicle Stability Control System (Diagnostic Codes & Symptom Tests) >> Vehicle Stability Control System >> DTC U0073: Control Module Communication Bus OFF; DTC U0100: Lost Communication with ECM / PCM; DTC U0123: Lost Communication with Yaw Rate Sensor Module; DTC U0124: Lost Communication with Lateral Acceleration Sensor Module; DTC U0126: Lost Communication with Steering Angle Sensor Module [08/2013 - ] >> Wiring Diagram

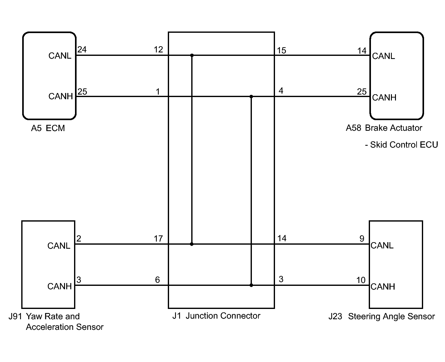
DTC U0073: Control Module Communication Bus OFF; DTC U0100: Lost Communication with ECM / PCM; DTC U0123: Lost Communication with Yaw Rate Sensor Module; DTC U0124: Lost Communication with Lateral Acceleration Sensor Module; DTC U0126: Lost Communication with Steering Angle Sensor Module [08/2013 - ]: Wiring Diagram

Fig 1: Skid Control ECU Wiring Diagram
GTY273128Courtesy of © TOYOTA, LICENSE AGREEMENT TMS1002