LEMON Manuals: Even more car manuals for everyone
Home >> Lexus >> 2014 >> IS 350 Base, AWD >> Repair and Diagnosis (Single Page) >> Accessories & Equipment >> Headlights >> Lighting System (Ext) - Diagnostics - Introduction (1 Of 2) >> Lighting System >> System Diagram [04/2013 - 10/2016] >> System Diagram [04/2013 - 10/2016]

System Diagram [04/2013 - 10/2016]

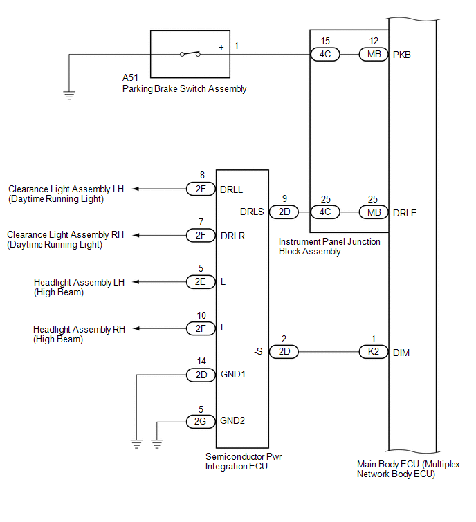
Fig 1: Lighting System Diagram (1 Of 6)
GTY458128Courtesy of © TOYOTA, LICENSE AGREEMENT TMS1002
Fig 2: Lighting System Diagram (2 Of 6)
GTY458568Courtesy of © TOYOTA, LICENSE AGREEMENT TMS1002
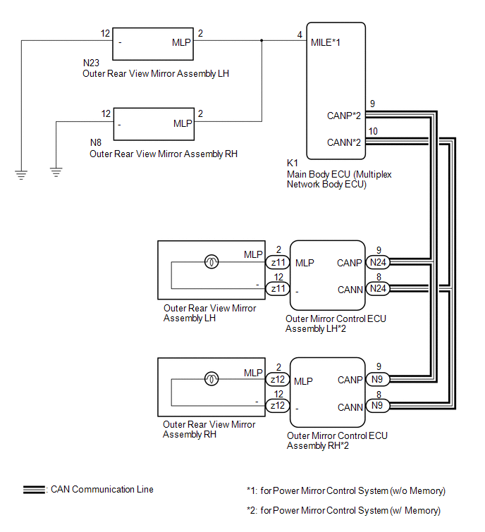
Fig 3: Lighting System Diagram (3 Of 6)
GTY468914Courtesy of © TOYOTA, LICENSE AGREEMENT TMS1002
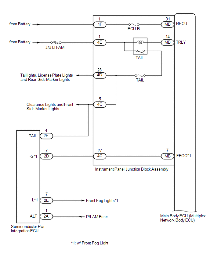
Fig 4: Lighting System Diagram (4 Of 6)
GTY462952Courtesy of © TOYOTA, LICENSE AGREEMENT TMS1002
Fig 5: Lighting System Diagram (5 Of 6)
GTY469764Courtesy of © TOYOTA, LICENSE AGREEMENT TMS1002
Fig 6: Lighting System Diagram (6 Of 6)
GTY469237Courtesy of © TOYOTA, LICENSE AGREEMENT TMS1002