LEMON Manuals: Even more car manuals for everyone
Home >> Lexus >> 2014 >> IS 250 Base, AWD >> Repair and Diagnosis (Single Page) >> Body & Frame >> Mirrors >> Power Mirror Control System (W/ Memory) - Diagnostics & Symptom Tests >> POWER MIRROR CONTROL SYSTEM (w/ Memory) >> System Diagram [04/2013 - 09/2020] >> System Diagram [04/2013 - 09/2020]

System Diagram [04/2013 - 09/2020]

Fig 1: Power Mirror Control System (W/ Memory) Diagram (1 Of 3)
GTY464334Courtesy of © TOYOTA, LICENSE AGREEMENT TMS1002
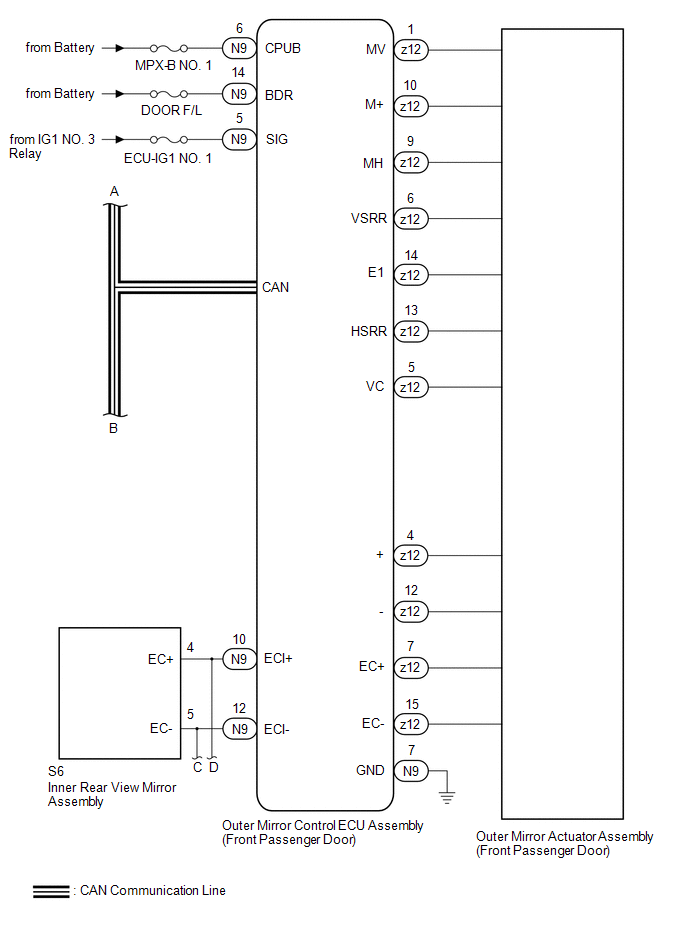
Fig 2: Power Mirror Control System (W/ Memory) Diagram (2 Of 3)
GTY515925Courtesy of © TOYOTA, LICENSE AGREEMENT TMS1002
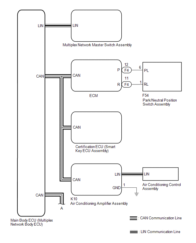
Fig 3: Power Mirror Control System (W/ Memory) Diagram (3 Of 3)
GTY498421Courtesy of © TOYOTA, LICENSE AGREEMENT TMS1002
COMMUNICATION TABLE

Sender Receiver Signal Line
Air Conditioning Amplifier Assembly Main Body ECU (Multiplex Network Body ECU) Mirror heater drive request signal CAN
Main Body ECU (Multiplex Network Body ECU) Outer Mirror Control ECU Assembly
  • IG signal
  • ACC signal
  • Multiplex network master switch assembly operation signal
  • Mirror position request signal (seat position memory and reactivation function)
  • Mirror position request signal (reverse shift-linked function)
  • Mirror heater drive request signal
CAN
Outer Mirror Control ECU Assembly Main Body ECU (Multiplex Network Body ECU)
  • Outer mirror state signal
  • Seat memory switch signal
CAN
Certification ECU (Smart Key ECU Assembly) Main Body ECU (Multiplex Network Body ECU) Key ID signal CAN
ECM Main Body ECU (Multiplex Network Body ECU) Reverse signal CAN
Air Conditioning Control Assembly Air Conditioning Amplifier Assembly Mirror heater switch (rear window defogger switch) operation signal LIN
Multiplex Network Master Switch Assembly Main Body ECU (Multiplex Network Body ECU) Outer mirror switch signal LIN