LEMON Manuals: Even more car manuals for everyone
Home >> Lexus >> 2013 >> LX 570 >> Repair and Diagnosis (Single Page) >> Steering >> Steering Column >> Steering Lock System (Diagnostics - Introduction) >> Steering Lock System >> System Diagram [01/2012 - ] >> System Diagram [01/2012 - ]

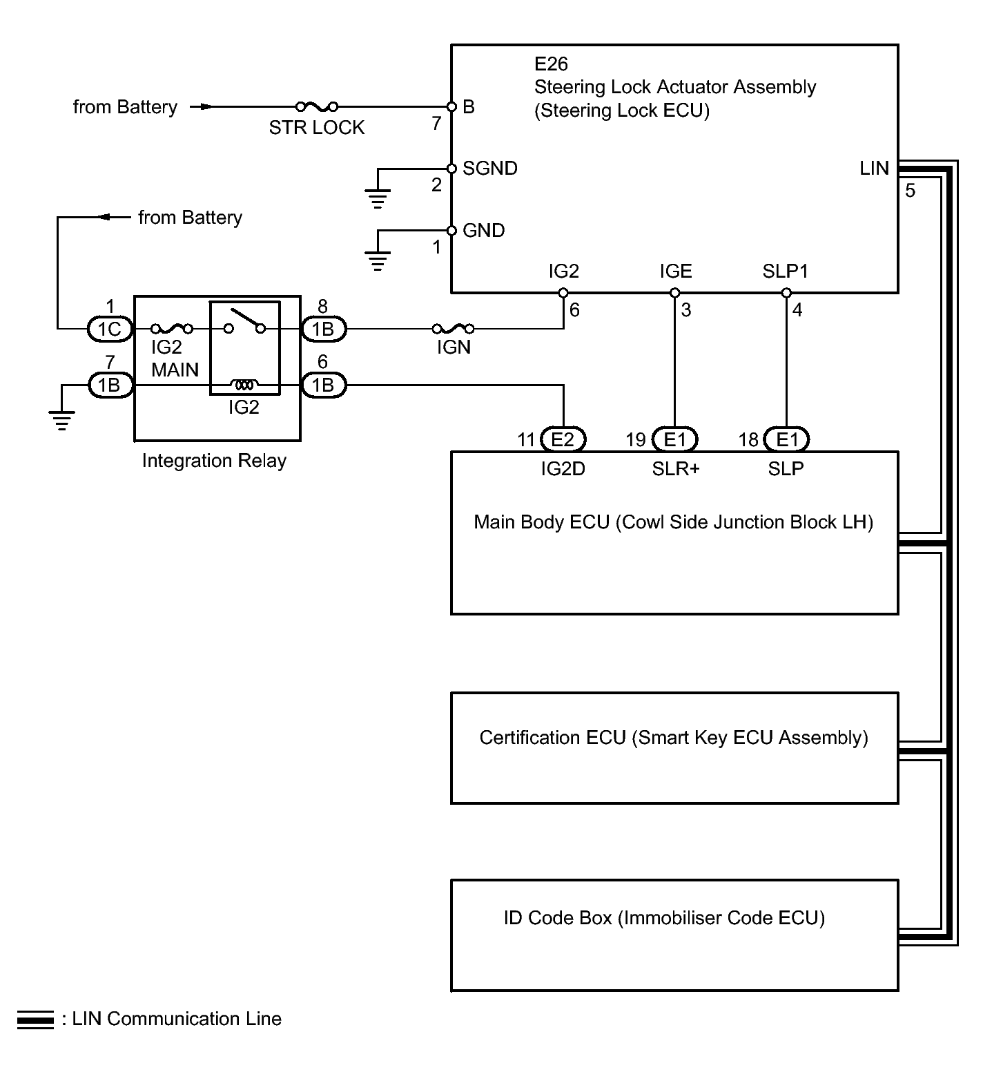
System Diagram [01/2012 - ]

Fig 1: Steering Lock System Wiring Diagram
GTY143903Courtesy of © TOYOTA, LICENSE AGREEMENT TMS1002
INPUT AND OUTPUT SIGNALS OF EACH ECU

Transmitting ECU Receiving ECU Signal Communication Method
Main Body ECU Steering Lock ECU Power supply status (to steering lock motor) LIN
Steering Lock ECU
  • Certification ECU (Smart Key ECU Assembly)
  • Main Body ECU
  • ID Code Box (Immobilizer Code ECU)
Sleep available status LIN
Steering Lock ECU
  • Certification ECU (Smart Key ECU Assembly)
  • Main Body ECU
  • ID Code Box (Immobilizer Code ECU)
Lock/unlock sensor status LIN
Steering Lock ECU
  • Certification ECU (Smart Key ECU Assembly)
  • Main Body ECU
  • ID Code Box (Immobilizer Code ECU)
Steering lock status LIN
Steering Lock ECU
  • Certification ECU (Smart Key ECU Assembly)
  • Main Body ECU
  • ID Code Box (Immobilizer Code ECU)
Motor control status LIN
Steering Lock ECU
  • Certification ECU (Smart Key ECU Assembly)
  • Main Body ECU
  • ID Code Box (Immobilizer Code ECU)
Diagnostic response status LIN
Steering Lock ECU
  • Certification ECU (Smart Key ECU Assembly)
  • Main Body ECU
  • ID Code Box (Immobilizer Code ECU)
Lock/unlock sensor malfunction LIN
Steering Lock ECU
  • Certification ECU (Smart Key ECU Assembly)
  • Main Body ECU
  • ID Code Box (Immobilizer Code ECU)
Power supply malfunction (to steering lock motor) LIN
Steering Lock ECU
  • Certification ECU (Smart Key ECU Assembly)
  • Main Body ECU
  • ID Code Box (Immobilizer Code ECU)
Motor driver malfunction LIN
Steering Lock ECU
  • Certification ECU (Smart Key ECU Assembly)
  • Main Body ECU
  • ID Code Box (Immobilizer Code ECU)
Lock bar stuck status LIN
Steering Lock ECU
  • Certification ECU (Smart Key ECU Assembly)
  • Main Body ECU
  • ID Code Box (Immobilizer Code ECU)
Push button start function status LIN
Steering Lock ECU
  • Certification ECU (Smart Key ECU Assembly)
  • Main Body ECU
  • ID Code Box (Immobilizer Code ECU)
Lock/unlock relay drive status LIN
Steering Lock ECU
  • Certification ECU (Smart Key ECU Assembly)
  • Main Body ECU
  • ID Code Box (Immobilizer Code ECU)
Engine start control status LIN