LEMON Manuals: Even more car manuals for everyone
Home >> Lexus >> 2013 >> LS 600hL >> Repair and Diagnosis >> Engine Performance >> System >> Engine Control System (Diagnostics - Introduction) >> SFI System >> System Diagram [09/2012 - ] >> System Diagram [09/2012 - ]

System Diagram [09/2012 - ]

Fig 1: Identifying SFI System Wiring Diagram (1 Of 7)
GTY358532Courtesy of © TOYOTA, LICENSE AGREEMENT TMS1002
Fig 2: Identifying SFI System Wiring Diagram (2 Of 7)
GTY256143Courtesy of © TOYOTA, LICENSE AGREEMENT TMS1002
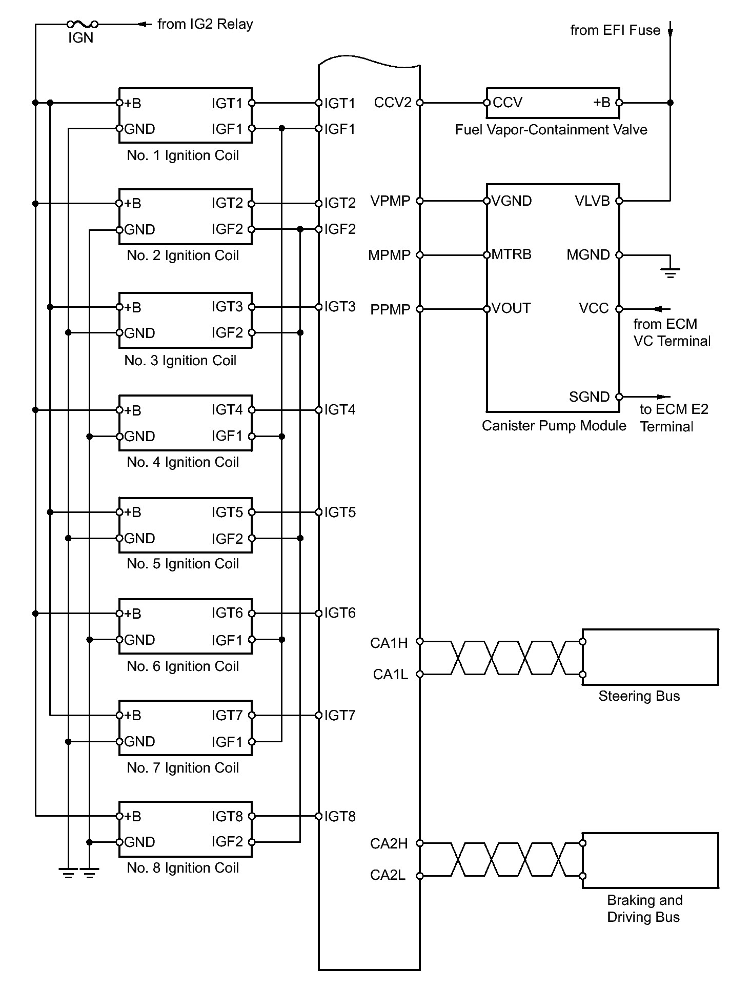
Fig 3: Identifying SFI System Wiring Diagram (3 Of 7)
GTY351689Courtesy of © TOYOTA, LICENSE AGREEMENT TMS1002
Fig 4: Identifying SFI System Wiring Diagram (4 Of 7)
GTY354405Courtesy of © TOYOTA, LICENSE AGREEMENT TMS1002
Fig 5: Identifying SFI System Wiring Diagram (5 Of 7)
GTY268736Courtesy of © TOYOTA, LICENSE AGREEMENT TMS1002
Fig 6: Identifying SFI System Wiring Diagram (6 Of 7)
GTY122265Courtesy of © TOYOTA, LICENSE AGREEMENT TMS1002
Fig 7: Identifying SFI System Wiring Diagram (7 Of 7)
GTY393596Courtesy of © TOYOTA, LICENSE AGREEMENT TMS1002