LEMON Manuals: Even more car manuals for everyone
Home >> Lexus >> 2013 >> LS 460L AWD >> Repair and Diagnosis (Single Page) >> Accessories & Equipment >> Communication Devices >> Lin Communication System (Diagnostic Codes & Symptom Tests) >> Lin Communication System >> DTC B2405: Sub Bus LIN Module Communication Malfunction >> Wiring Diagram

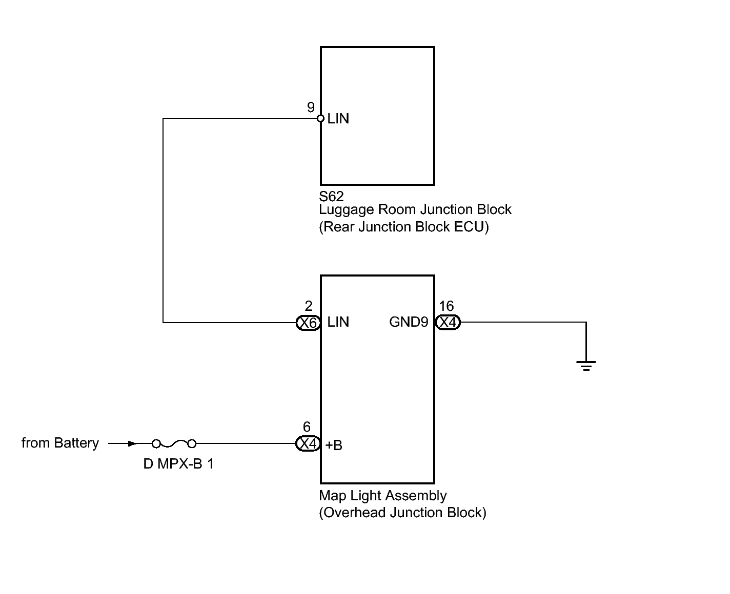
DTC B2405: Sub Bus LIN Module Communication Malfunction: Wiring Diagram

Fig 1: Identifying Sub Bus LIN Module Communication -- Wiring Diagram
GTY286949Courtesy of © TOYOTA, LICENSE AGREEMENT TMS1002