LEMON Manuals: Even more car manuals for everyone
Home >> Lexus >> 2013 >> LS 460 Base, AWD >> Repair and Diagnosis (Single Page) >> Engine Performance >> Testing & Diagnosis >> Engine Control System (Diagnostics - Introduction) >> SFI System >> System Diagram [09/2012 - ] >> System Diagram [09/2012 - ]

System Diagram [09/2012 - ]

Fig 1: SFI System Diagram (1 Of 7)
GTY393171Courtesy of © TOYOTA, LICENSE AGREEMENT TMS1002
Fig 2: SFI System Diagram (2 Of 7)
GTY261655Courtesy of © TOYOTA, LICENSE AGREEMENT TMS1002
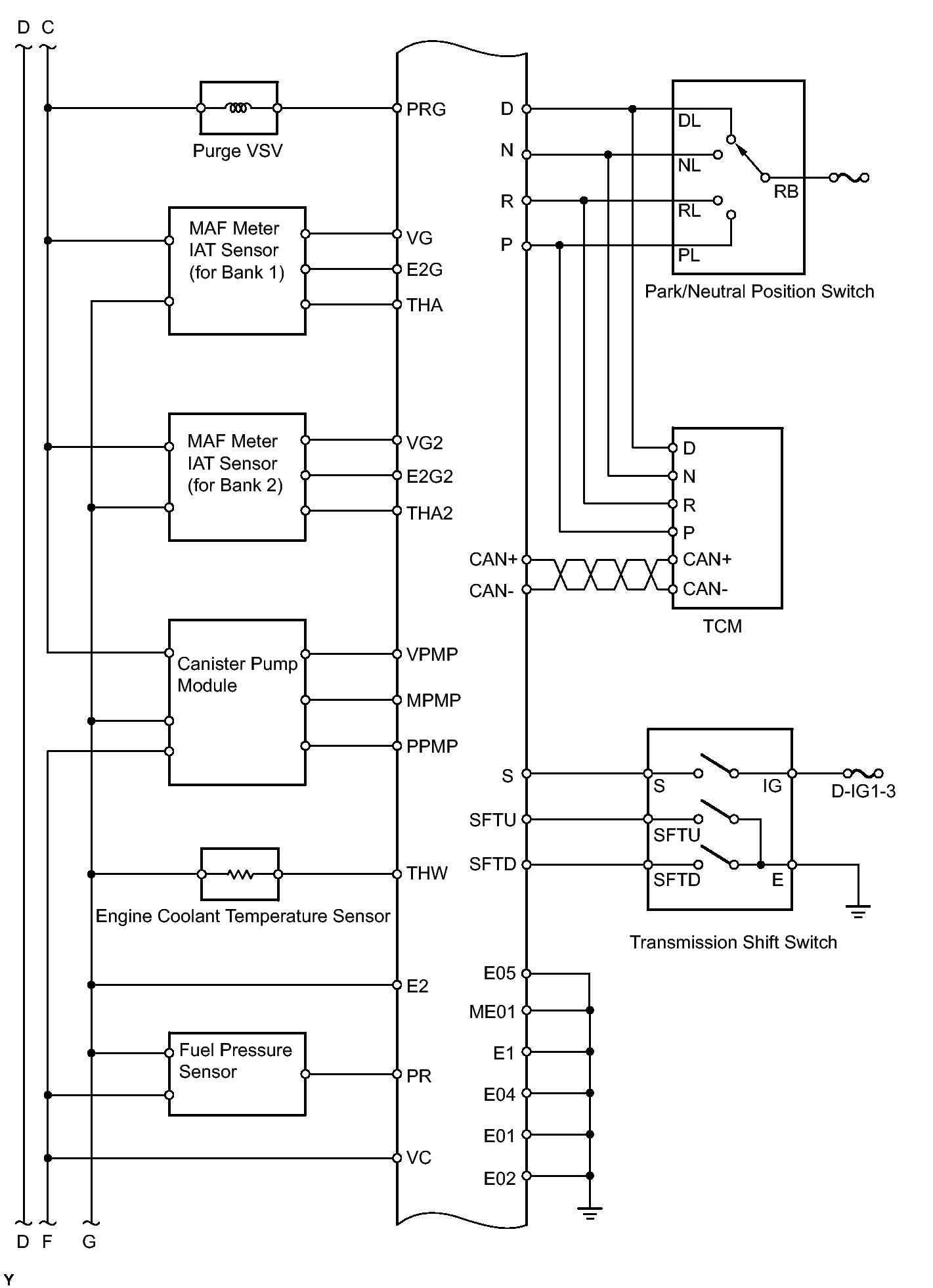
Fig 3: SFI System Diagram (3 Of 7)
GTY288147Courtesy of © TOYOTA, LICENSE AGREEMENT TMS1002
Fig 4: SFI System Diagram (4 Of 7)
GTY402141Courtesy of © TOYOTA, LICENSE AGREEMENT TMS1002
Fig 5: SFI System Diagram (5 Of 7)
GTY406336Courtesy of © TOYOTA, LICENSE AGREEMENT TMS1002
Fig 6: SFI System Diagram (6 Of 7)
GTY288148Courtesy of © TOYOTA, LICENSE AGREEMENT TMS1002
Fig 7: SFI System Diagram (7 Of 7)
GTY261440Courtesy of © TOYOTA, LICENSE AGREEMENT TMS1002