LEMON Manuals: Even more car manuals for everyone
Home >> Lexus >> 2013 >> IS F >> Repair and Diagnosis >> Steering >> Steering Column >> Steering Lock System (Diagnostics & Circuit Tests) >> Steering Lock System >> Circuit Tests >> Power Source Circuit >> Wiring Diagram

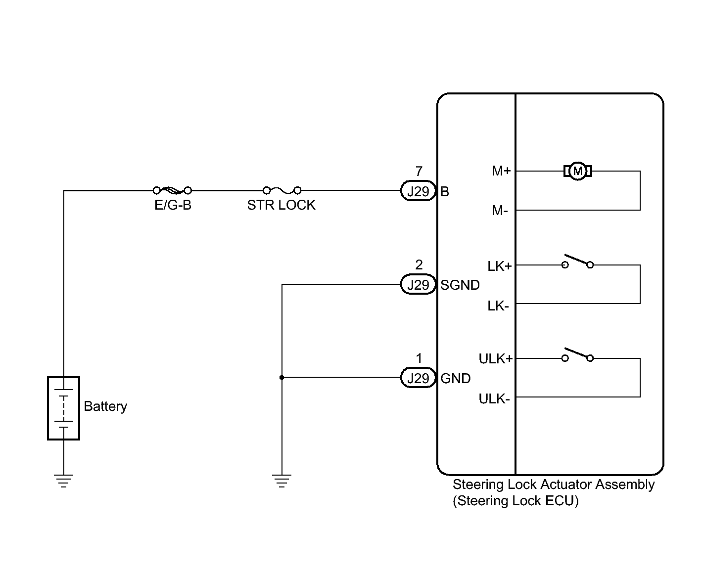
Power Source Circuit: Wiring Diagram

Fig 1: Steering Lock ECU Wiring Diagram
GTY402795Courtesy of © TOYOTA, LICENSE AGREEMENT TMS1002