LEMON Manuals: Even more car manuals for everyone
Home >> Lexus >> 2013 >> IS F >> Repair and Diagnosis >> Electrical >> Body Electrical >> OEM System Circuits >> Vehicle Dynamics Integrated Management >> Notes

Vehicle Dynamics Integrated Management: Notes

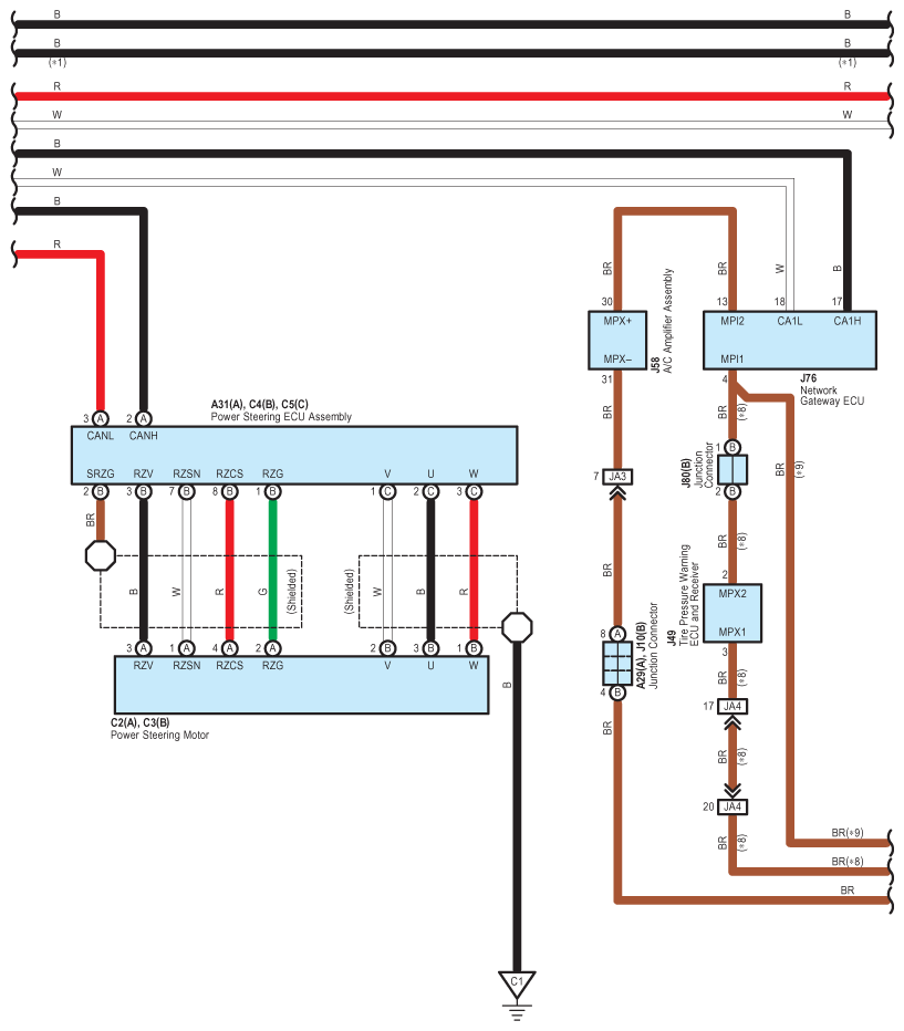
Fig 1: Vehicle Dynamics Integrated Management System Wiring Diagram (1 Of 7)
G09122291Courtesy of © TOYOTA, LICENSE AGREEMENT TMS1002
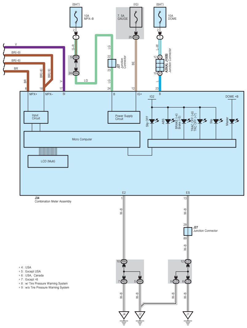
Fig 2: Vehicle Dynamics Integrated Management System Wiring Diagram (2 Of 7)
G09122292Courtesy of © TOYOTA, LICENSE AGREEMENT TMS1002
Fig 3: Vehicle Dynamics Integrated Management System Wiring Diagram (3 Of 7)
G09122293Courtesy of © TOYOTA, LICENSE AGREEMENT TMS1002
Fig 4: Vehicle Dynamics Integrated Management System Wiring Diagram (4 Of 7)
G09122294Courtesy of © TOYOTA, LICENSE AGREEMENT TMS1002
Fig 5: Vehicle Dynamics Integrated Management System Wiring Diagram (5 Of 7)
G09122295Courtesy of © TOYOTA, LICENSE AGREEMENT TMS1002
Fig 6: Vehicle Dynamics Integrated Management System Wiring Diagram (6 Of 7)
G09122296Courtesy of © TOYOTA, LICENSE AGREEMENT TMS1002
Fig 7: Vehicle Dynamics Integrated Management System Wiring Diagram (7 Of 7)
G09122297Courtesy of © TOYOTA, LICENSE AGREEMENT TMS1002