LEMON Manuals: Even more car manuals for everyone
Home >> Lexus >> 2013 >> IS F >> Repair and Diagnosis >> Electrical >> Body Electrical >> OEM System Circuits >> Front Window Deicer >> Notes

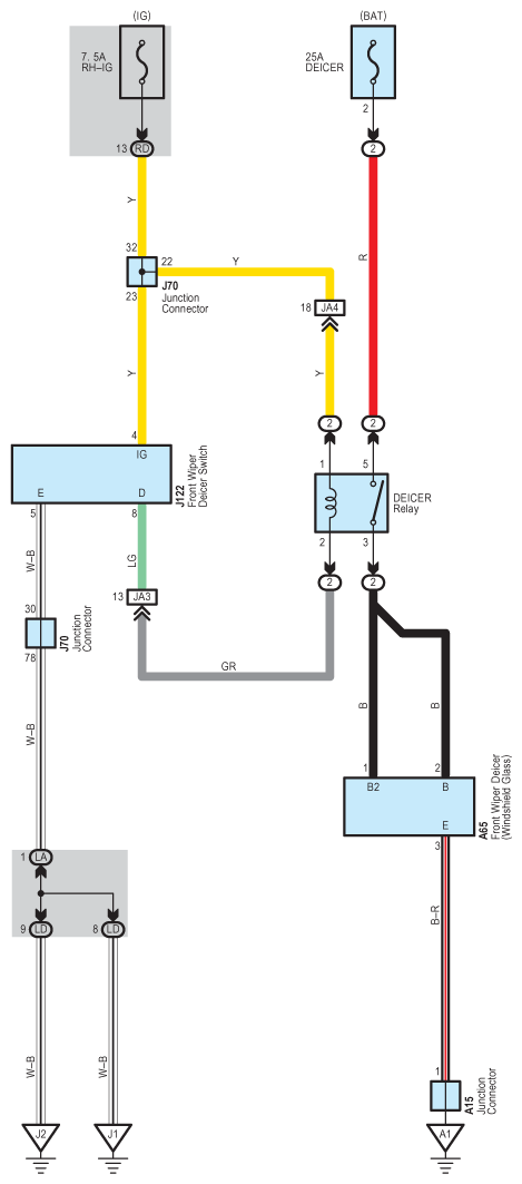
Front Window Deicer: Notes

Fig 1: Front Window Deicer System Wiring Diagram
G09122362Courtesy of © TOYOTA, LICENSE AGREEMENT TMS1002