LEMON Manuals: Even more car manuals for everyone
Home >> Lexus >> 2013 >> IS F >> Repair and Diagnosis >> Electrical >> Body Electrical >> OEM System Circuits >> Front Fog Light >> Notes

Front Fog Light: Notes

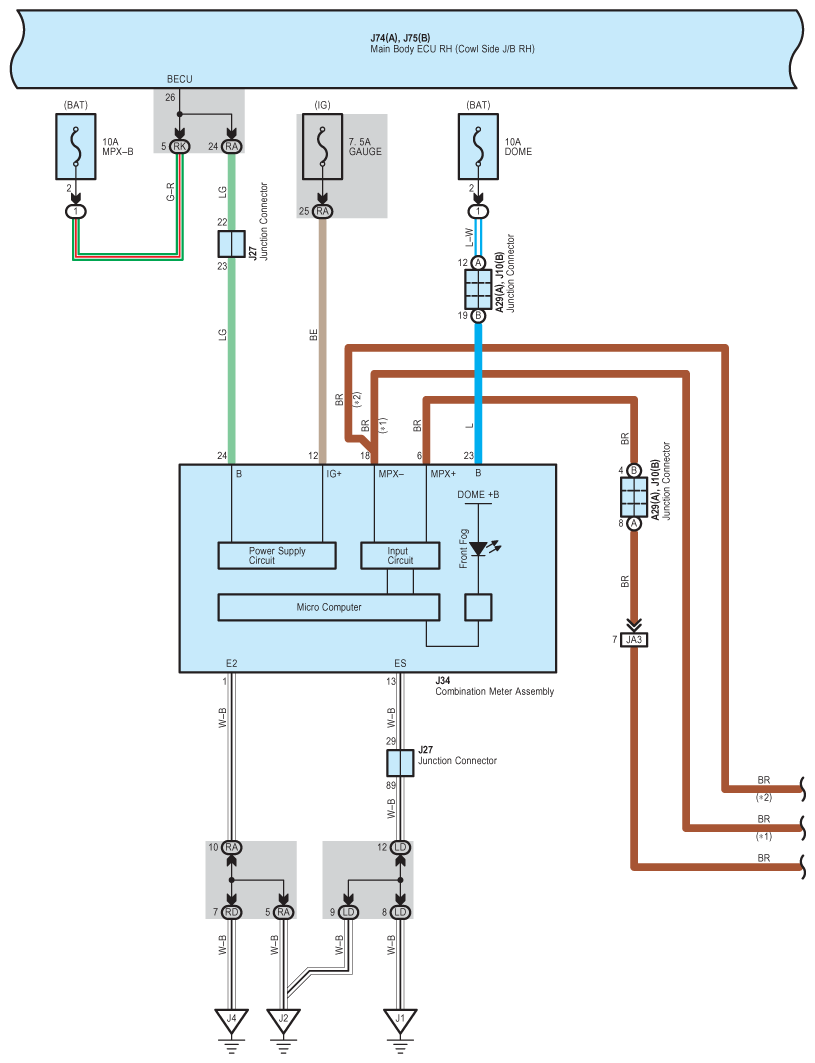
Fig 1: Front Fog Light System Wiring Diagram (1 Of 5)
G09122219Courtesy of © TOYOTA, LICENSE AGREEMENT TMS1002
Fig 2: Front Fog Light System Wiring Diagram (2 Of 5)
G09122220Courtesy of © TOYOTA, LICENSE AGREEMENT TMS1002
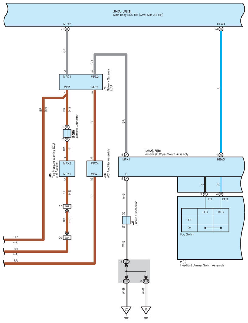
Fig 3: Front Fog Light System Wiring Diagram (3 Of 5)
G09122221Courtesy of © TOYOTA, LICENSE AGREEMENT TMS1002
Fig 4: Front Fog Light System Wiring Diagram (4 Of 5)
G09122222Courtesy of © TOYOTA, LICENSE AGREEMENT TMS1002
Fig 5: Front Fog Light System Wiring Diagram (5 Of 5)
G09122223Courtesy of © TOYOTA, LICENSE AGREEMENT TMS1002