LEMON Manuals: Even more car manuals for everyone
Home >> Lexus >> 2013 >> IS F >> Repair and Diagnosis >> Electrical >> Body Electrical >> OEM System Circuits >> Cooling Fan >> Notes

Cooling Fan: Notes

Fig 1: Cooling Fan System Wiring Diagram (1 Of 3)
G09122409Courtesy of © TOYOTA, LICENSE AGREEMENT TMS1002
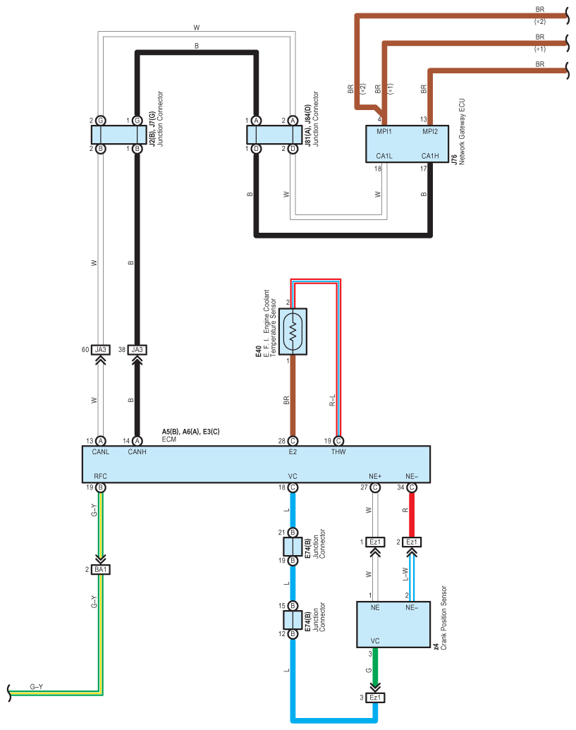
Fig 2: Cooling Fan System Wiring Diagram (2 Of 3)
G09122410Courtesy of © TOYOTA, LICENSE AGREEMENT TMS1002
Fig 3: Cooling Fan System Wiring Diagram (3 Of 3)
G09122411Courtesy of © TOYOTA, LICENSE AGREEMENT TMS1002