LEMON Manuals: Even more car manuals for everyone
Home >> Lexus >> 2013 >> IS F >> Repair and Diagnosis (Single Page) >> Electrical >> Fuses & Circuit Breakers >> OEM Junction Block, Ecu & Fuse/Relay Locations >> Relay Block Identification >> Engine Room Relay Block No. 2 Assembly And Engine Room Junction Block No. 2 Assembly - Left Engine Compartment >> Engine Room Relay Block No. 2 Assembly and Engine Room Junction Block No. 2 Assembly Inner Circuit

Engine Room Relay Block No. 2 Assembly and Engine Room Junction Block No. 2 Assembly Inner Circuit

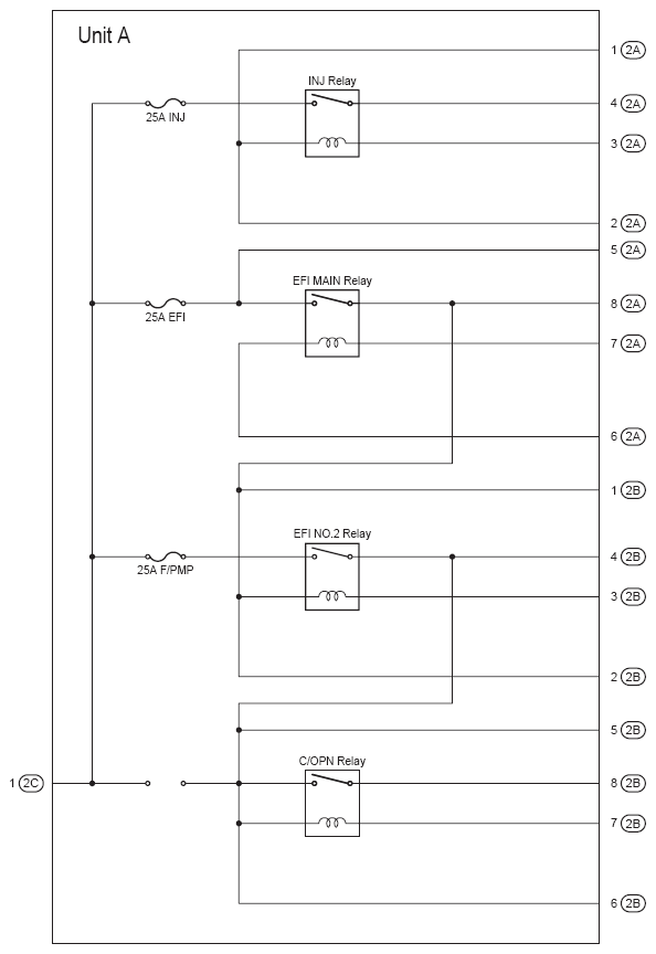
Fig 1: Engine Room Relay Block Assembly And Engine Room J/B Assembly Circuit Diagram (Unit A)
G09122063Courtesy of © TOYOTA, LICENSE AGREEMENT TMS1002
ENGINE ROOM R/B AND J/B INNER CIRCUIT RELAY IDENTIFICATION (UNIT A)

RELAY DESCRIPTION
INJ Relay
EFI Main Relay
EFI No. 2 Relay
C/OPN Relay
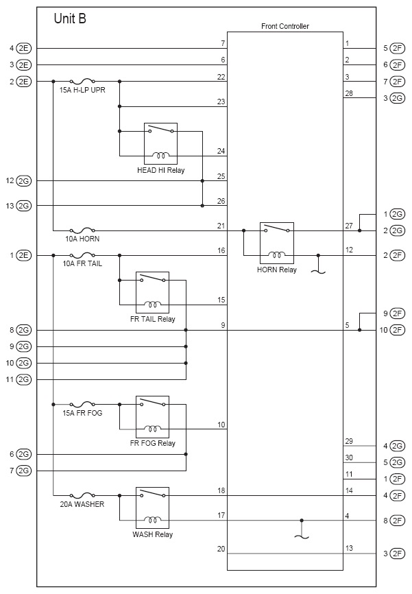
Fig 2: Engine Room Relay Block Assembly And Engine Room J/B Assembly Circuit Diagram (Unit B)
G09122064Courtesy of © TOYOTA, LICENSE AGREEMENT TMS1002
ENGINE ROOM R/B AND J/B INNER CIRCUIT RELAY IDENTIFICATION (UNIT B)

RELAY DESCRIPTION
Head HI Relay
Horn Relay
FR Tail Relay
FR Fog Relay
Wash Relay
Fig 3: Engine Room R/B Assembly And Engine Room J/B Assembly Circuit Diagram (Unit C)
G09122065Courtesy of © TOYOTA, LICENSE AGREEMENT TMS1002