LEMON Manuals: Even more car manuals for everyone
Home >> Lexus >> 2013 >> IS F >> Repair and Diagnosis (Single Page) >> Electrical >> Body Electrical >> OEM System Circuits >> Pre-Collision System >> Notes

Pre-Collision System: Notes

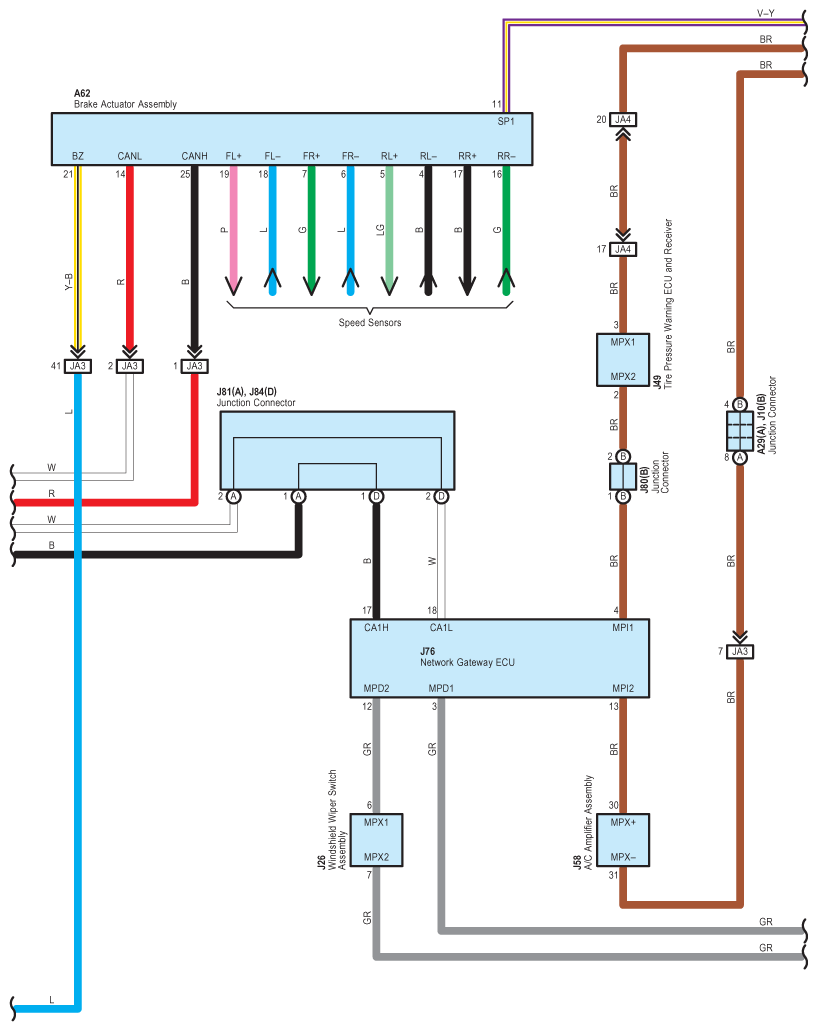
Fig 1: Pre-Collision System Wiring Diagram (1 Of 4)
G09122311Courtesy of © TOYOTA, LICENSE AGREEMENT TMS1002
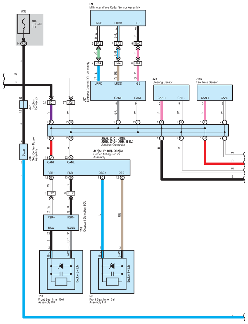
Fig 2: Pre-Collision System Wiring Diagram (2 Of 4)
G09122312Courtesy of © TOYOTA, LICENSE AGREEMENT TMS1002
Fig 3: Pre-Collision System Wiring Diagram (3 Of 4)
G09122313Courtesy of © TOYOTA, LICENSE AGREEMENT TMS1002
Fig 4: Pre-Collision System Wiring Diagram (4 Of 4)
G09122314Courtesy of © TOYOTA, LICENSE AGREEMENT TMS1002