LEMON Manuals: Even more car manuals for everyone
Home >> Lexus >> 2013 >> IS F >> Repair and Diagnosis (Single Page) >> Electrical >> Body Electrical >> OEM System Circuits >> Headlight Beam Level Control >> Notes

Headlight Beam Level Control: Notes

Fig 1: Headlight Beam Level Control System Wiring Diagram (1 Of 4)
G09122228Courtesy of © TOYOTA, LICENSE AGREEMENT TMS1002
Fig 2: Headlight Beam Level Control System Wiring Diagram (2 Of 4)
G09122229Courtesy of © TOYOTA, LICENSE AGREEMENT TMS1002
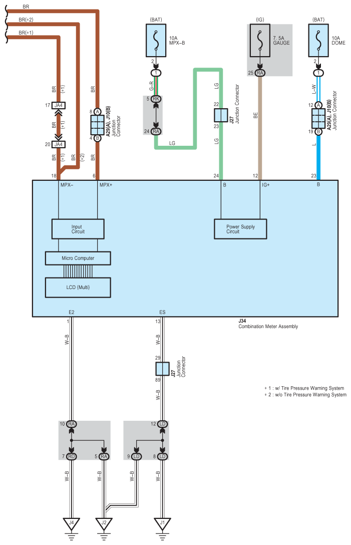
Fig 3: Headlight Beam Level Control System Wiring Diagram (3 Of 4)
G09122230Courtesy of © TOYOTA, LICENSE AGREEMENT TMS1002
Fig 4: Headlight Beam Level Control System Wiring Diagram (4 Of 4)
G09122231Courtesy of © TOYOTA, LICENSE AGREEMENT TMS1002