LEMON Manuals: Even more car manuals for everyone
Home >> Lexus >> 2013 >> IS F >> Repair and Diagnosis (Single Page) >> Electrical >> Body Electrical >> OEM System Circuits >> Engine Immobilizer System, Smart Access System with Push-Button Start, Starting, Steering Lock, Theft Deterrent and Wireless Door Lock Control >> Notes

Engine Immobilizer System, Smart Access System with Push-Button Start, Starting, Steering Lock, Theft Deterrent and Wireless Door Lock Control: Notes

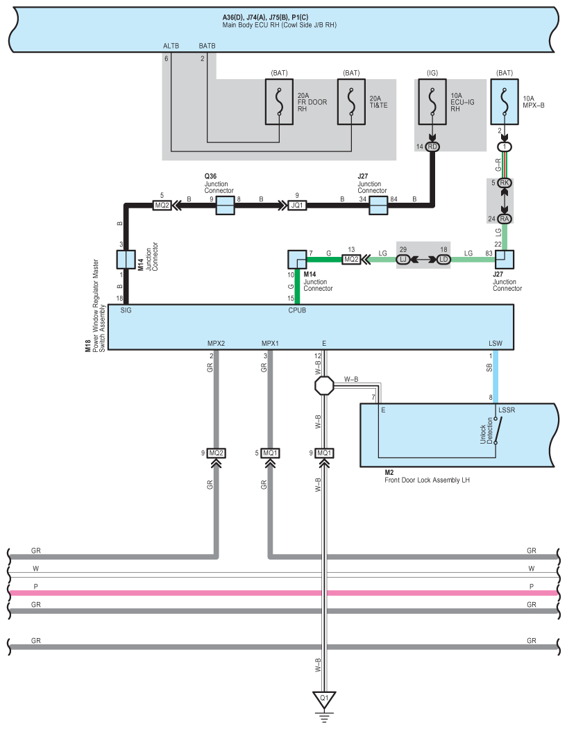
Fig 1: Engine Immobilizer, Smart Access, Starting, Steering Lock And Wireless Door Lock (W/Smart Key) System Wiring Diagram (1 Of 20)
G09122113Courtesy of © TOYOTA, LICENSE AGREEMENT TMS1002
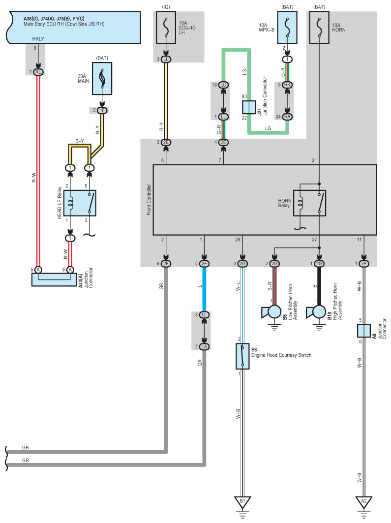
Fig 2: Engine Immobilizer, Smart Access, Starting, Steering Lock And Wireless Door Lock (W/Smart Key) System Wiring Diagram (2 Of 20)
G09122114Courtesy of © TOYOTA, LICENSE AGREEMENT TMS1002
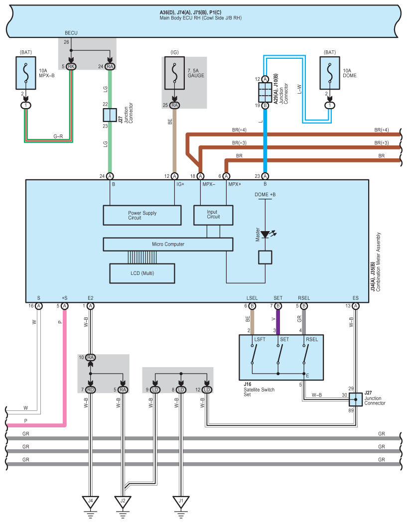
Fig 3: Engine Immobilizer, Smart Access, Starting, Steering Lock And Wireless Door Lock (W/Smart Key) System Wiring Diagram (3 Of 20)
G09122115Courtesy of © TOYOTA, LICENSE AGREEMENT TMS1002
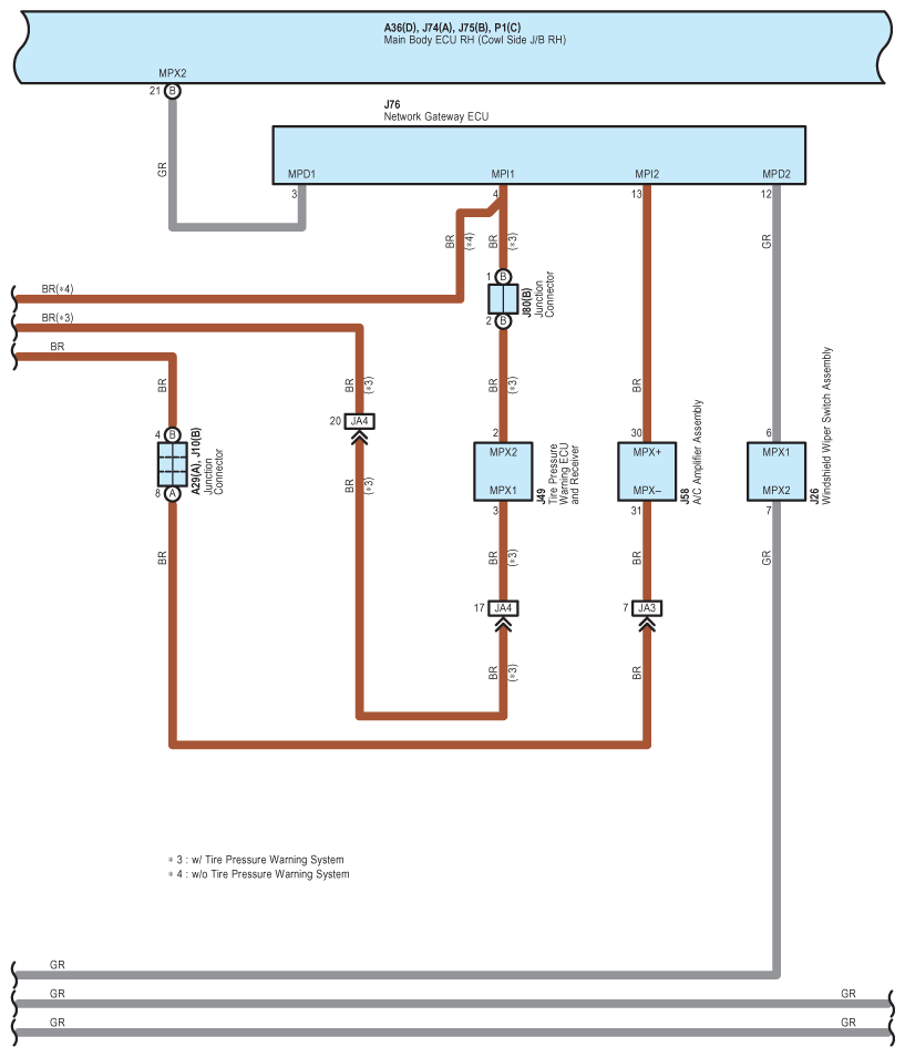
Fig 4: Engine Immobilizer, Smart Access, Starting, Steering Lock And Wireless Door Lock (W/Smart Key) System Wiring Diagram (4 Of 20)
G09122116Courtesy of © TOYOTA, LICENSE AGREEMENT TMS1002
Fig 5: Engine Immobilizer, Smart Access, Starting, Steering Lock And Wireless Door Lock (W/Smart Key) System Wiring Diagram (5 Of 20)
G09122117Courtesy of © TOYOTA, LICENSE AGREEMENT TMS1002
Fig 6: Engine Immobilizer, Smart Access, Starting, Steering Lock And Wireless Door Lock (W/Smart Key) System Wiring Diagram (6 Of 20)
G09122118Courtesy of © TOYOTA, LICENSE AGREEMENT TMS1002
Fig 7: Engine Immobilizer, Smart Access, Starting, Steering Lock And Wireless Door Lock (W/Smart Key) System Wiring Diagram (7 Of 20)
G09122119Courtesy of © TOYOTA, LICENSE AGREEMENT TMS1002
Fig 8: Engine Immobilizer, Smart Access, Starting, Steering Lock And Wireless Door Lock (W/Smart Key) System Wiring Diagram (8 Of 20)
G09122120Courtesy of © TOYOTA, LICENSE AGREEMENT TMS1002
Fig 9: Engine Immobilizer, Smart Access, Starting, Steering Lock And Wireless Door Lock (W/Smart Key) System Wiring Diagram (9 Of 20)
G09122121Courtesy of © TOYOTA, LICENSE AGREEMENT TMS1002
Fig 10: Engine Immobilizer, Smart Access, Starting, Steering Lock And Wireless Door Lock (W/Smart Key) System Wiring Diagram (10 Of 20)
G09122122Courtesy of © TOYOTA, LICENSE AGREEMENT TMS1002
Fig 11: Engine Immobilizer, Smart Access, Starting, Steering Lock And Wireless Door Lock (W/Smart Key) System Wiring Diagram (11 Of 20)
G09122123Courtesy of © TOYOTA, LICENSE AGREEMENT TMS1002
Fig 12: Engine Immobilizer, Smart Access, Starting, Steering Lock And Wireless Door Lock (W/Smart Key) System Wiring Diagram (12 Of 20)
G09122124Courtesy of © TOYOTA, LICENSE AGREEMENT TMS1002
Fig 13: Engine Immobilizer, Smart Access, Starting, Steering Lock And Wireless Door Lock (W/Smart Key) System Wiring Diagram (13 Of 20)
G09122125Courtesy of © TOYOTA, LICENSE AGREEMENT TMS1002
Fig 14: Engine Immobilizer, Smart Access, Starting, Steering Lock And Wireless Door Lock (W/Smart Key) System Wiring Diagram (14 Of 20)
G09122126Courtesy of © TOYOTA, LICENSE AGREEMENT TMS1002
Fig 15: Engine Immobilizer, Smart Access, Starting, Steering Lock And Wireless Door Lock (W/Smart Key) System Wiring Diagram (15 Of 20)
G09122127Courtesy of © TOYOTA, LICENSE AGREEMENT TMS1002
Fig 16: Engine Immobilizer, Smart Access, Starting, Steering Lock And Wireless Door Lock (W/Smart Key) System Wiring Diagram (16 Of 20)
G09122128Courtesy of © TOYOTA, LICENSE AGREEMENT TMS1002
Fig 17: Engine Immobilizer, Smart Access, Starting, Steering Lock And Wireless Door Lock (W/Smart Key) System Wiring Diagram (17 Of 20)
G09122129Courtesy of © TOYOTA, LICENSE AGREEMENT TMS1002
Fig 18: Engine Immobilizer, Smart Access, Starting, Steering Lock And Wireless Door Lock (W/Smart Key) System Wiring Diagram (18 Of 20)
G09122130Courtesy of © TOYOTA, LICENSE AGREEMENT TMS1002
Fig 19: Engine Immobilizer, Smart Access, Starting, Steering Lock And Wireless Door Lock (W/Smart Key) System Wiring Diagram (19 Of 20)
G09122131Courtesy of © TOYOTA, LICENSE AGREEMENT TMS1002
Fig 20: Engine Immobilizer, Smart Access, Starting, Steering Lock And Wireless Door Lock (W/Smart Key) System Wiring Diagram (20 Of 20)
G09122132Courtesy of © TOYOTA, LICENSE AGREEMENT TMS1002