LEMON Manuals: Even more car manuals for everyone
Home >> Lexus >> 2013 >> IS F >> Repair and Diagnosis (Single Page) >> Body & Frame >> Seats >> Front Power Seat Control System (Diagnostics & Circuit Tests) >> Front Power Seat Control System >> Circuit Tests >> Driver Side Seat Memory Switch Circuit >> Wiring Diagram

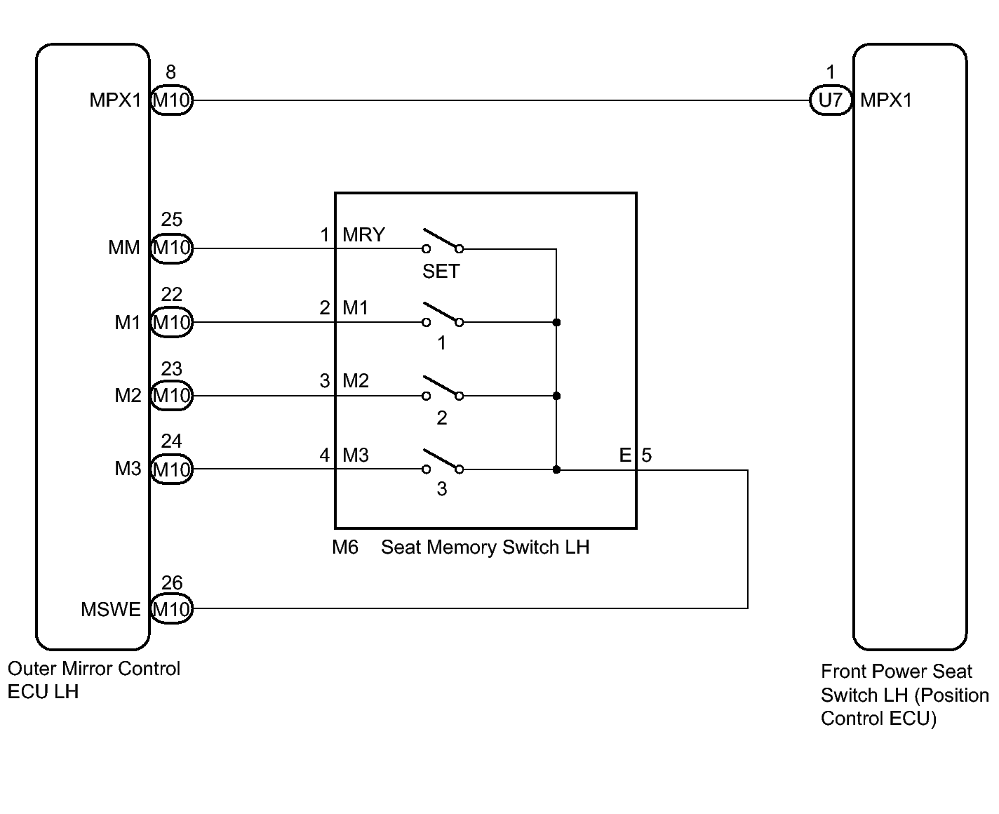
Driver Side Seat Memory Switch Circuit: Wiring Diagram

Fig 1: Identifying Driver Side Seat Memory Switch Wiring Diagram
GTY134416Courtesy of © TOYOTA, LICENSE AGREEMENT TMS1002