LEMON Manuals: Even more car manuals for everyone
Home >> Lexus >> 2013 >> IS 350C Base >> Repair and Diagnosis (Single Page) >> Electrical >> Body Electrical >> OEM System Circuits >> Light Auto Turn Off System >> Notes

Light Auto Turn Off System: Notes

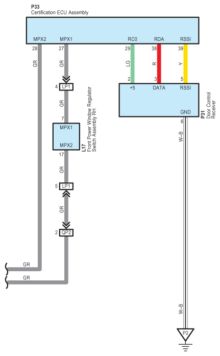
Fig 1: Light Auto Turn Off System Wiring Diagram (1 Of 5)
G09121215Courtesy of © TOYOTA, LICENSE AGREEMENT TMS1002
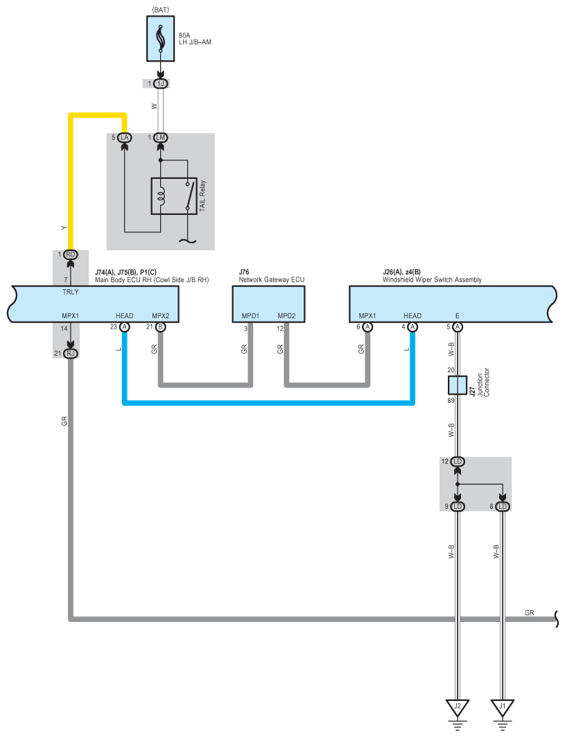
Fig 2: Light Auto Turn Off System Wiring Diagram (2 Of 5)
G09121216Courtesy of © TOYOTA, LICENSE AGREEMENT TMS1002
Fig 3: Light Auto Turn Off System Wiring Diagram (3 Of 5)
G09121217Courtesy of © TOYOTA, LICENSE AGREEMENT TMS1002
Fig 4: Light Auto Turn Off System Wiring Diagram (4 Of 5)
G09121218Courtesy of © TOYOTA, LICENSE AGREEMENT TMS1002
Fig 5: Light Auto Turn Off System Wiring Diagram (5 Of 5)
G09121219Courtesy of © TOYOTA, LICENSE AGREEMENT TMS1002