LEMON Manuals: Even more car manuals for everyone
Home >> Lexus >> 2013 >> IS 350C Base >> Repair and Diagnosis (Single Page) >> Accessories & Equipment >> Anti-Theft Systems >> Smart Access System (Keyless Entry) (Diagnostics & Symptom Tests) >> SMART ACCESS SYSTEM WITH PUSH-BUTTON START (For Entry Function) >> Symptom Tests >> Driver Side Door Entry Lock and Unlock Functions do not Operate >> Wiring Diagram

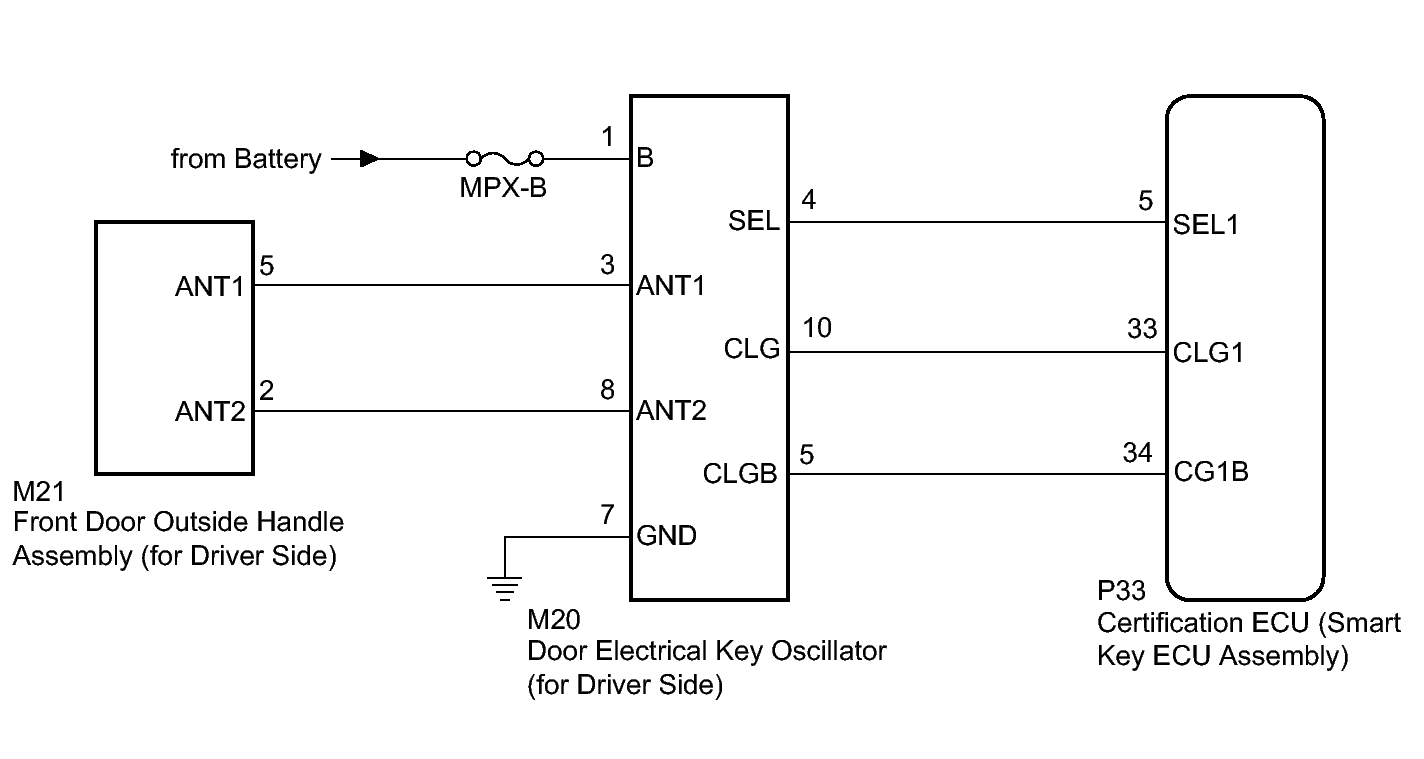
Driver Side Door Entry Lock and Unlock Functions do not Operate: Wiring Diagram

Fig 1: Identifying Driver Side Door Entry Lock And Unlock Wiring Diagram
GTY402899Courtesy of © TOYOTA, LICENSE AGREEMENT TMS1002