LEMON Manuals: Even more car manuals for everyone
Home >> Lexus >> 2013 >> IS 350 Base, AWD >> Repair and Diagnosis (Single Page) >> Engine Performance >> System >> Engine Control System (Diagnostics - Introduction) >> SFI System >> System Diagram [08/2012 - ] >> System Diagram [08/2012 - ]

System Diagram [08/2012 - ]

Fig 1: Engine Control (SFI) System Diagram (1 Of 5)
GTY139482Courtesy of © TOYOTA, LICENSE AGREEMENT TMS1002
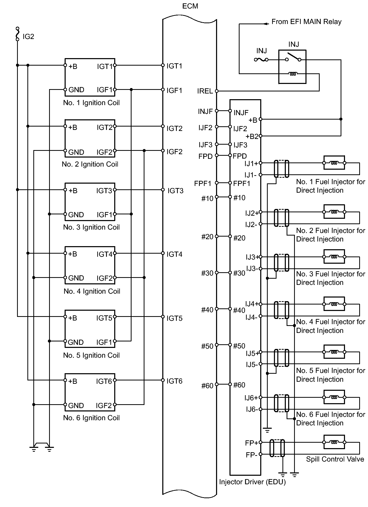
Fig 2: Engine Control (SFI) System Diagram (2 Of 5)
GTY348068Courtesy of © TOYOTA, LICENSE AGREEMENT TMS1002
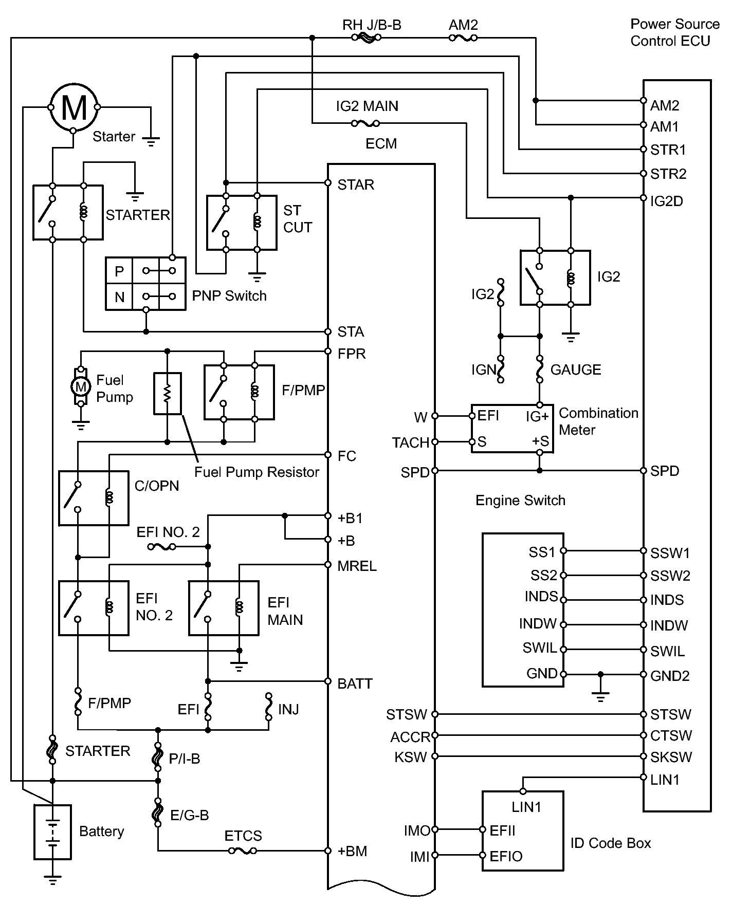
Fig 3: Engine Control (SFI) System Diagram (3 Of 5)
GTY357985Courtesy of © TOYOTA, LICENSE AGREEMENT TMS1002
Fig 4: Engine Control (SFI) System Diagram (4 Of 5)
GTY267002Courtesy of © TOYOTA, LICENSE AGREEMENT TMS1002
Fig 5: Engine Control (SFI) System Diagram (5 Of 5)
GTY358120Courtesy of © TOYOTA, LICENSE AGREEMENT TMS1002