LEMON Manuals: Even more car manuals for everyone
Home >> Lexus >> 2013 >> IS 350 Base, AWD >> Repair and Diagnosis (Single Page) >> Electrical >> Starter >> Smart Access System (Keyless Start) (Diagnostics - Introduction) >> Smart Access System With Push-Button Start >> System Diagram [08/2012 - ] >> System Diagram [08/2012 - ]

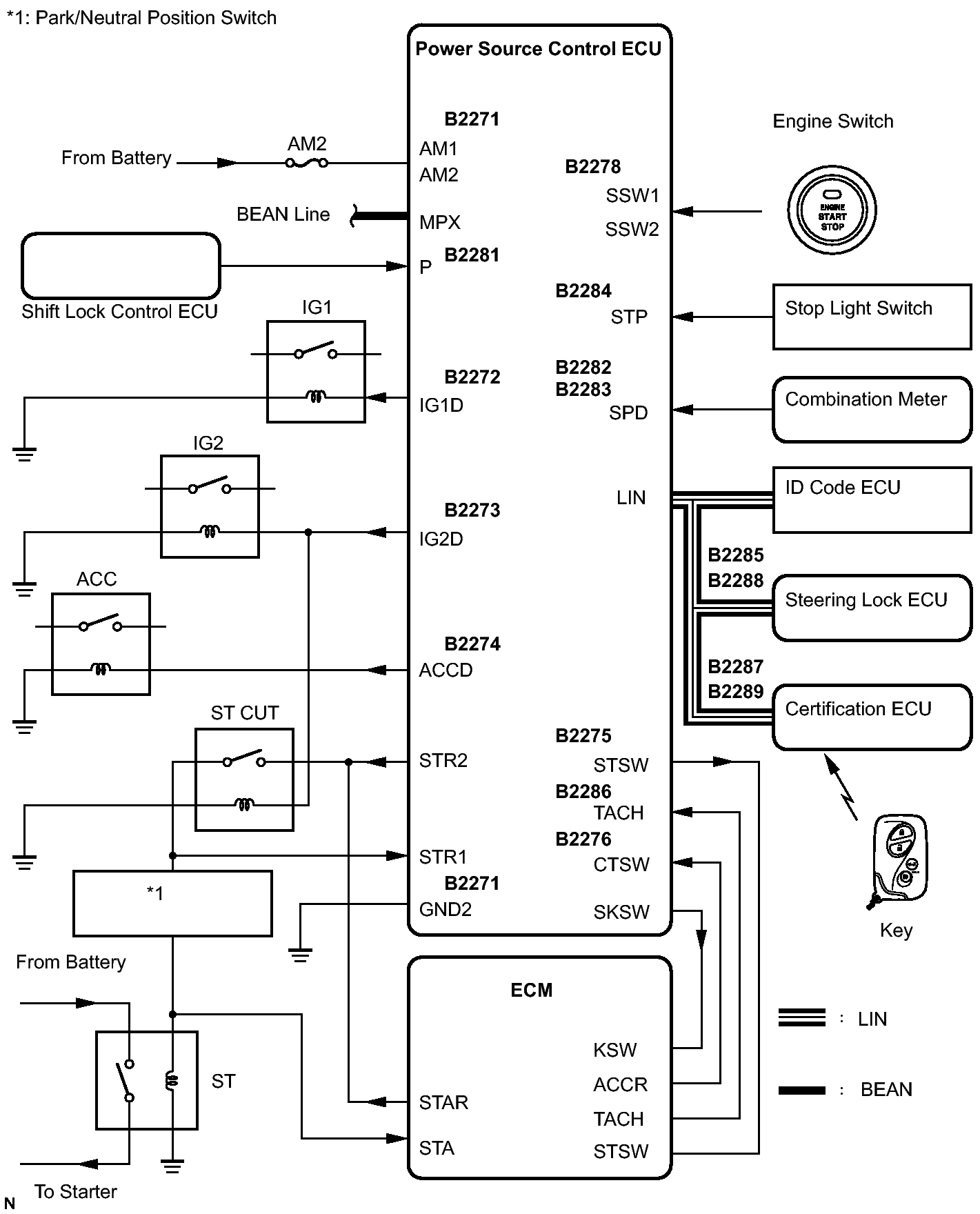
System Diagram [08/2012 - ]

Fig 1: Smart Access System Diagram (W/ Push-Button Start)
GTY410815Courtesy of © TOYOTA, LICENSE AGREEMENT TMS1002
COMMUNICATION TABLE:

Transmitting ECU
(Transmitter)
Receiving ECU
(Receiver)
Signal Communication method
ECM Power source control ECU Engine rotation signal CAN/BEAN
Meter ECU Power source control ECU Vehicle speed signal BEAN/Local communication
Steering lock ECU Power source control ECU Steering lock/unlock signal LIN/Local communication
Shift lock control ECU Power source control ECU Shift position signal BEAN/Local communication
Certification ECU Power source control ECU LIN master signal LIN
Power source control ECU Certification ECU ID required signal LIN
Key existence condition signal BEAN