LEMON Manuals: Even more car manuals for everyone
Home >> Lexus >> 2013 >> IS 350 Base, AWD >> Repair and Diagnosis (Single Page) >> Electrical >> Body Electrical >> OEM System Circuits >> Audio System (w/LEXUS Navigation System), LEXUS Navigation System and Parking Assist (Back Guide Monitor/Rear View Monitor) >> Notes

Audio System (w/LEXUS Navigation System), LEXUS Navigation System and Parking Assist (Back Guide Monitor/Rear View Monitor): Notes

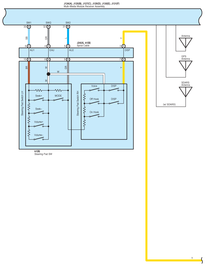
Fig 1: Audio - With Lexus Navigation And Parking Assist (Back Guide/Rear View Monitor) System Wiring Diagram (1 Of 16)
G09119235Courtesy of © TOYOTA, LICENSE AGREEMENT TMS1002
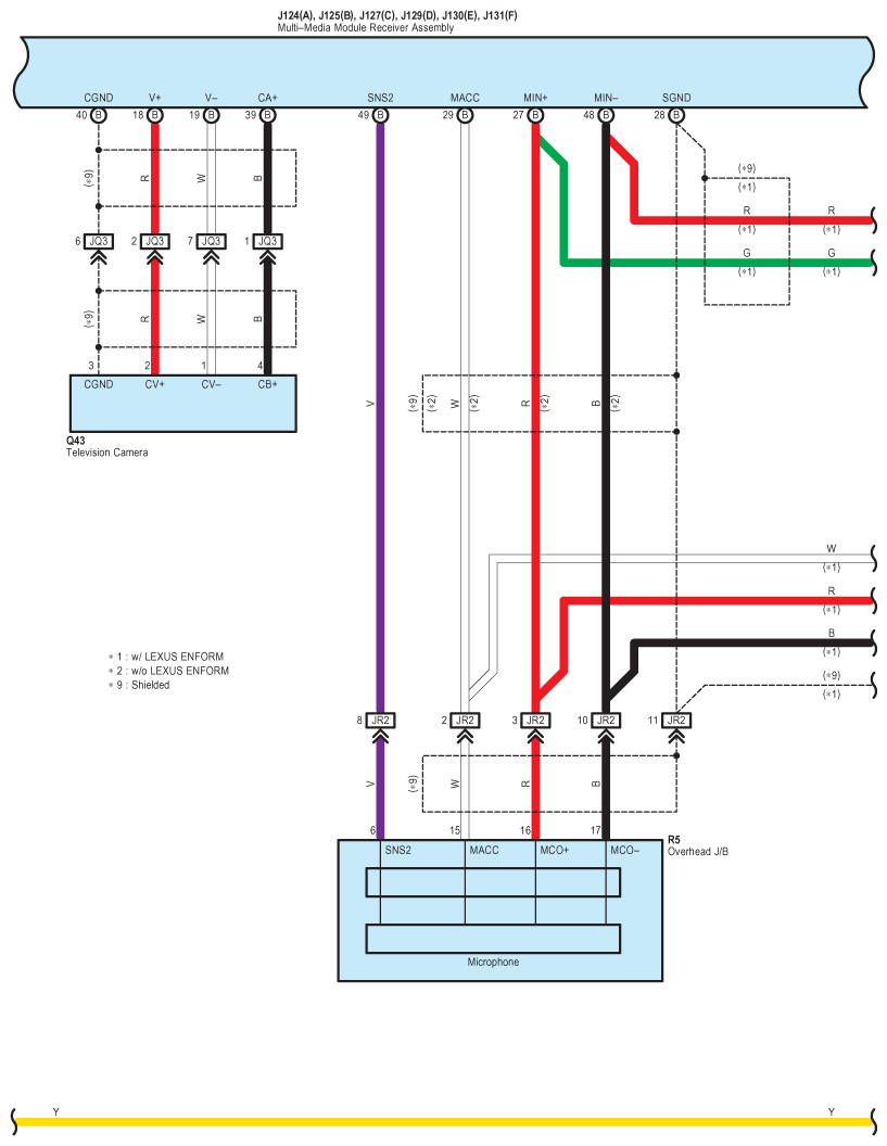
Fig 2: Audio - With Lexus Navigation And Parking Assist (Back Guide/Rear View Monitor) System Wiring Diagram (2 Of 16)
G09119236Courtesy of © TOYOTA, LICENSE AGREEMENT TMS1002
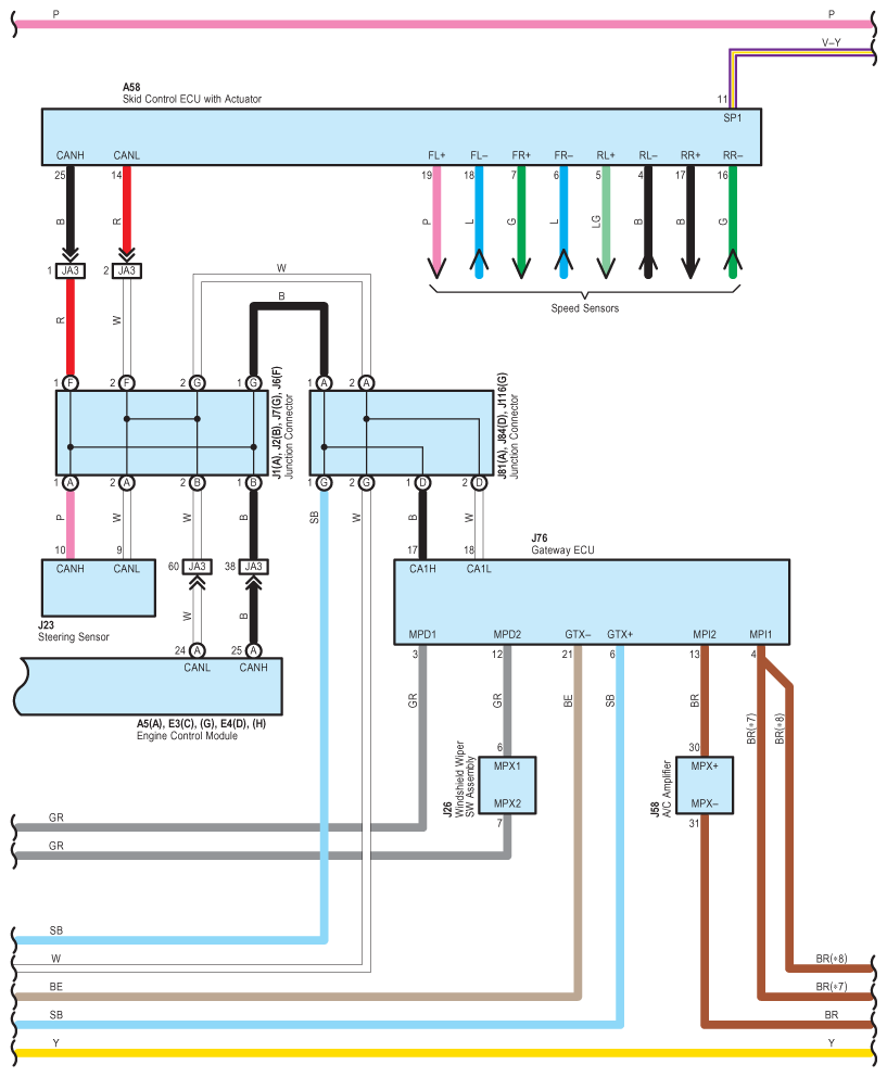
Fig 3: Audio - With Lexus Navigation And Parking Assist (Back Guide/Rear View Monitor) System Wiring Diagram (3 Of 16)
G09119237Courtesy of © TOYOTA, LICENSE AGREEMENT TMS1002
Fig 4: Audio - With Lexus Navigation And Parking Assist (Back Guide/Rear View Monitor) System Wiring Diagram (4 Of 16)
G09119238Courtesy of © TOYOTA, LICENSE AGREEMENT TMS1002
Fig 5: Audio - With Lexus Navigation And Parking Assist (Back Guide/Rear View Monitor) System Wiring Diagram (5 Of 16)
G09119239Courtesy of © TOYOTA, LICENSE AGREEMENT TMS1002
Fig 6: Audio - With Lexus Navigation And Parking Assist (Back Guide/Rear View Monitor) System Wiring Diagram (6 Of 16)
G09119240Courtesy of © TOYOTA, LICENSE AGREEMENT TMS1002
Fig 7: Audio - With Lexus Navigation And Parking Assist (Back Guide/Rear View Monitor) System Wiring Diagram (7 Of 16)
G09119241Courtesy of © TOYOTA, LICENSE AGREEMENT TMS1002
Fig 8: Audio - With Lexus Navigation And Parking Assist (Back Guide/Rear View Monitor) System Wiring Diagram (8 Of 16)
G09119242Courtesy of © TOYOTA, LICENSE AGREEMENT TMS1002
Fig 9: Audio - With Lexus Navigation And Parking Assist (Back Guide/Rear View Monitor) System Wiring Diagram (9 Of 16)
G09119243Courtesy of © TOYOTA, LICENSE AGREEMENT TMS1002
Fig 10: Audio - With Lexus Navigation And Parking Assist (Back Guide/Rear View Monitor) System Wiring Diagram (10 Of 16)
G09119244Courtesy of © TOYOTA, LICENSE AGREEMENT TMS1002
Fig 11: Audio - With Lexus Navigation And Parking Assist (Back Guide/Rear View Monitor) System Wiring Diagram (11 Of 16)
G09119245Courtesy of © TOYOTA, LICENSE AGREEMENT TMS1002
Fig 12: Audio - With Lexus Navigation And Parking Assist (Back Guide/Rear View Monitor) System Wiring Diagram (12 Of 16)
G09119246Courtesy of © TOYOTA, LICENSE AGREEMENT TMS1002
Fig 13: Audio - With Lexus Navigation And Parking Assist (Back Guide/Rear View Monitor) System Wiring Diagram (13 Of 16)
G09119247Courtesy of © TOYOTA, LICENSE AGREEMENT TMS1002
Fig 14: Audio - With Lexus Navigation And Parking Assist (Back Guide/Rear View Monitor) System Wiring Diagram (14 Of 16)
G09119248Courtesy of © TOYOTA, LICENSE AGREEMENT TMS1002
Fig 15: Audio - With Lexus Navigation And Parking Assist (Back Guide/Rear View Monitor) System Wiring Diagram (15 Of 16)
G09119249Courtesy of © TOYOTA, LICENSE AGREEMENT TMS1002
Fig 16: Audio - With Lexus Navigation And Parking Assist (Back Guide/Rear View Monitor) System Wiring Diagram (16 Of 16)
G09119250Courtesy of © TOYOTA, LICENSE AGREEMENT TMS1002