LEMON Manuals: Even more car manuals for everyone
Home >> Lexus >> 2013 >> IS 250C Base >> Repair and Diagnosis >> Electrical >> Body Electrical >> OEM System Circuits >> Theft Deterrent >> Notes

Theft Deterrent: Notes

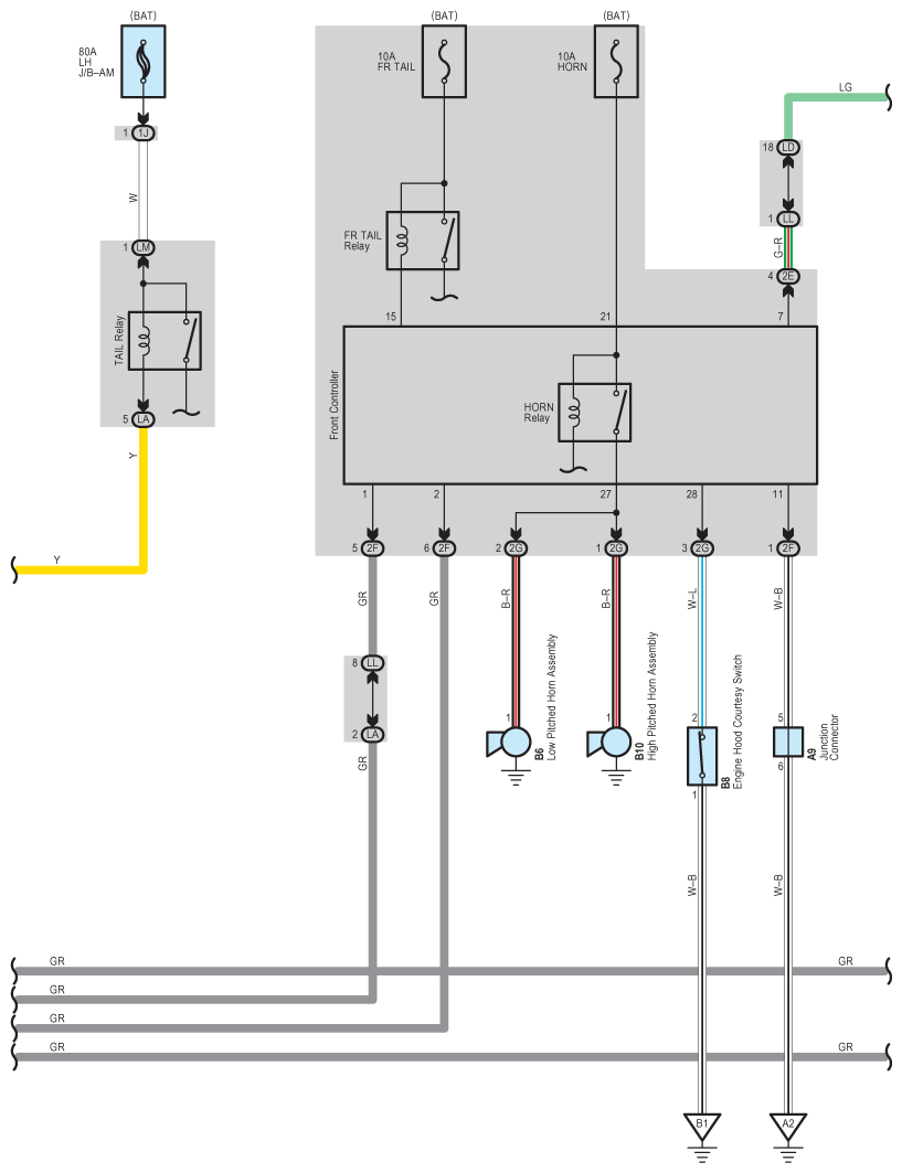
Fig 1: Theft Deterrent Wiring Diagram (1 Of 10)
G09121250Courtesy of © TOYOTA, LICENSE AGREEMENT TMS1002
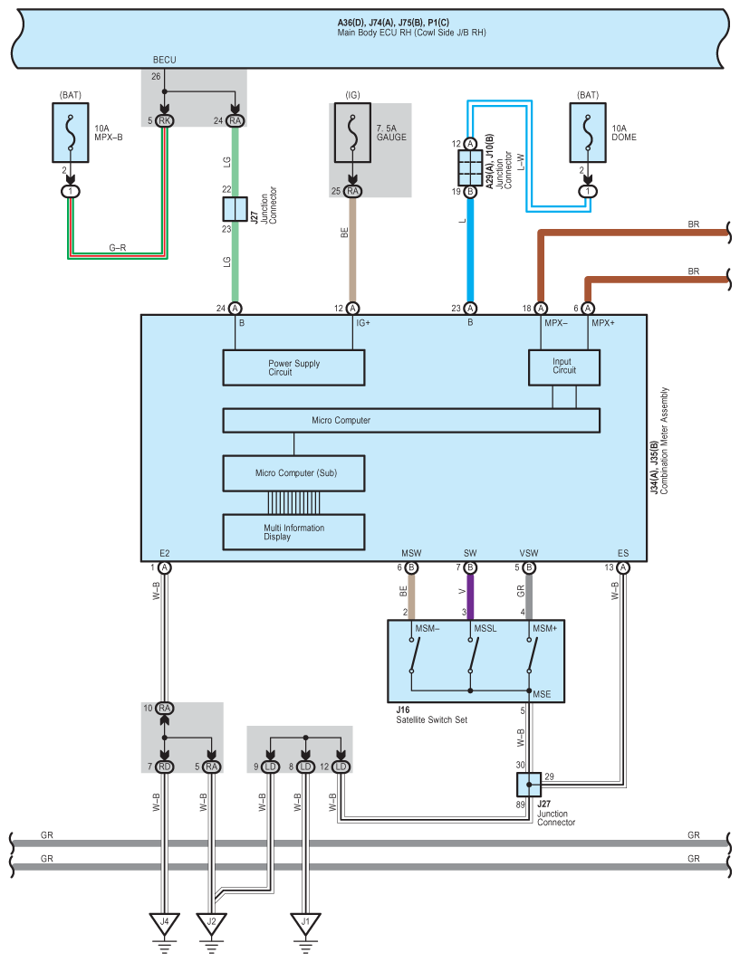
Fig 2: Theft Deterrent Wiring Diagram (2 Of 10)
G09121251Courtesy of © TOYOTA, LICENSE AGREEMENT TMS1002
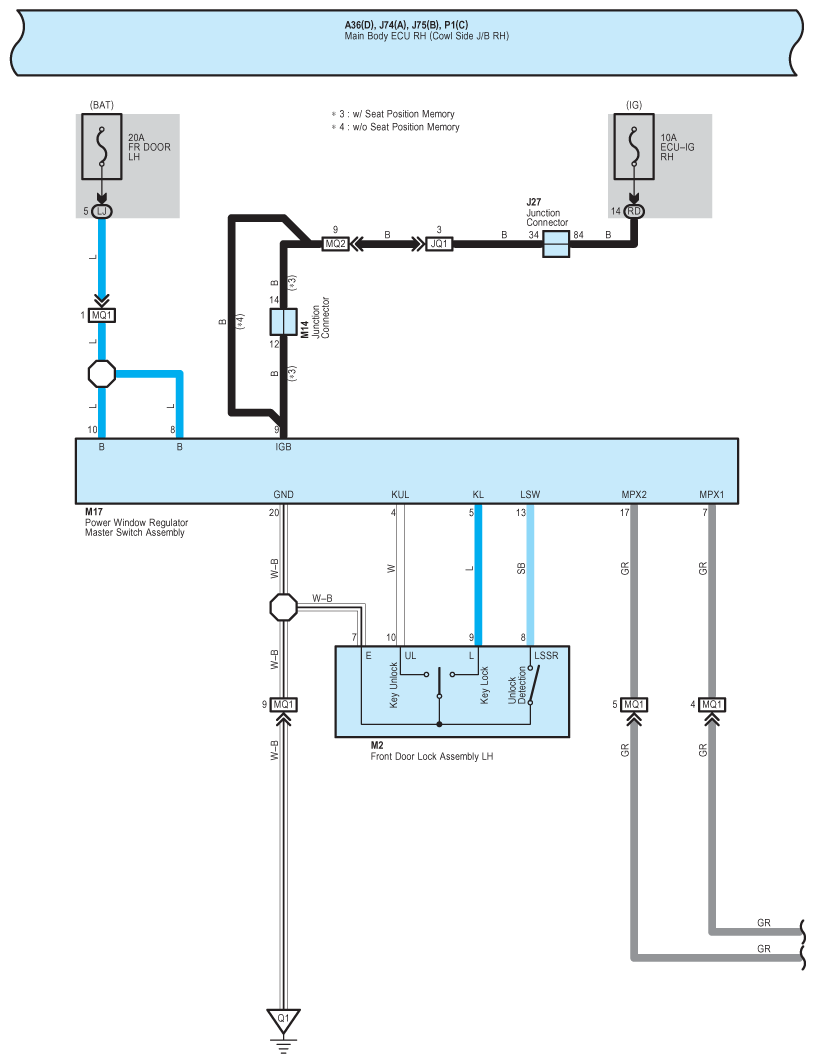
Fig 3: Theft Deterrent Wiring Diagram (3 Of 10)
G09121252Courtesy of © TOYOTA, LICENSE AGREEMENT TMS1002
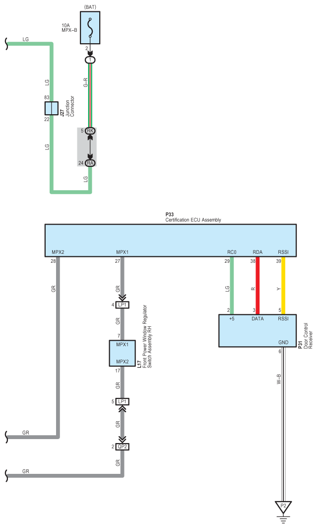
Fig 4: Theft Deterrent Wiring Diagram (4 Of 10)
G09121253Courtesy of © TOYOTA, LICENSE AGREEMENT TMS1002
Fig 5: Theft Deterrent Wiring Diagram (5 Of 10)
G09121254Courtesy of © TOYOTA, LICENSE AGREEMENT TMS1002
Fig 6: Theft Deterrent Wiring Diagram (6 Of 10)
G09121255Courtesy of © TOYOTA, LICENSE AGREEMENT TMS1002
Fig 7: Theft Deterrent Wiring Diagram (7 Of 10)
G09121256Courtesy of © TOYOTA, LICENSE AGREEMENT TMS1002
Fig 8: Theft Deterrent Wiring Diagram (8 Of 10)
G09121257Courtesy of © TOYOTA, LICENSE AGREEMENT TMS1002
Fig 9: Theft Deterrent Wiring Diagram (9 Of 10)
G09121258Courtesy of © TOYOTA, LICENSE AGREEMENT TMS1002
Fig 10: Theft Deterrent Wiring Diagram (10 Of 10)
G09121259Courtesy of © TOYOTA, LICENSE AGREEMENT TMS1002