LEMON Manuals: Even more car manuals for everyone
Home >> Lexus >> 2013 >> IS 250C Base >> Repair and Diagnosis >> Electrical >> Body Electrical >> OEM System Circuits >> SRS >> Notes

OEM System Circuits: SRS: Notes

NOTE: When inspecting or repairing the SRS, perform service in accordance with the following precautionary instructions and the procedures.
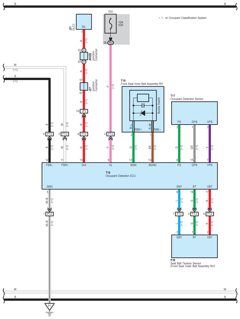
Fig 2: SRS Wiring Diagram (1 Of 6)
G09121336Courtesy of © TOYOTA, LICENSE AGREEMENT TMS1002
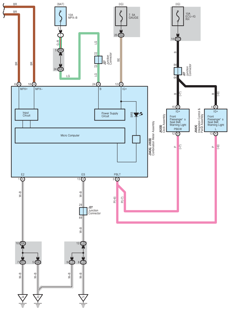
Fig 3: SRS Wiring Diagram (2 Of 6)
G09121337Courtesy of © TOYOTA, LICENSE AGREEMENT TMS1002
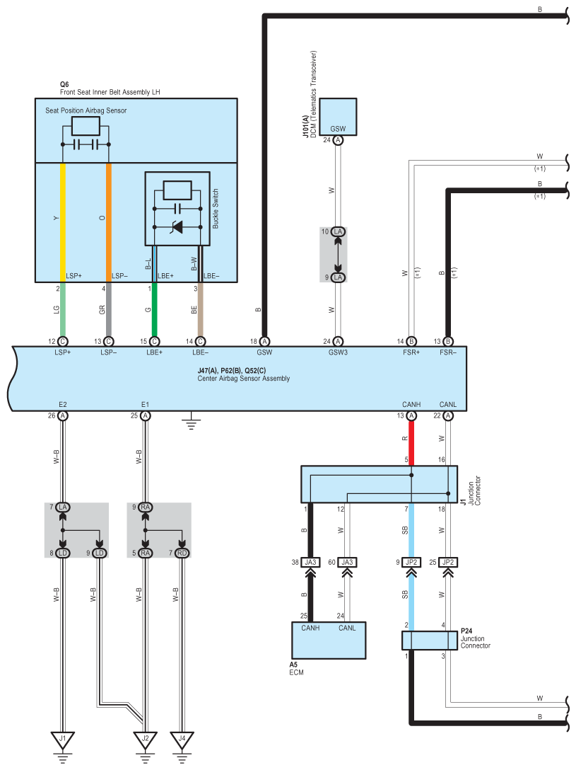
Fig 4: SRS Wiring Diagram (3 Of 6)
G09121338Courtesy of © TOYOTA, LICENSE AGREEMENT TMS1002
Fig 5: SRS Wiring Diagram (4 Of 6)
G09121339Courtesy of © TOYOTA, LICENSE AGREEMENT TMS1002
Fig 6: SRS Wiring Diagram (5 Of 6)
G09121340Courtesy of © TOYOTA, LICENSE AGREEMENT TMS1002
Fig 7: SRS Wiring Diagram (6 Of 6)
G09121341Courtesy of © TOYOTA, LICENSE AGREEMENT TMS1002