LEMON Manuals: Even more car manuals for everyone
Home >> Lexus >> 2013 >> IS 250C Base >> Repair and Diagnosis >> Electrical >> Body Electrical >> OEM System Circuits >> Power Window >> Notes

Power Window: Notes

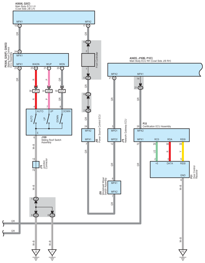
Fig 1: Power Window Wiring Diagram (1 Of 5)
G09121237Courtesy of © TOYOTA, LICENSE AGREEMENT TMS1002
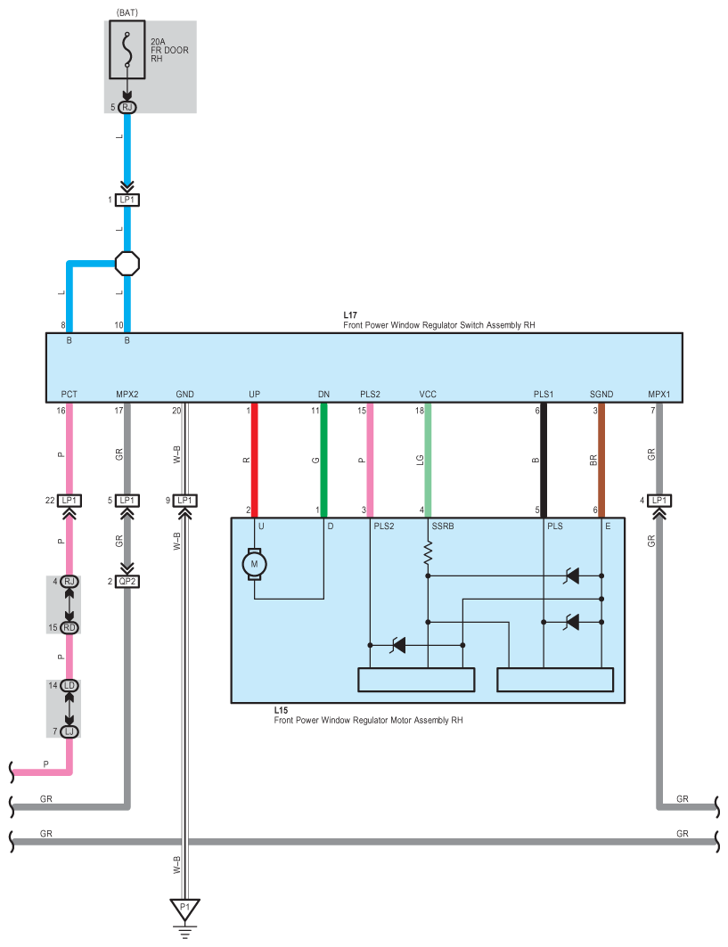
Fig 2: Power Window Wiring Diagram (2 Of 5)
G09121238Courtesy of © TOYOTA, LICENSE AGREEMENT TMS1002
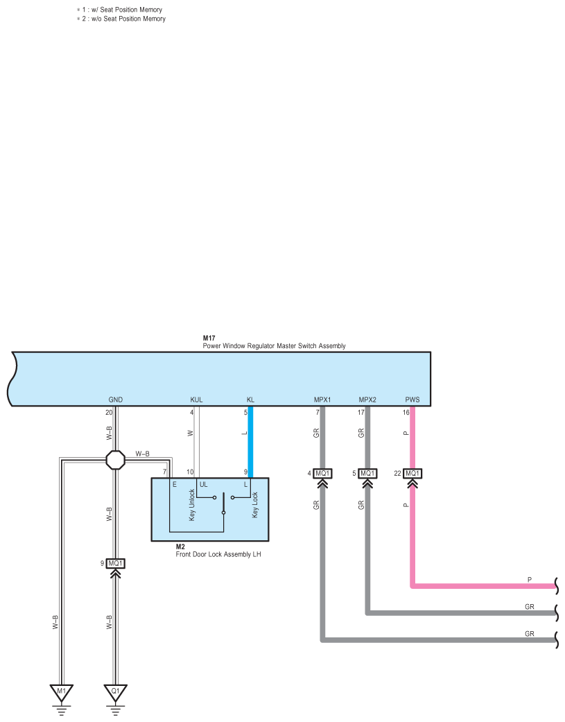
Fig 3: Power Window Wiring Diagram (3 Of 5)
G09121239Courtesy of © TOYOTA, LICENSE AGREEMENT TMS1002
Fig 4: Power Window Wiring Diagram (4 Of 5)
G09121240Courtesy of © TOYOTA, LICENSE AGREEMENT TMS1002
Fig 5: Power Window Wiring Diagram (5 Of 5)
G09121241Courtesy of © TOYOTA, LICENSE AGREEMENT TMS1002