LEMON Manuals: Even more car manuals for everyone
Home >> Lexus >> 2013 >> IS 250C Base >> Repair and Diagnosis >> Electrical >> Body Electrical >> OEM System Circuits >> Fuel Lid Opener >> Notes

Fuel Lid Opener: Notes

Fig 1: Fuel Lid Opener Wiring Diagram (1 Of 2)
G09121375Courtesy of © TOYOTA, LICENSE AGREEMENT TMS1002
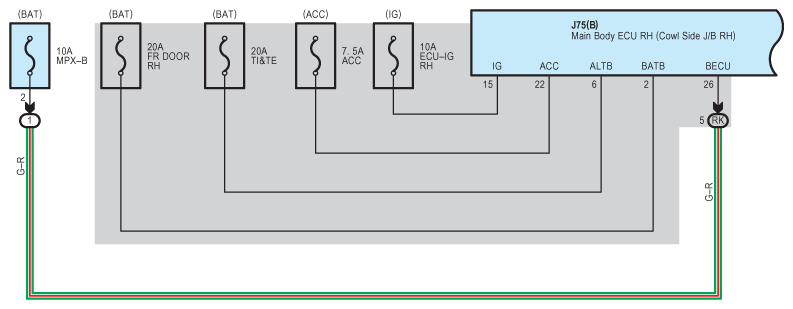
Fig 2: Fuel Lid Opener Wiring Diagram (2 Of 2)
G09121376Courtesy of © TOYOTA, LICENSE AGREEMENT TMS1002