LEMON Manuals: Even more car manuals for everyone
Home >> Lexus >> 2013 >> IS 250C Base >> Repair and Diagnosis >> Electrical >> Body Electrical >> OEM System Circuits >> Engine Control (4GR-FSE) >> Notes

Engine Control (4GR-FSE): Notes

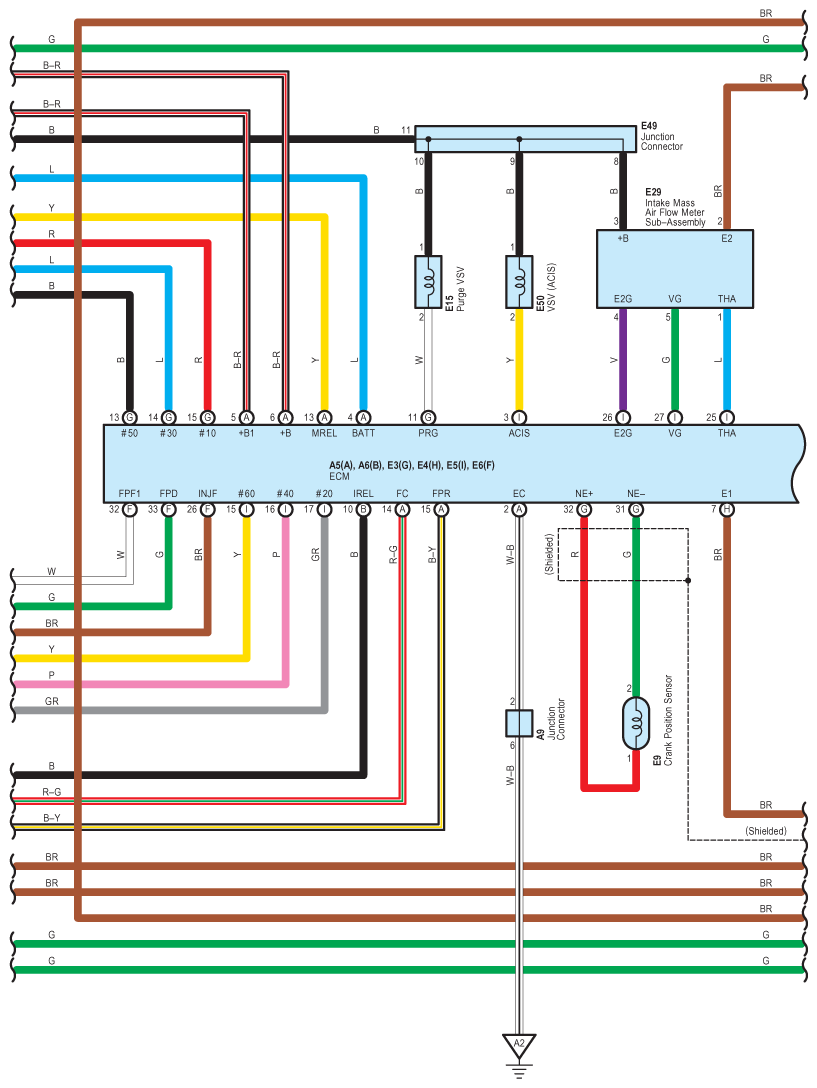
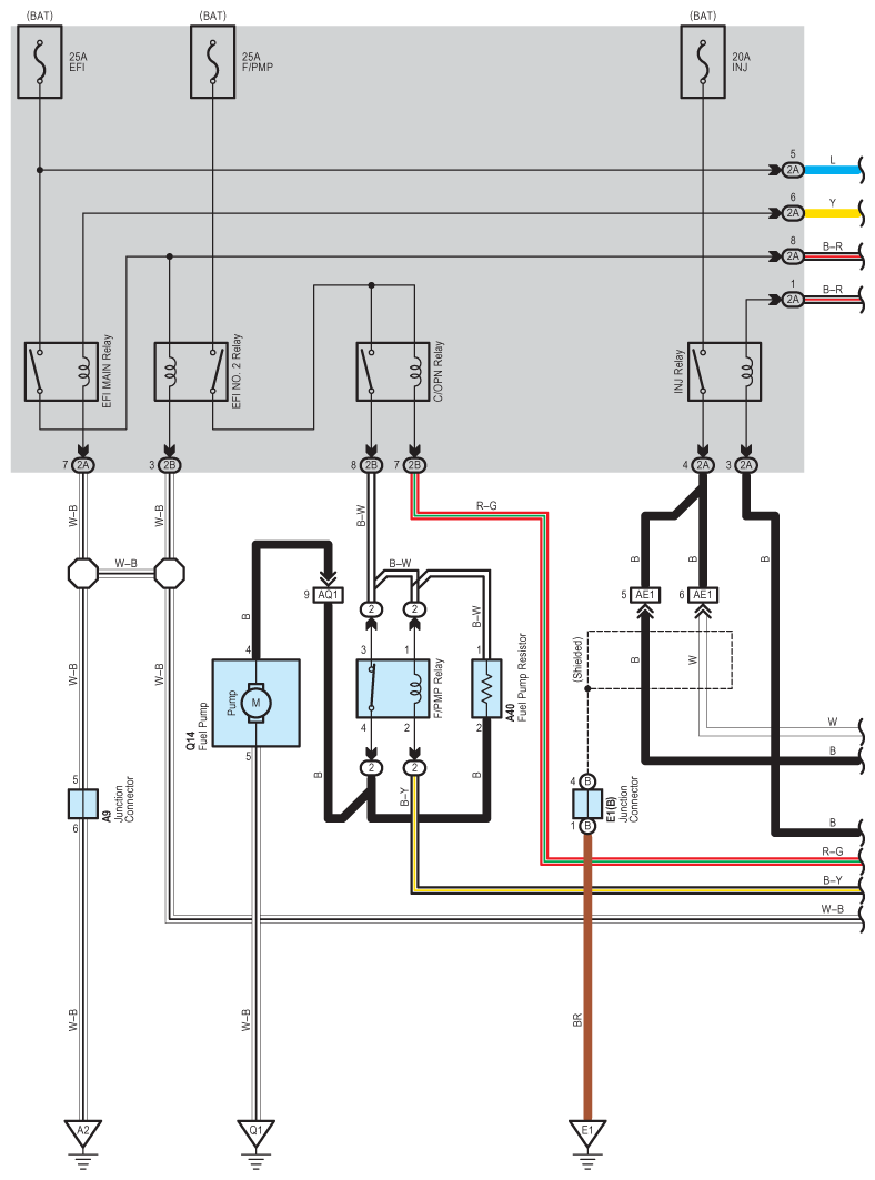
Fig 1: Engine Control (4GR-FSE) Wiring Diagram (1 Of 18)
G09121137Courtesy of © TOYOTA, LICENSE AGREEMENT TMS1002
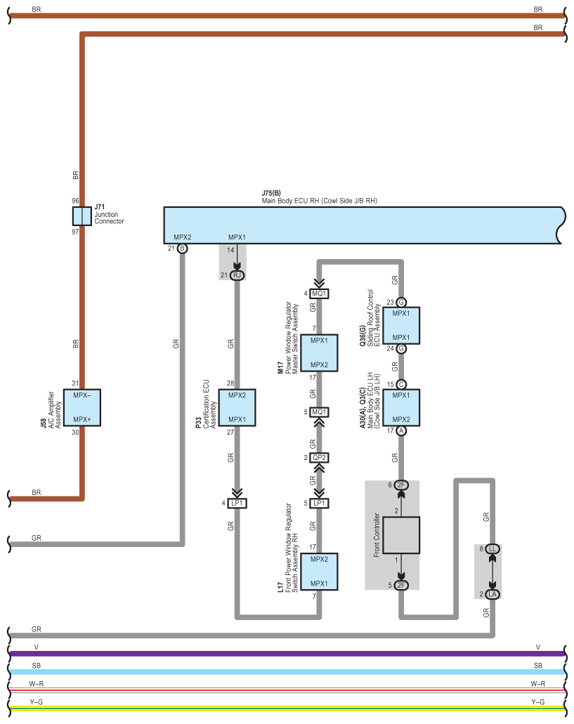
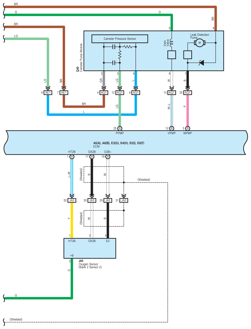
Fig 2: Engine Control (4GR-FSE) Wiring Diagram (2 Of 18)
G09121138Courtesy of © TOYOTA, LICENSE AGREEMENT TMS1002
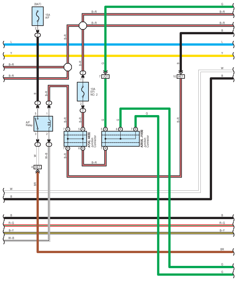
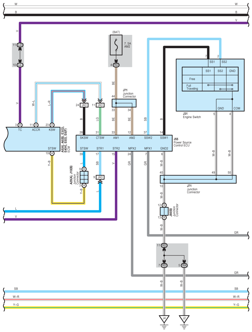
Fig 3: Engine Control (4GR-FSE) Wiring Diagram (3 Of 18)
G09121139Courtesy of © TOYOTA, LICENSE AGREEMENT TMS1002
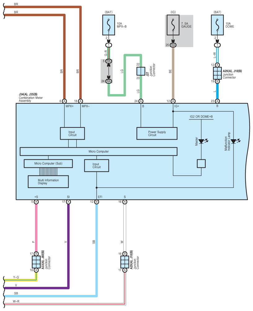
Fig 4: Engine Control (4GR-FSE) Wiring Diagram (4 Of 18)
G09121140Courtesy of © TOYOTA, LICENSE AGREEMENT TMS1002
Fig 5: Engine Control (4GR-FSE) Wiring Diagram (5 Of 18)
G09121141Courtesy of © TOYOTA, LICENSE AGREEMENT TMS1002
Fig 6: Engine Control (4GR-FSE) Wiring Diagram (6 Of 18)
G09121142Courtesy of © TOYOTA, LICENSE AGREEMENT TMS1002
Fig 7: Engine Control (4GR-FSE) Wiring Diagram (7 Of 18)
G09121143Courtesy of © TOYOTA, LICENSE AGREEMENT TMS1002
Fig 8: Engine Control (4GR-FSE) Wiring Diagram (8 Of 18)
G09121144Courtesy of © TOYOTA, LICENSE AGREEMENT TMS1002
Fig 9: Engine Control (4GR-FSE) Wiring Diagram (9 Of 18)
G09121145Courtesy of © TOYOTA, LICENSE AGREEMENT TMS1002
Fig 10: Engine Control (4GR-FSE) Wiring Diagram (10 Of 18)
G09121146Courtesy of © TOYOTA, LICENSE AGREEMENT TMS1002
Fig 11: Engine Control (4GR-FSE) Wiring Diagram (11 Of 18)
G09121147Courtesy of © TOYOTA, LICENSE AGREEMENT TMS1002
Fig 12: Engine Control (4GR-FSE) Wiring Diagram (12 Of 18)
G09121148Courtesy of © TOYOTA, LICENSE AGREEMENT TMS1002
Fig 13: Engine Control (4GR-FSE) Wiring Diagram (13 Of 18)
G09121149Courtesy of © TOYOTA, LICENSE AGREEMENT TMS1002
Fig 14: Engine Control (4GR-FSE) Wiring Diagram (14 Of 18)
G09121150Courtesy of © TOYOTA, LICENSE AGREEMENT TMS1002
Fig 15: Engine Control (4GR-FSE) Wiring Diagram (15 Of 18)
G09121151Courtesy of © TOYOTA, LICENSE AGREEMENT TMS1002
Fig 16: Engine Control (4GR-FSE) Wiring Diagram (16 Of 18)
G09121152Courtesy of © TOYOTA, LICENSE AGREEMENT TMS1002
Fig 17: Engine Control (4GR-FSE) Wiring Diagram (17 Of 18)
G09121153Courtesy of © TOYOTA, LICENSE AGREEMENT TMS1002
Fig 18: Engine Control (4GR-FSE) Wiring Diagram (18 Of 18)
G09121154Courtesy of © TOYOTA, LICENSE AGREEMENT TMS1002