LEMON Manuals: Even more car manuals for everyone
Home >> Lexus >> 2013 >> IS 250C Base >> Repair and Diagnosis >> Electrical >> Body Electrical >> OEM System Circuits >> EPS >> Notes

OEM System Circuits: EPS: Notes

Fig 1: EPS Wiring Diagram (1 Of 4)
G09121331Courtesy of © TOYOTA, LICENSE AGREEMENT TMS1002
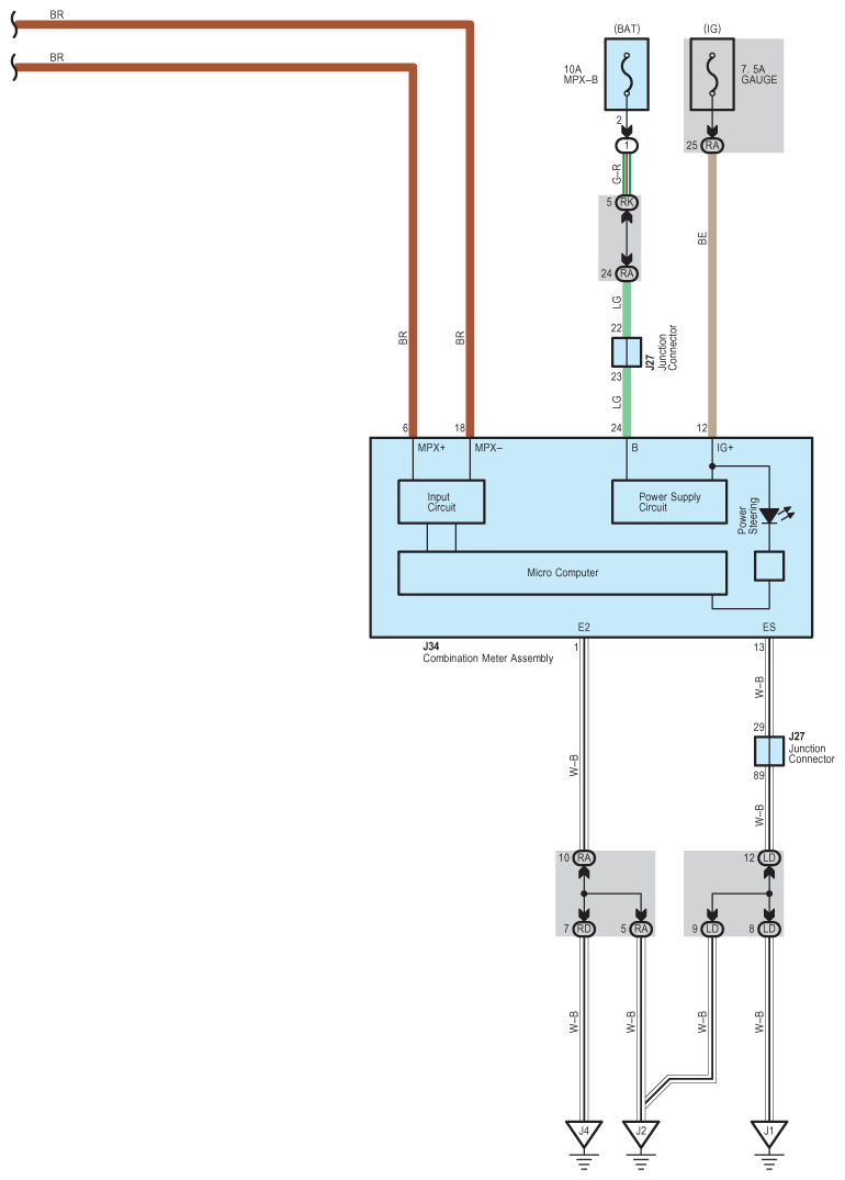
Fig 2: EPS Wiring Diagram (2 Of 4)
G09121332Courtesy of © TOYOTA, LICENSE AGREEMENT TMS1002
Fig 3: EPS Wiring Diagram (3 Of 4)
G09121333Courtesy of © TOYOTA, LICENSE AGREEMENT TMS1002
Fig 4: EPS Wiring Diagram (4 Of 4)
G09121334Courtesy of © TOYOTA, LICENSE AGREEMENT TMS1002