LEMON Manuals: Even more car manuals for everyone
Home >> Lexus >> 2013 >> IS 250C Base >> Repair and Diagnosis (Single Page) >> Suspension >> Wheels & Tire System >> Tire Pressure Warning System (Diagnostic Codes & Circuit Tests) >> Tire Pressure Warning System >> DTC C2121/21, C2122/22, C2123/23, C2124/24, C2131/31, C2132/32, C2133/33, C2134/34, C2181/81, C2182/82, C2183/83, C2184/84: No Signal from Transmitter ID1 in Main Mode; No Signal from Transmitter ID2 in Main Mode; No Signal from Transmitter ID3 in Main Mode; No Signal from Transmitter ID4 in Main Mode; No Signal from Transmitter ID1 in 2nd Mode; No Signal from Transmitter ID2 in 2nd Mode; No Signal from Transmitter ID3 in 2nd Mode; No Signal from Transmitter ID4 in 2nd Mode; Transmitter ID1 not Received (Test Mode DTC); Transmitter ID2 not Received (Test Mode DTC); Transmitter ID3 not Received (Test Mode DTC); Transmitter ID4 not Received (Test Mode DTC) >> Wiring Diagram

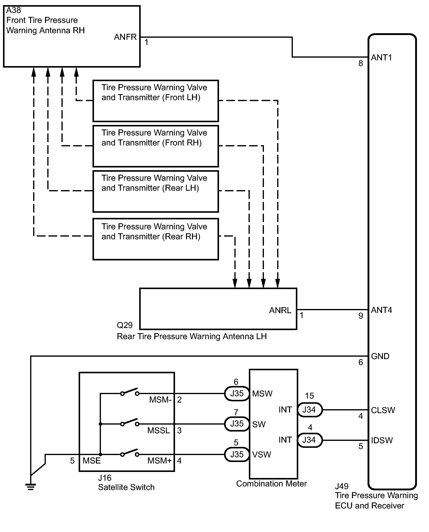
DTC C2121/21, C2122/22, C2123/23, C2124/24, C2131/31, C2132/32, C2133/33, C2134/34, C2181/81, C2182/82, C2183/83, C2184/84: No Signal from Transmitter ID1 in Main Mode; No Signal from Transmitter ID2 in Main Mode; No Signal from Transmitter ID3 in Main Mode; No Signal from Transmitter ID4 in Main Mode; No Signal from Transmitter ID1 in 2nd Mode; No Signal from Transmitter ID2 in 2nd Mode; No Signal from Transmitter ID3 in 2nd Mode; No Signal from Transmitter ID4 in 2nd Mode; Transmitter ID1 not Received (Test Mode DTC); Transmitter ID2 not Received (Test Mode DTC); Transmitter ID3 not Received (Test Mode DTC); Transmitter ID4 not Received (Test Mode DTC): Wiring Diagram

Fig 1: Transmitter Signal - Wiring Diagram
GTY270440Courtesy of © TOYOTA, LICENSE AGREEMENT TMS1002