LEMON Manuals: Even more car manuals for everyone
Home >> Lexus >> 2013 >> IS 250C Base >> Repair and Diagnosis (Single Page) >> Engine Performance >> System >> Engine Control System (Diagnostic Codes (P0657-U0101) & Circuit Tests) >> SFI System >> Circuit Tests >> ECM Power Source Circuit >> Procedure

ECM Power Source Circuit: Procedure

  1. INSPECT ECM (+B, +B1 VOLTAGE) 
    1. Turn the engine switch on (IG).
      GTY354032Courtesy of © TOYOTA, LICENSE AGREEMENT TMS1002
    2. Measure the voltage according to the value(s) in the table below.

      Standard Voltage

      Tester Connection Switch Condition Specified Condition
      A5-6 (+B) - E4-7 (E1) Engine switch on (IG) 11 to 14 V
      A5-5 (+B1) - E4-7 (E1) Engine switch on (IG) 11 to 14 V
      TEXT IN ILLUSTRATION

      *a Component with harness connected
      (ECM)

    NG → See step   2 

    OK → See step   11 

  2. CHECK HARNESS AND CONNECTOR (ECM - BODY GROUND) 
    1. Disconnect the ECM connector.
    2. Measure the resistance according to the value(s) in the table below.

      Standard Resistance (Check for Open)

      Tester Connection Condition Specified Condition
      E4-7 (E1) - Body ground Always Below 1 Ω
    3. Reconnect the ECM connector.

    NG → REPAIR OR REPLACE HARNESS OR CONNECTOR 

    OK: Go to next step 

  3. INSPECT ECM (IGSW VOLTAGE) 
    1. Turn the engine switch on (IG).
      GTY354031Courtesy of © TOYOTA, LICENSE AGREEMENT TMS1002
    2. Measure the voltage according to the value(s) in the table below.

      Standard Voltage

      Tester Connection Switch Condition Specified Condition
      A5-17 (IGSW) - E4-7 (E1) Engine switch on (IG) 11 to 14 V
      TEXT IN ILLUSTRATION

      *a Component with harness connected
      (ECM)

    NG → See step   8 

    OK: Go to next step 

  4. INSPECT ECM (MREL VOLTAGE) 
    1. Turn the engine switch on (IG).
      GTY354030Courtesy of © TOYOTA, LICENSE AGREEMENT TMS1002
    2. Measure the voltage according to the value(s) in the table below.

      Standard Voltage

      Tester Connection Switch Condition Specified Condition
      A5-13 (MREL) - E4-7 (E1) Engine switch on (IG) 11 to 14 V
      TEXT IN ILLUSTRATION

      *a Component with harness connected
      (ECM)

    NG → See step   12 

    OK: Go to next step 

  5. INSPECT INTEGRATION RELAY (EFI MAIN RELAY) 
    1. Inspect the integration relay (EFI MAIN relay). Refer to INSPECTION [08/2012 - ] .

    NG → See step   13 

    OK: Go to next step 

  6. CHECK HARNESS AND CONNECTOR (EFI MAIN RELAY - ECM AND BODY GROUND) 
    1. Check the harness and the connectors between the integration relay and the ECM.
      1. Remove the integration relay from the engine room relay block No. 2.
      2. Disconnect the ECM connector.
      3. Measure the resistance according to the value(s) in the table below.

        Standard Resistance (Check for Open)

        Tester Connection Condition Specified Condition
        2A-6 - A5-13 (MREL) Always Below 1 Ω

        Standard Resistance (Check for Short)

        Tester Connection Condition Specified Condition
        2A-6 or A5-13 (MREL) - Body ground Always 10 kΩ or higher
      4. Reconnect the ECM connector.
    2. Check the harness and the connectors between the integration relay and body ground.
      1. Measure the resistance according to the value(s) in the table below.

        Standard Resistance (Check for Open)

        Tester Connection Condition Specified condition
        2A-7 - Body ground Always Below 1 Ω
      2. Reinstall the integration relay.

    NG → REPAIR OR REPLACE HARNESS OR CONNECTOR 

    OK: Go to next step 

  7. CHECK HARNESS AND CONNECTOR (EFI MAIN RELAY - ECM) 
    1. Remove the integration relay from the engine room relay block No. 2.
    2. Disconnect the ECM connector.
    3. Measure the resistance according to the value(s) in the table below.

      Standard Resistance (Check for Open)

      Tester Connection Condition Specified Condition
      2A-8 - A5-6 (+B) Always Below 1 Ω
      2A-8 - A5-5 (+B1) Always Below 1 Ω

      Standard Resistance (Check for Short)

      Tester Connection Condition Specified Condition
      2A-8 or A5-6 (+B) - Body ground Always 10 kΩ or higher
      2A-8 or A5-5 (+B1) - Body ground Always 10 kΩ or higher
    4. Reinstall the integration relay.
    5. Reconnect the ECM connector.

    NG → REPAIR OR REPLACE HARNESS OR CONNECTOR 

    OK → REPAIR OR REPLACE HARNESS OR CONNECTOR (BATTERY - INTEGRATION RELAY) 

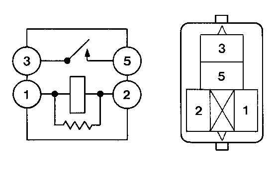
  8. INSPECT RELAY (IG2 RELAY) 
    1. Remove the IG2 relay from the engine room relay block No. 2.
      GTY100984Courtesy of © TOYOTA, LICENSE AGREEMENT TMS1002
    2. Measure the resistance according to the value(s) in the table below.

      Standard Resistance

      Tester Connection Condition Specified Condition
      3 - 5 No battery voltage applied across terminals 1 and 2 10 kΩ or higher
      3 - 5 Battery voltage applied across terminals 1 and 2 Below 1 Ω
    3. Reinstall the IG2 relay.

    NG → REPLACE RELAY (IG2 RELAY) 

    OK: Go to next step 

  9. CHECK HARNESS AND CONNECTOR (ECM - IG2 RELAY) 
    1. Remove the IG2 relay from the engine room relay block No. 2.
    2. Disconnect the ECM connector.
    3. Measure the resistance according to the value(s) in the table below.

      Standard Resistance (Check for Open)

      Tester Connection Condition Specified Condition
      IG2 relay terminal 3 - A5-17 (IGSW) Always Below 1 Ω

      Standard Resistance (Check for Short)

      Tester Connection Condition Specified Condition
      IG2 relay terminal 3 or A5-17 (IGSW) - Body ground Always 10 kΩ or higher
    4. Reinstall the IG2 relay.
    5. Reconnect the ECM connector.

    NG → REPAIR OR REPLACE HARNESS OR CONNECTOR 

    OK: Go to next step 

  10. CHECK HARNESS AND CONNECTOR (IG2 RELAY POWER SOURCE CIRCUIT) 
    1. Remove the IG2 relay from the engine room relay block No. 2.
    2. Measure the voltage according to the value(s) in the table below.

      Standard Voltage

      Tester Connection Switch Condition Specified Condition
      IG2 relay terminal 5 - Body ground Always 11 to 14 V
    3. Reinstall the IG2 relay.

    NG → REPAIR OR REPLACE HARNESS OR CONNECTOR (IG2 RELAY - BATTERY) 

    OK → See step   14 

  11. PROCEED TO NEXT SUSPECTED AREA SHOWN IN PROBLEM SYMPTOMS TABLE. Refer to  PROBLEM SYMPTOMS TABLE [08/2012 - ] 
  12. REPLACE ECM. Refer to  REMOVAL [08/2012 - ] 
  13. REPLACE INTEGRATION RELAY. Refer to  REMOVAL [08/2012 - ] 
  14. GO TO SMART ACCESS SYSTEM WITH PUSH-BUTTON START. Refer to  PROBLEM SYMPTOMS TABLE [08/2012 - ]