LEMON Manuals: Even more car manuals for everyone
Home >> Lexus >> 2013 >> IS 250C Base >> Repair and Diagnosis (Single Page) >> Engine Mechanical >> Starter >> Smart Access System (Keyless Start) (Diagnostics & Circuit Tests) >> SMART ACCESS SYSTEM WITH PUSH-BUTTON START (For Start Function) >> Circuit Tests >> Power Source Mode does not Change >> Wiring Diagram

Power Source Mode does not Change: Wiring Diagram

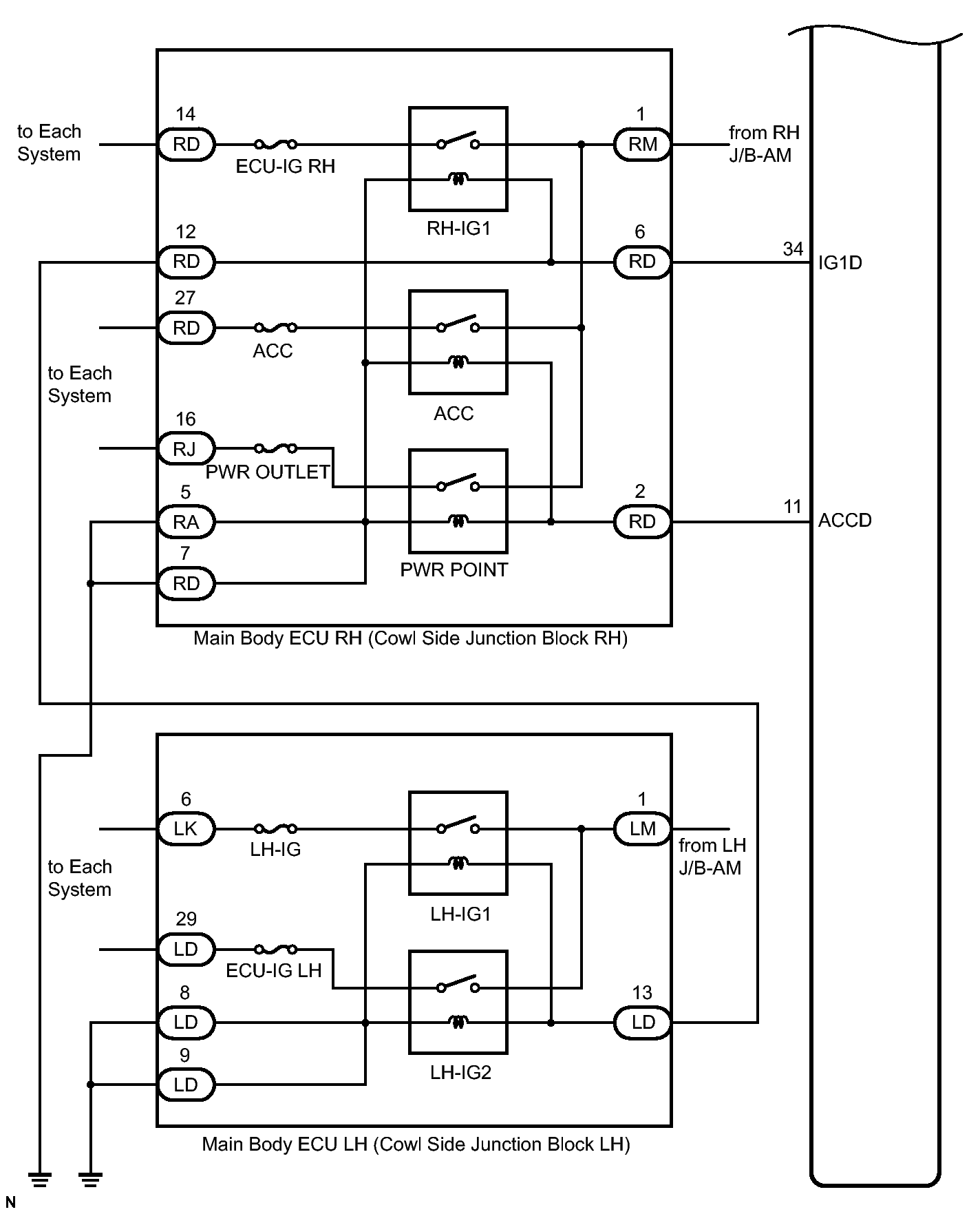
Fig 1: Main Body ECU And Power Source Control ECU Wiring Diagram (1 Of 2)
GTY114763Courtesy of © TOYOTA, LICENSE AGREEMENT TMS1002
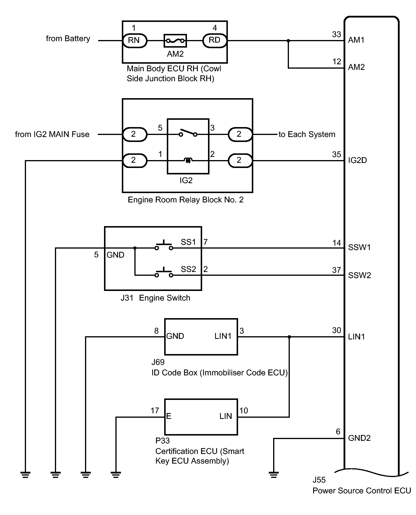
Fig 2: Main Body ECU And Power Source Control ECU Wiring Diagram (2 Of 2)
GTY256308Courtesy of © TOYOTA, LICENSE AGREEMENT TMS1002