LEMON Manuals: Even more car manuals for everyone
Home >> Lexus >> 2013 >> IS 250C Base >> Repair and Diagnosis (Single Page) >> Electrical >> Starter >> Smart Access System (Keyless Start) (Diagnostics & Circuit Tests) >> SMART ACCESS SYSTEM WITH PUSH-BUTTON START (For Start Function) >> Circuit Tests >> Engine does not Start >> Procedure

Engine does not Start: Procedure

  1. CHECK THE ENGINE SWITCH CONDITION 
    1. Check the power source mode changes.
      1. When the key is inside the vehicle and the shift lever is in P, check that the power source mode changes.

        OK

        off → on (ACC) → on (IG) → off

    NG → See step   32 

    OK: Go to next step 

  2. CHECK DTC 
    1. Clear the DTCs. Refer to DTC CHECK/CLEAR [08/2012 - ] .
    2. Check for DTCs again.
    3. Proceed to the next step based on the inspection result.

      Result

      Result Proceed to
      No DTC is output A
      Smart access system with push-button start (for start function) DTCs are output B
      Steering lock system DTCs are output C
      Engine immobilizer system DTCs are output D
      Vehicle stability control system DTCs are output E

    B → See step   33 

    C → See step   34 

    D → See step   35 

    E → See step   36 

    A: Go to next step 

  3. CHECK CRANKING FUNCTION 
    1. Check the engine cranking function.
      1. When there is fuel in the fuel tank, the key is inside the vehicle, and the shift lever is in P, check that depressing the brake pedal and pressing the engine switch crank the engine.

        OK

        Engine cranks.

    NG → See step   9 

    OK: Go to next step 

  4. READ VALUE USING TECHSTREAM (ENGINE START REQUEST) 
    1. Connect the Techstream to the DLC3.
    2. Turn the engine switch on (IG).
    3. Turn the Techstream on.
    4. Enter the following menus: Body Electrical / Smart Access / Data List.
    5. Read the Data List according to the display on the Techstream.

      HINT: 

      When using the Techstream with the engine switch off, turn on and off any of the door courtesy light switches repeatedly at 1.5 second intervals or less until communication between the Techstream and vehicle starts.

      SMART ACCESS

      Tester Display Measurement Item/Range Normal Condition Diagnostic Note
      Engine Start Request Start request signal response/OK or NG OK: Received
      NG: Not received
      -

      OK

      "OK" (received) and "NG" (not received) appear on the screen according to vehicle operating conditions.

    NG → See step   21 

    OK: Go to next step 

  5. REPLACE ID CODE BOX (IMMOBILIZER CODE ECU) 
    1. Replace the ID code box (immobilizer code ECU). Refer to REGISTRATION [08/2012 - ] .

    NEXT: Go to next step 

  6. REGISTER RECOGNITION CODE (ECU CODE) 
    1. Register the recognition code (ECU code). Refer to REGISTRATION [08/2012 - ] .

    NEXT: Go to next step 

  7. ECU COMMUNICATION ID REGISTRATION 
    1. Register the ECU communication ID. Refer to REGISTRATION [08/2012 - ] .

    NEXT: Go to next step 

  8. CHECK IF THE ENGINE START 
    1. Check the engine cranking function.
      1. When there is fuel in the fuel tank, the key is inside the vehicle, and the shift lever is in P, check that depressing the brake pedal and pressing the engine switch crank the engine.

        OK

        Engine can be started.

    NG → See step   37 

    OK → END (ID CODE BOX (IMMOBILIZER CODE ECU WAS DEFECTIVE) 

  9. CHECK STEERING LOCK 
    1. Check if the steering lock is released when turning the engine switch on (ACC).

      OK

      The steering lock is released.

    NG → See step   38 

    OK: Go to next step 

  10. READ VALUE USING TECHSTREAM (S CODE) 
    1. Connect the Techstream to the DLC3.
    2. Turn the engine switch on (IG).
    3. Turn the Techstream on.
    4. Enter the following menus: Body Electrical / Smart Access / Data List.
    5. Read the Data List according to the display on the Techstream.

      HINT: 

      When using the Techstream with the engine switch off, turn on and off any of the door courtesy light switches repeatedly at 1.5 second intervals or less until communication between the Techstream and vehicle starts.

      SMART ACCESS

      Tester Display Measurement Item/Range Normal Condition Diagnostic Note
      S Code Check S code check/OK or NG OK: Normal
      NG: Malfunction
      -

      OK

      "OK" is displayed on the screen.

    NG → See step   21 

    OK: Go to next step 

  11. READ VALUE USING TECHSTREAM (L CODE) 
    1. Read the Data List according to the display on the Techstream.

      HINT: 

      When using the Techstream with the engine switch off, turn on and off any of the door courtesy light switches repeatedly at 1.5 second intervals or less until communication between the Techstream and vehicle starts.

      SMART ACCESS

      Tester Display Measurement Item/Range Normal Condition Diagnostic Note
      L Code Check L code check/OK or NG OK: Normal
      NG: Malfunction
      -

      Result

      Result Proceed to
      "NG" is displayed on the screen. A
      "OK" is not displayed on the screen. B

      OK

      "OK" is displayed on the screen.

    B → See step   16 

    A: Go to next step 

  12. READ VALUE USING TECHSTREAM (STOP LIGHT SWITCH) 
    1. Read the Data List according to the display on the Techstream.
      SMART KEY

      Tester Display Measurement Item/Range Normal Condition Diagnostic Note
      Stop Light Switch1 Stop light switch 1/ON or OFF OK: Brake pedal depressed
      NG: Brake pedal released
      -

      OK

      OK (brake pedal depressed) and OFF (brake pedal released) appear on the screen according to vehicle operating conditions.

    NG → See step   26 

    OK: Go to next step 

  13. READ VALUE USING TECHSTREAM (PARK/NEUTRAL POSITION SWITCH) 
    1. Enter the following menus: Body / Power Source Control / Data List.
    2. Read the Data List according to the display on the Techstream.
      POWER SOURCE CONTROL

      Tester Display Measurement Item/Range Normal Condition Diagnostic Note
      Neutral SW Park/Neutral position switch/ON or OFF ON: Shift lever is in P or N
      OFF: Shift lever is not in P nor N
      -

      Result

      Result Proceed to
      "ON" (Shift lever is in P or N) or "OFF" (Shift lever is neither in P nor N) appears on the screen according to vehicle operating conditions. A
      "ON" (Shift lever is in P or N) or "OFF" (Shift lever is neither in P nor N) does not appear on the screen according to vehicle operating conditions. B

    B → See step   30 

    A: Go to next step 

  14. CHECK HARNESS AND CONNECTOR (POWER SOURCE CONTROL ECU - ECM) 
    1. Disconnect the J55 connector from the power source control ECU.
      GTY259075Courtesy of © TOYOTA, LICENSE AGREEMENT TMS1002
    2. Disconnect the A5 connector from the ECM.
    3. Measure the resistance according to the value(s) in the table below.

      Standard Resistance

      Tester Connection Condition Specified Condition
      J55-39 (STSW) - A5-19 (STSW) Always Below 1 Ω
      J55-39 (STSW) or A5-19 (STSW) - Body ground Always 10 kΩ or higher
      TEXT IN ILLUSTRATION

      *1 Front view of wire harness connector
      (to Power Source Control ECU)
      *2 Front view of wire harness connector
      (to ECM)

    NG → REPAIR OR REPLACE HARNESS OR CONNECTOR (POWER SOURCE CONTROL ECU - ECM) 

    OK: Go to next step 

  15. CHECK POWER SOURCE CONTROL ECU 
    1. Reconnect the J55 connector to the power source control ECU.
      GTY274078Courtesy of © TOYOTA, LICENSE AGREEMENT TMS1002
    2. Measure the voltage according to the value(s) in the table below.

      Standard Voltage

      Tester Connection Condition Specified Condition
      A5-19 (STSW) - Body ground Brake pedal depressed, engine switch hold on (ST) Output voltage at terminals AM1 or AM2 is -2 V or more.
      TEXT IN ILLUSTRATION

      *1 Front view of wire harness connector
      (to ECM)

    NG → See step   39 

    OK → See step   40 

  16. KEY REGISTRATION 
    1. Register the key. Refer to REGISTRATION [08/2012 - ] .

    NEXT: Go to next step 

  17. CHECK IF ENGINE START 
    1. The shift lever is in P.
    2. Open and close the driver door with the engine switch off.
    3. Check if the engine can be started.

      OK

      Engine can be started.

      HINT: 

      After the battery is discharged and then recharged, the engine may not start unless the steering lock is initialized using the above procedure.

    NG → See step   18 

    OK → END 

  18. REPLACE STEERING LOCK ACTUATOR 
    1. Replace the steering lock actuator. Refer to DISASSEMBLY [08/2012 - ] .

    NEXT: Go to next step 

  19. REGISTER RECOGNITION CODE (ECU CODE) 
    1. Register the recognition code (ECU code). Refer to REGISTRATION [08/2012 - ] .

    NEXT: Go to next step 

  20. CHECK IF ENGINE START 
    1. The shift lever is in P.
    2. Open and close the driver door with the engine switch off.
    3. Check if the engine can be started.

      OK

      Engine can be started.

      HINT: 

      After the battery is discharged and then recharged, the engine may not start unless the steering lock is initialized using the above procedure.

    NG → See step   41 

    OK → END (STEERING LOCK ECU WAS DEFECTIVE) 

  21. REGISTER RECOGNITION CODE (ECU CODE) 
    1. Register the recognition code (ECU code). Refer to REGISTRATION [08/2012 - ] .

    NEXT: Go to next step 

  22. CHECK IF ENGINE START 
    1. Check the engine cranking function.
      1. When there is fuel in the fuel tank, the key is inside the vehicle, and the shift lever is in P, check that depressing the brake pedal and pressing the engine switch crank the engine.

        OK

        Engine can be started.

    NG → See step   23 

    OK → END 

  23. REPLACE CERTIFICATION ECU (SMART KEY ECU ASSEMBLY) 
    1. Replace the certification ECU (smart key ECU assembly). Refer to REMOVAL [08/2012 - ] .

    NEXT: Go to next step 

  24. KEY REGISTRATION 
    1. Register the key. Refer to REGISTRATION [08/2012 - ] .

    NEXT: Go to next step 

  25. CHECK IF ENGINE START 
    1. Check the engine cranking function.
      1. When there is fuel in the fuel tank, the key is inside the vehicle, and the shift lever is in P, check that depressing the brake pedal and pressing the engine switch crank the engine.

        OK

        Engine can be started.

    NG → See step   42 

    OK → END (CERTIFICATION ECU (SMART KEY ECU ASSEMBLY) WAS DEFECTIVE) 

  26. INSPECT STOP LIGHT SWITCH ASSEMBLY 
    1. Remove the stop light switch. Refer to REMOVAL [08/2012 - ] .
      GTY279967Courtesy of © TOYOTA, LICENSE AGREEMENT TMS1002
    2. Measure the resistance according to the value(s) in the table below.

      Standard Resistance

      Tester Connection Switch Condition Specified Condition
      1 - 2 Switch pin not pushed Below 1 Ω
      Switch pin pushed 10 kΩ or higher
      3 - 4 Switch pin not pushed 10 kΩ or higher
      Switch pin pushed Below 1 Ω
      TEXT IN ILLUSTRATION

      *1 Component without harness connected
      (Stop Light Switch)
      *2 Free
      *3 Pushed in

    NG → See step   43 

    OK: Go to next step 

  27. CHECK HARNESS AND CONNECTOR (POWER SOURCE CONTROL ECU - STOP LIGHT SWITCH) 
    1. Disconnect the J55 connector from the power source control ECU.
      GTY280684Courtesy of © TOYOTA, LICENSE AGREEMENT TMS1002
    2. Measure the resistance according to the value(s) in the table below.

      Standard Resistance

      Tester Connection Condition Specified Condition
      J55-1 (STP) - A22-1 Always Below 1 Ω
      J55-1 (STP) or A22-1 - Body ground Always 10 kΩ or higher
      TEXT IN ILLUSTRATION

      *1 Front view of wire harness connector
      (to Power Source Control ECU)
      *2 Front view of wire harness connector
      (to Stop Light Switch)

    NG → REPAIR OR REPLACE HARNESS OR CONNECTOR (POWER SOURCE CONTROL ECU - STOP LIGHT SWITCH) 

    OK → See step   44 

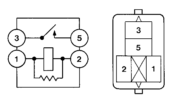
  28. INSPECT STARTER RELAY 
    1. Remove the starter relay from the engine room relay block No. 1.
      GTY120775Courtesy of © TOYOTA, LICENSE AGREEMENT TMS1002
    2. Measure the resistance according to the value(s) in the table below.

      Standard Resistance

      Tester Connection Condition Specified Condition
      3 - 5 Battery voltage is not applied between terminals 1 and 2 10 MΩ or higher
      3 - 5 Battery voltage is applied between terminals 1 and 2 Below 1 Ω

    NG → REPLACE STARTER RELAY 

    OK: Go to next step 

  29. CHECK PARK/NEUTRAL POSITION SWITCH 
    1. Disconnect the E45 connector from the park/neutral position switch.
      GTY271578Courtesy of © TOYOTA, LICENSE AGREEMENT TMS1002
    2. Measure the resistance according to the value(s) in the table below.

      Standard Resistance

      Tester Connection Condition Specified Condition
      4 - 5 Shift lever is in P Below 1 Ω
      4 - 5 Shift lever is in N Below 1 Ω
      4 - 5 Shift lever is not in N or P 10 kΩ or higher
      TEXT IN ILLUSTRATION

      *1 Component without harness connected
      (Park/Neutral Position Switch)

    NG → See step   45 

    OK: Go to next step 

  30. CHECK HARNESS AND CONNECTOR (POWER SOURCE CONTROL ECU - PARK/NEUTRAL SWITCH) 
    1. Disconnect the J55 connector.
      GTY257221Courtesy of © TOYOTA, LICENSE AGREEMENT TMS1002
    2. Measure the resistance according to the value(s) in the table below.

      Standard Resistance

      Tester Connection Condition Specified Condition
      J55-17 (STR1) - E45-4 (B) Always Below 1 Ω
      J55-17 (STR1) or E45-4 (B) - Body ground Always 10 kΩ or higher
      TEXT IN ILLUSTRATION

      *1 Front view of wire harness connector
      (to Power Source Control ECU)
      *2 Front view of wire harness connector
      (to Park/Neutral Position Switch)

    NG → REPAIR OR REPLACE HARNESS OR CONNECTOR (POWER SOURCE CONTROL ECU - PARK/NEUTRAL POSITION SWITCH) 

    OK: Go to next step 

  31. CHECK HARNESS AND CONNECTOR (PARK/NEUTRAL POSITION SWITCH - STARTER RELAY) 
    1. Measure the resistance according to the value(s) in the table below.
      GTY280511Courtesy of © TOYOTA, LICENSE AGREEMENT TMS1002

      Standard Resistance

      Tester Connection Condition Specified Condition
      E45-5 (L) - Engine room relay block No. 1 STARTER relay terminal 1 Always Below 1 Ω
      E45-5 (L) or Engine room relay block No. 1 STARTER relay terminal 1 - Body ground Always 10 kΩ or higher
      Engine room relay block No. 1 STARTER relay terminal 2 - Body ground Always Below 1 Ω
      TEXT IN ILLUSTRATION

      *1 Component without relay connected
      (Engine Room Relay Block No. 1)
      *2 Front view of wire harness connector
      (to Park/Neutral Position Switch)

    NG → REPAIR OR REPLACE HARNESS OR CONNECTOR 

    OK → See step   46 

  32. GO TO OTHER FLOW CHART (POWER SOURCE MODE DOES NOT CHANGE). Refer to  Power Source Mode does not Change  
  33. GO TO DIAGNOSTIC TROUBLE CODE TABLE (SMART ACCESS SYSTEM WITH PUSH-BUTTON START). Refer to  DIAGNOSTIC TROUBLE CODE TABLE [08/2012 - ] 
  34. GO TO DIAGNOSTIC TROUBLE CODE TABLE (STEERING LOCK SYSTEM). Refer to  DIAGNOSTIC TROUBLE CODE TABLE [08/2012 - ] 
  35. GO TO DIAGNOSTIC TROUBLE CODE TABLE (ENGINE IMMOBILIZER SYSTEM). Refer to  DIAGNOSTIC TROUBLE CODE TABLE [08/2012 - ] 
  36. GO TO DIAGNOSTIC TROUBLE CODE TABLE (VEHICLE STABILITY CONTROL SYSTEM). Refer to  DIAGNOSTIC TROUBLE CODE TABLE [08/2012 - ] 
  37. GO TO SFI SYSTEM. Refer to  DIAGNOSTIC TROUBLE CODE TABLE [08/2012 - ] 
  38. GO TO STEERING LOCK SYSTEM. Refer to  PROBLEM SYMPTOMS TABLE [08/2012 - ] 
  39. REPLACE POWER SOURCE CONTROL ECU. Refer to  REMOVAL [08/2012 - ] 
  40. GO TO SFI SYSTEM. Refer to  PROBLEM SYMPTOMS TABLE [08/2012 - ] 
  41. REPLACE ID CODE BOX (IMMOBILIZER CODE ECU). Refer to  REMOVAL [08/2012 - ] 
  42. REPLACE ID CODE BOX (IMMOBILIZER CODE ECU). Refer to  REMOVAL [08/2012 - ] 
  43. REPLACE STOP LIGHT SWITCH. Refer to  REMOVAL [08/2012 - ] 
  44. REPLACE POWER SOURCE CONTROL ECU. Refer to  REMOVAL [08/2012 - ] 
  45. REPLACE PARK/NEUTRAL POSITION SWITCH. Refer to  REMOVAL [08/2012 - ] 
  46. REPLACE POWER SOURCE CONTROL ECU. Refer to  REMOVAL [08/2012 - ]