LEMON Manuals: Even more car manuals for everyone
Home >> Lexus >> 2013 >> IS 250C Base >> Repair and Diagnosis (Single Page) >> Electrical >> Body Electrical >> OEM System Circuits >> Remote Control Mirror (w/o Seat Position Memory) >> Notes

Remote Control Mirror (w/o Seat Position Memory): Notes

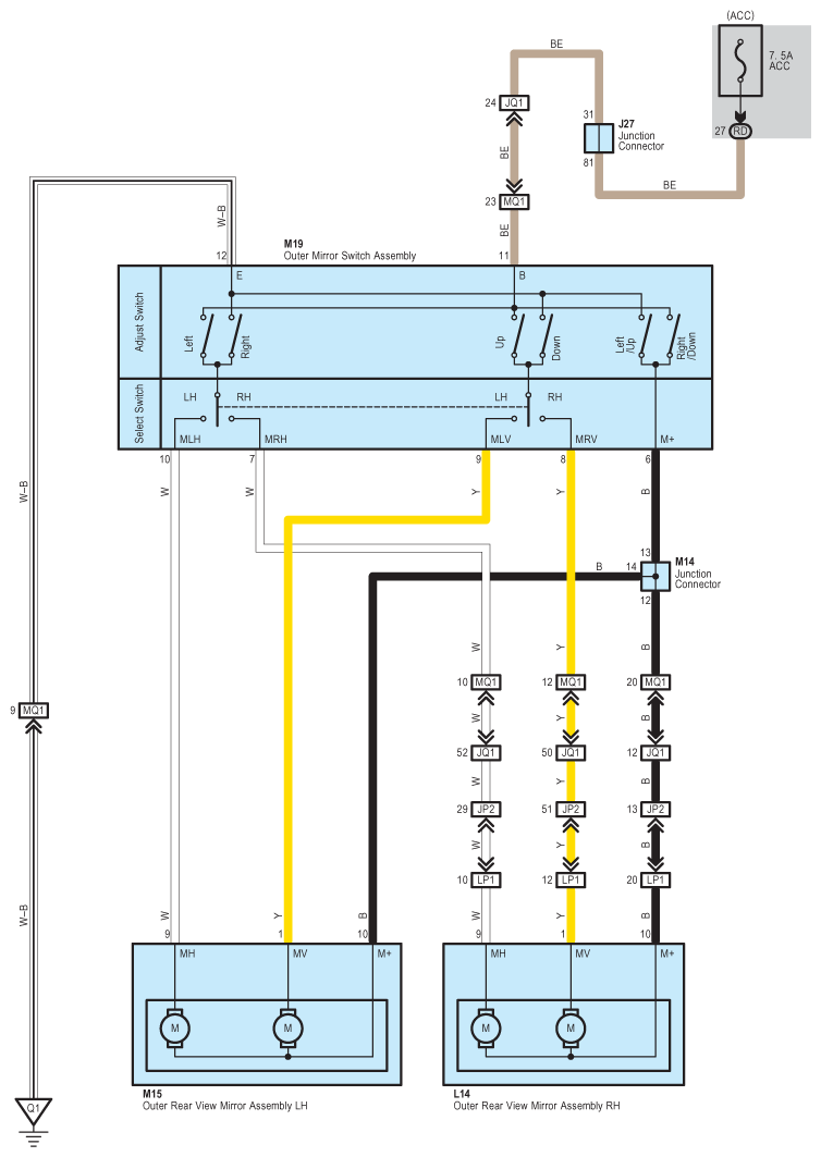
Fig 1: Remote Control Mirror (W/O Seat Position Memory) Wiring Diagram
G09121421Courtesy of © TOYOTA, LICENSE AGREEMENT TMS1002