LEMON Manuals: Even more car manuals for everyone
Home >> Lexus >> 2013 >> IS 250C Base >> Repair and Diagnosis (Single Page) >> Electrical >> Body Electrical >> OEM System Circuits >> Remote Control Mirror (w/Seat Position Memory) >> Notes

Remote Control Mirror (w/Seat Position Memory): Notes

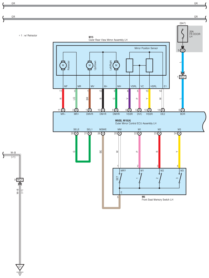
Fig 1: Remote Control Mirror (W/ Seat Position Memory) Wiring Diagram (1 Of 8)
G09121413Courtesy of © TOYOTA, LICENSE AGREEMENT TMS1002
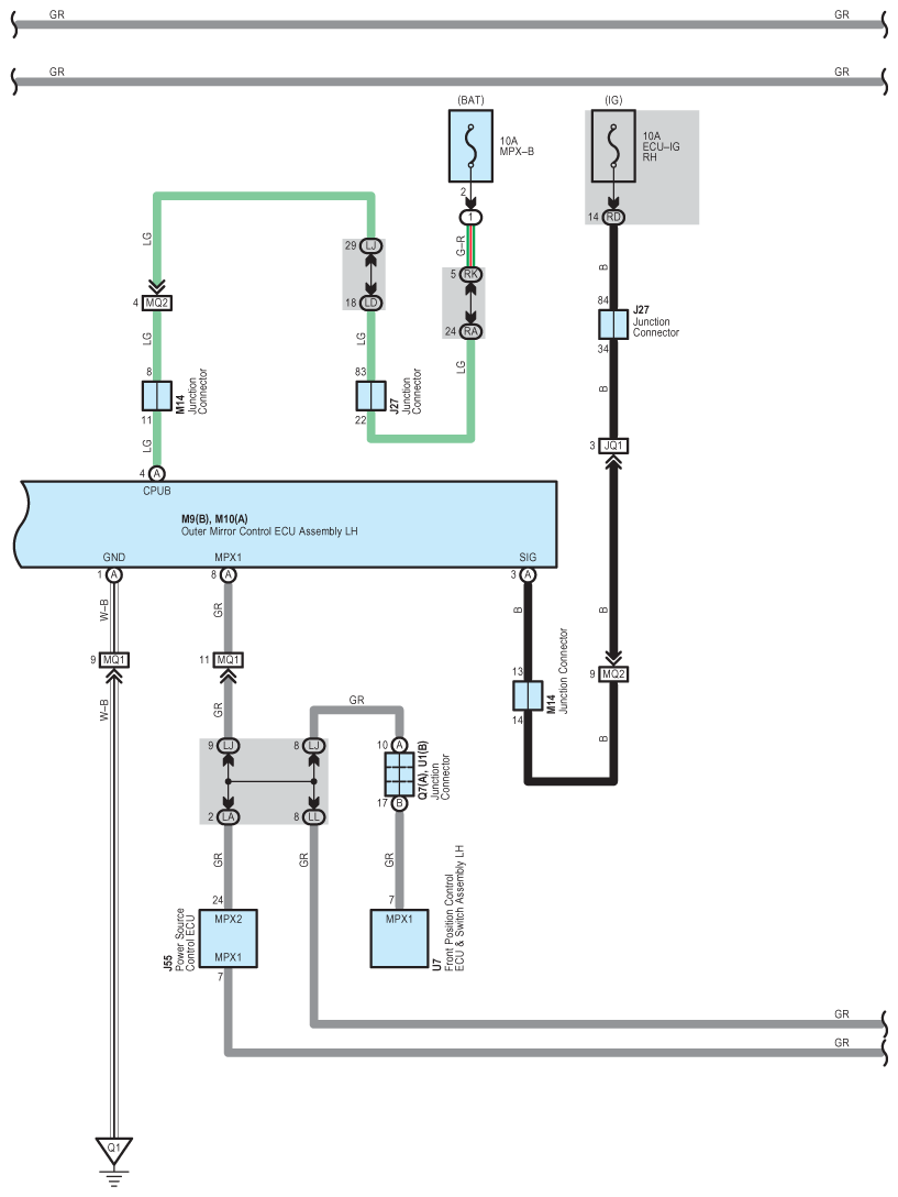
Fig 2: Remote Control Mirror (W/ Seat Position Memory) Wiring Diagram (2 Of 8)
G09121414Courtesy of © TOYOTA, LICENSE AGREEMENT TMS1002
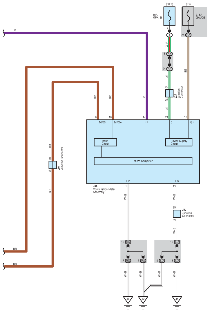
Fig 3: Remote Control Mirror (W/ Seat Position Memory) Wiring Diagram (3 Of 8)
G09121415Courtesy of © TOYOTA, LICENSE AGREEMENT TMS1002
Fig 4: Remote Control Mirror (W/ Seat Position Memory) Wiring Diagram (4 Of 8)
G09121416Courtesy of © TOYOTA, LICENSE AGREEMENT TMS1002
Fig 5: Remote Control Mirror (W/ Seat Position Memory) Wiring Diagram (5 Of 8)
G09121417Courtesy of © TOYOTA, LICENSE AGREEMENT TMS1002
Fig 6: Remote Control Mirror (W/ Seat Position Memory) Wiring Diagram (6 Of 8)
G09121418Courtesy of © TOYOTA, LICENSE AGREEMENT TMS1002
Fig 7: Remote Control Mirror (W/ Seat Position Memory) Wiring Diagram (7 Of 8)
G09121419Courtesy of © TOYOTA, LICENSE AGREEMENT TMS1002
Fig 8: Remote Control Mirror (W/ Seat Position Memory) Wiring Diagram (8 Of 8)
G09121420Courtesy of © TOYOTA, LICENSE AGREEMENT TMS1002