LEMON Manuals: Even more car manuals for everyone
Home >> Lexus >> 2013 >> IS 250C Base >> Repair and Diagnosis (Single Page) >> Electrical >> Body Electrical >> OEM System Circuits >> Interior Light >> Notes

Interior Light: Notes

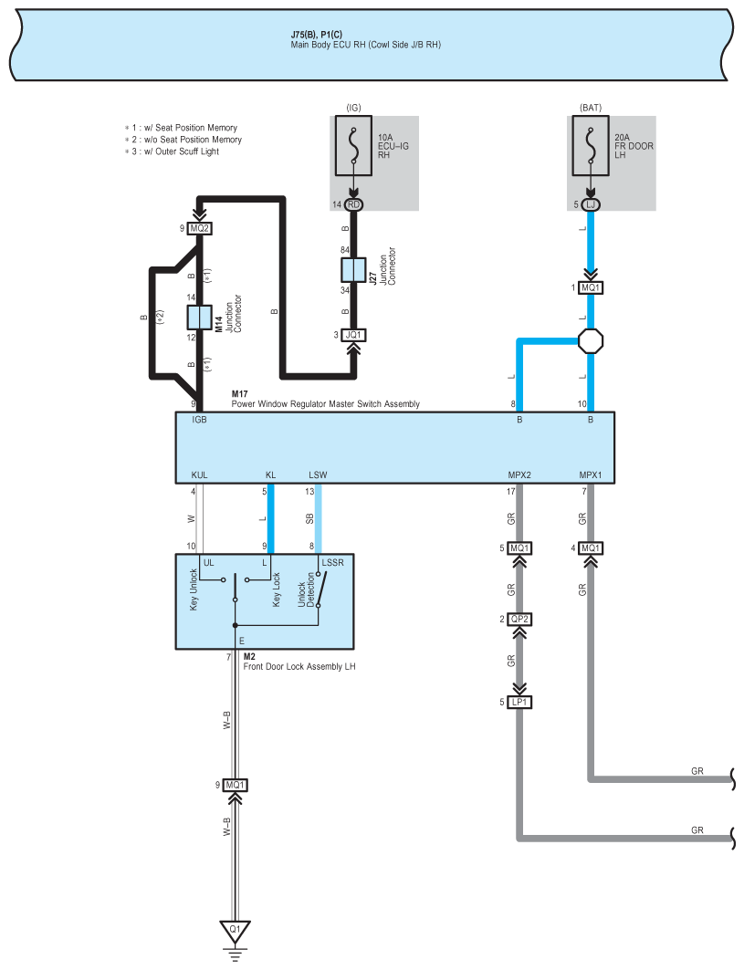
Fig 1: Interior Light Wiring Diagram (1 Of 11)
G09121171Courtesy of © TOYOTA, LICENSE AGREEMENT TMS1002
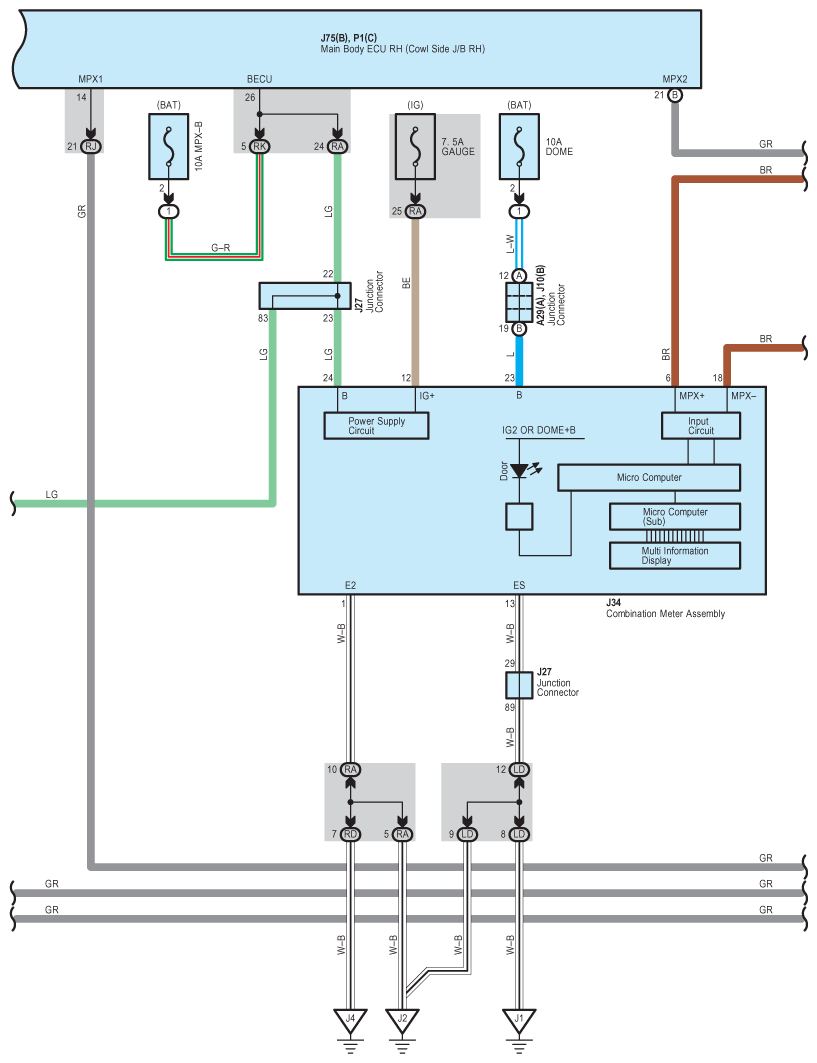
Fig 2: Interior Light Wiring Diagram (2 Of 11)
G09121172Courtesy of © TOYOTA, LICENSE AGREEMENT TMS1002
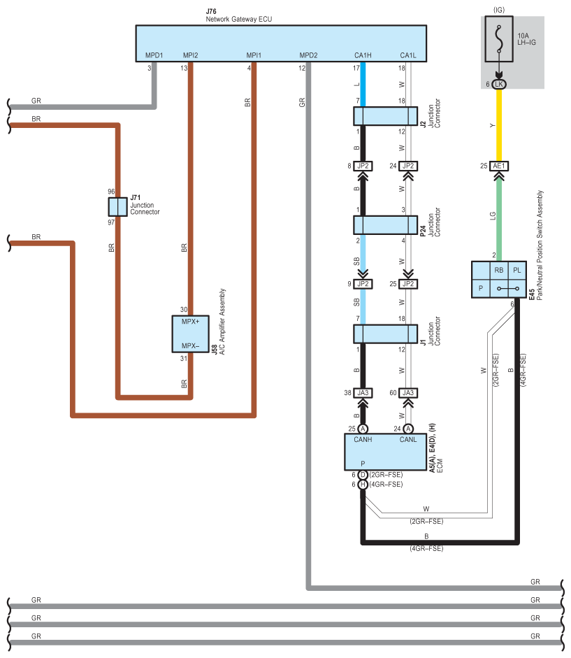
Fig 3: Interior Light Wiring Diagram (3 Of 11)
G09121173Courtesy of © TOYOTA, LICENSE AGREEMENT TMS1002
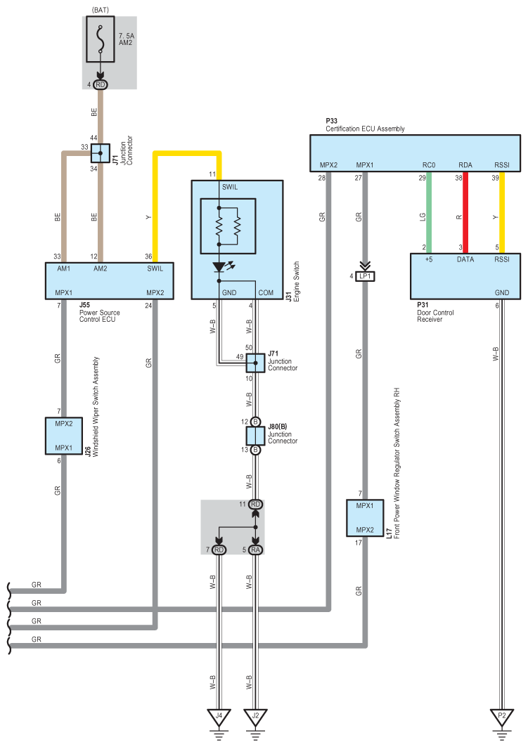
Fig 4: Interior Light Wiring Diagram (4 Of 11)
G09121174Courtesy of © TOYOTA, LICENSE AGREEMENT TMS1002
Fig 5: Interior Light Wiring Diagram (5 Of 11)
G09121175Courtesy of © TOYOTA, LICENSE AGREEMENT TMS1002
Fig 6: Interior Light Wiring Diagram (6 Of 11)
G09121176Courtesy of © TOYOTA, LICENSE AGREEMENT TMS1002
Fig 7: Interior Light Wiring Diagram (7 Of 11)
G09121177Courtesy of © TOYOTA, LICENSE AGREEMENT TMS1002
Fig 8: Interior Light Wiring Diagram (8 Of 11)
G09121178Courtesy of © TOYOTA, LICENSE AGREEMENT TMS1002
Fig 9: Interior Light Wiring Diagram (9 Of 11)
G09121179Courtesy of © TOYOTA, LICENSE AGREEMENT TMS1002
Fig 10: Interior Light Wiring Diagram (10 Of 11)
G09121180Courtesy of © TOYOTA, LICENSE AGREEMENT TMS1002
Fig 11: Interior Light Wiring Diagram (11 Of 11)
G09121181Courtesy of © TOYOTA, LICENSE AGREEMENT TMS1002