LEMON Manuals: Even more car manuals for everyone
Home >> Lexus >> 2013 >> IS 250C Base >> Repair and Diagnosis (Single Page) >> Electrical >> Body Electrical >> OEM System Circuits >> Door Lock Control >> Notes

Door Lock Control: Notes

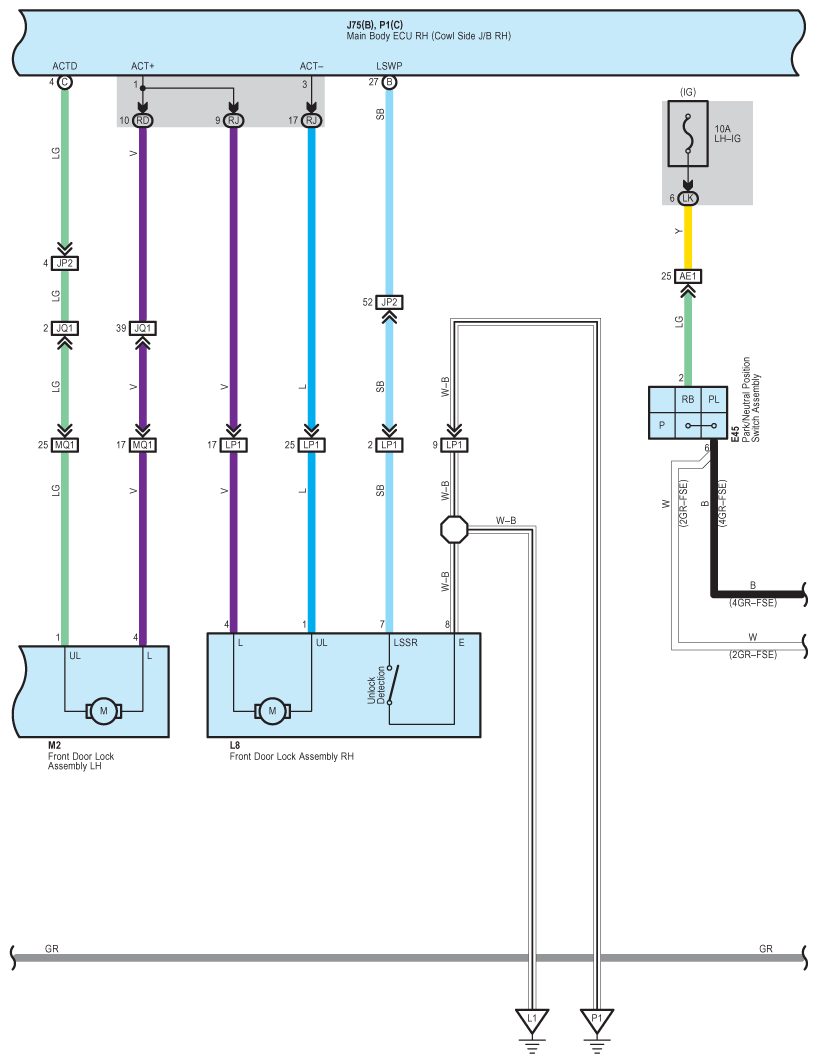
Fig 1: Door Lock Control Wiring Diagram (1 Of 8)
G09121242Courtesy of © TOYOTA, LICENSE AGREEMENT TMS1002
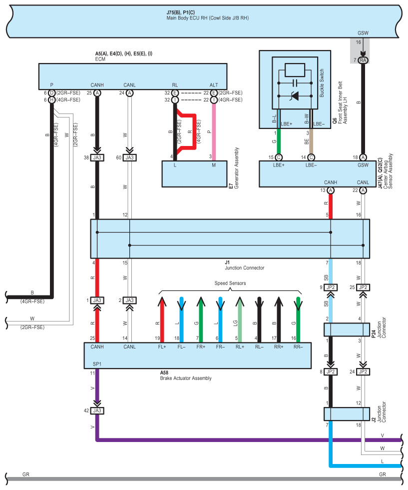
Fig 2: Door Lock Control Wiring Diagram (2 Of 8)
G09121243Courtesy of © TOYOTA, LICENSE AGREEMENT TMS1002
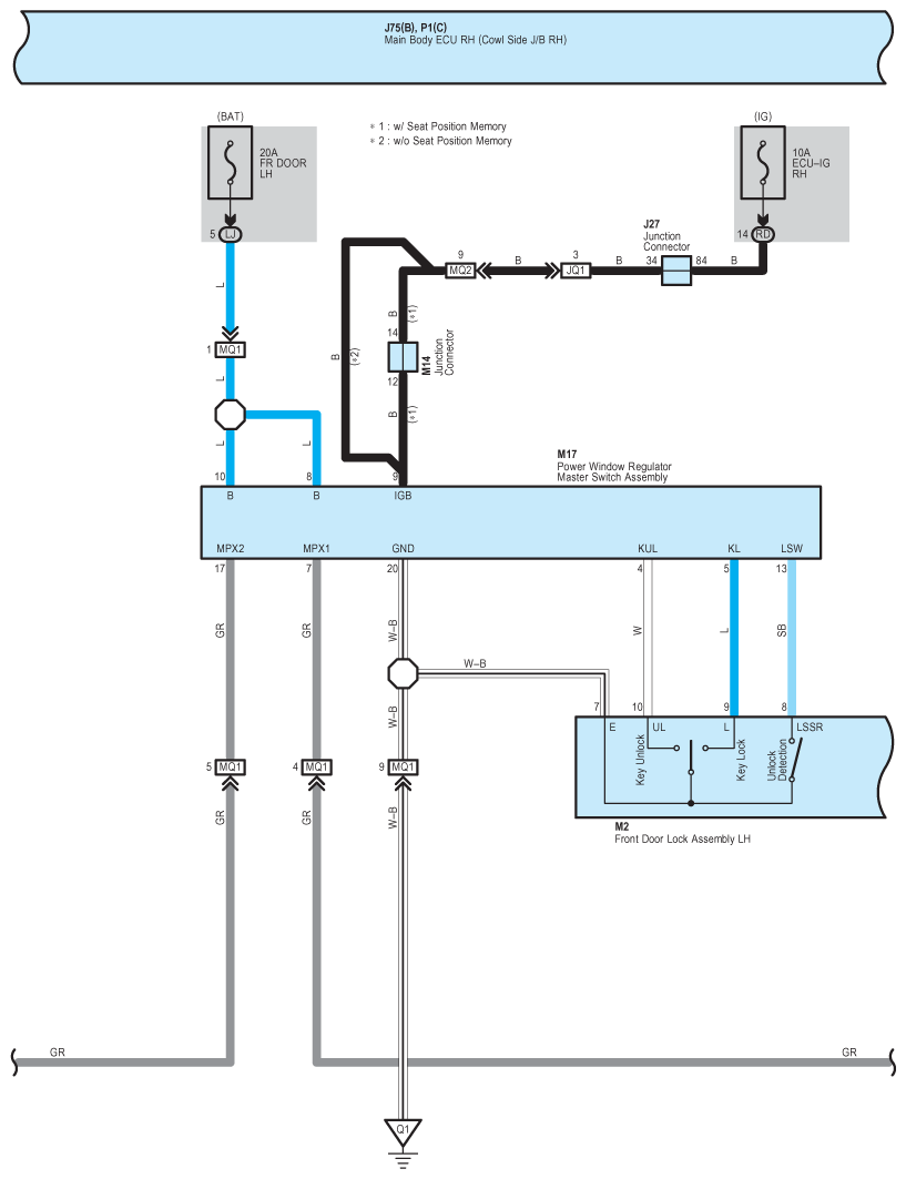
Fig 3: Door Lock Control Wiring Diagram (3 Of 8)
G09121244Courtesy of © TOYOTA, LICENSE AGREEMENT TMS1002
Fig 4: Door Lock Control Wiring Diagram (4 Of 8)
G09121245Courtesy of © TOYOTA, LICENSE AGREEMENT TMS1002
Fig 5: Door Lock Control Wiring Diagram (5 Of 8)
G09121246Courtesy of © TOYOTA, LICENSE AGREEMENT TMS1002
Fig 6: Door Lock Control Wiring Diagram (6 Of 8)
G09121247Courtesy of © TOYOTA, LICENSE AGREEMENT TMS1002
Fig 7: Door Lock Control Wiring Diagram (7 Of 8)
G09121248Courtesy of © TOYOTA, LICENSE AGREEMENT TMS1002
Fig 8: Door Lock Control Wiring Diagram (8 Of 8)
G09121249Courtesy of © TOYOTA, LICENSE AGREEMENT TMS1002