LEMON Manuals: Even more car manuals for everyone
Home >> Lexus >> 2013 >> IS 250C Base >> Repair and Diagnosis (Single Page) >> Electrical >> Body Electrical >> OEM System Circuits >> Charging >> Notes

OEM System Circuits: Charging: Notes

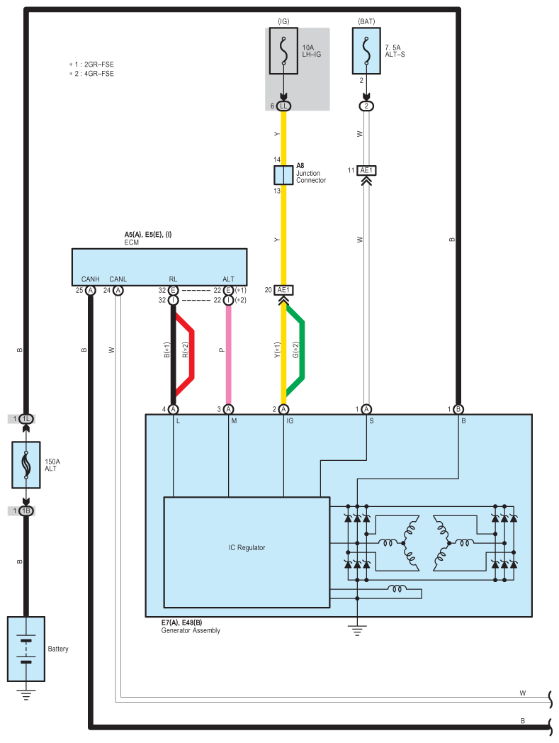
Fig 1: Charging Wiring Diagram (1 Of 2)
G09121119Courtesy of © TOYOTA, LICENSE AGREEMENT TMS1002
Fig 2: Charging Wiring Diagram (2 Of 2)
G09121120Courtesy of © TOYOTA, LICENSE AGREEMENT TMS1002