LEMON Manuals: Even more car manuals for everyone
Home >> Lexus >> 2013 >> IS 250C Base >> Repair and Diagnosis (Single Page) >> Electrical >> Body Electrical >> OEM System Circuits >> Air Conditioning >> Notes

Air Conditioning: Notes

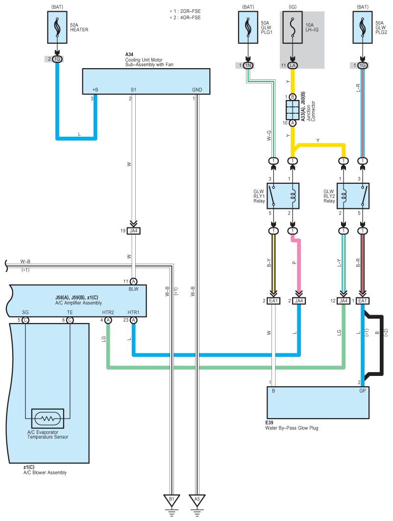
Fig 1: Air Conditioning Wiring Diagram (1 Of 7)
G09121470Courtesy of © TOYOTA, LICENSE AGREEMENT TMS1002
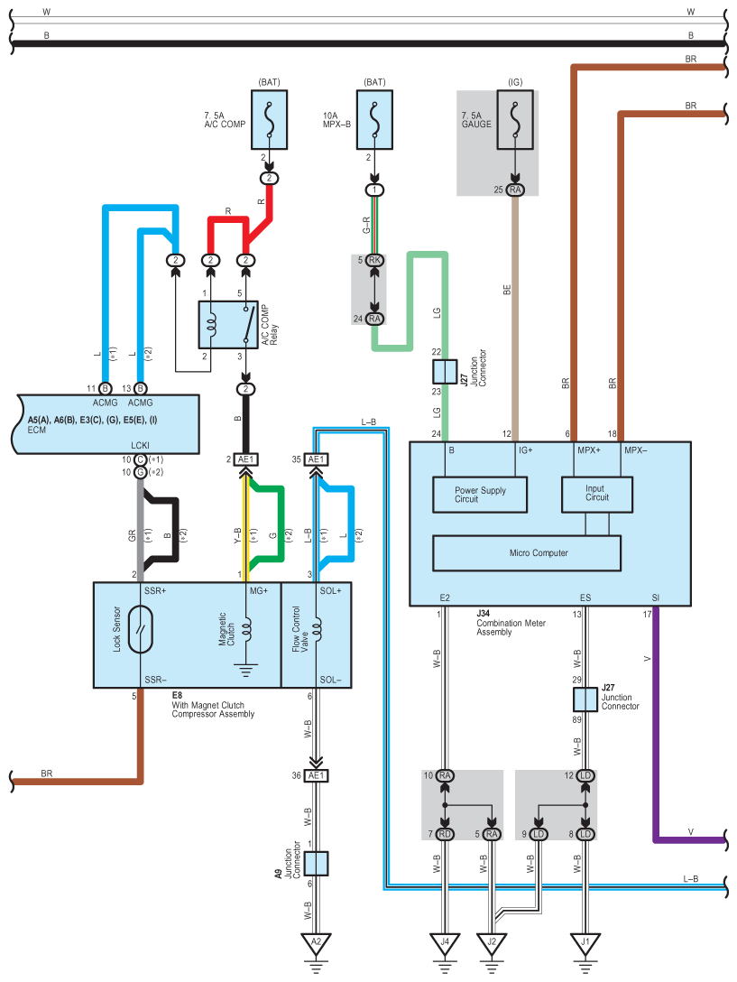
Fig 2: Air Conditioning Wiring Diagram (2 Of 7)
G09121471Courtesy of © TOYOTA, LICENSE AGREEMENT TMS1002
Fig 3: Air Conditioning Wiring Diagram (3 Of 7)
G09121472Courtesy of © TOYOTA, LICENSE AGREEMENT TMS1002
Fig 4: Air Conditioning Wiring Diagram (4 Of 7)
G09121473Courtesy of © TOYOTA, LICENSE AGREEMENT TMS1002
Fig 5: Air Conditioning Wiring Diagram (5 Of 7)
G09121474Courtesy of © TOYOTA, LICENSE AGREEMENT TMS1002
Fig 6: Air Conditioning Wiring Diagram (6 Of 7)
G09121475Courtesy of © TOYOTA, LICENSE AGREEMENT TMS1002
Fig 7: Air Conditioning Wiring Diagram (7 Of 7)
G09121476Courtesy of © TOYOTA, LICENSE AGREEMENT TMS1002