LEMON Manuals: Even more car manuals for everyone
Home >> Lexus >> 2013 >> IS 250C Base >> Repair and Diagnosis (Single Page) >> Electrical >> Body Electrical >> OEM Overall Electrical Wiring Diagram >> Overall Electrical Wiring Diagram >> Audio System (w/ LEXUS Navigation System), LEXUS Navigation System, Parking Assist (Rear View Monitor/Back Guide Monitor)

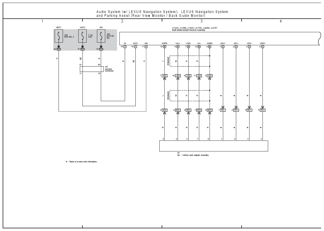
Audio System (w/ LEXUS Navigation System), LEXUS Navigation System, Parking Assist (Rear View Monitor/Back Guide Monitor)

Fig 1: Audio System (w/ LEXUS Navigation System), LEXUS Navigation System And Parking Assist (Rear View Monitor/Back Guide Monitor) System Electrical Wiring Diagram (1 Of 6)
G09122027Courtesy of © TOYOTA, LICENSE AGREEMENT TMS1002
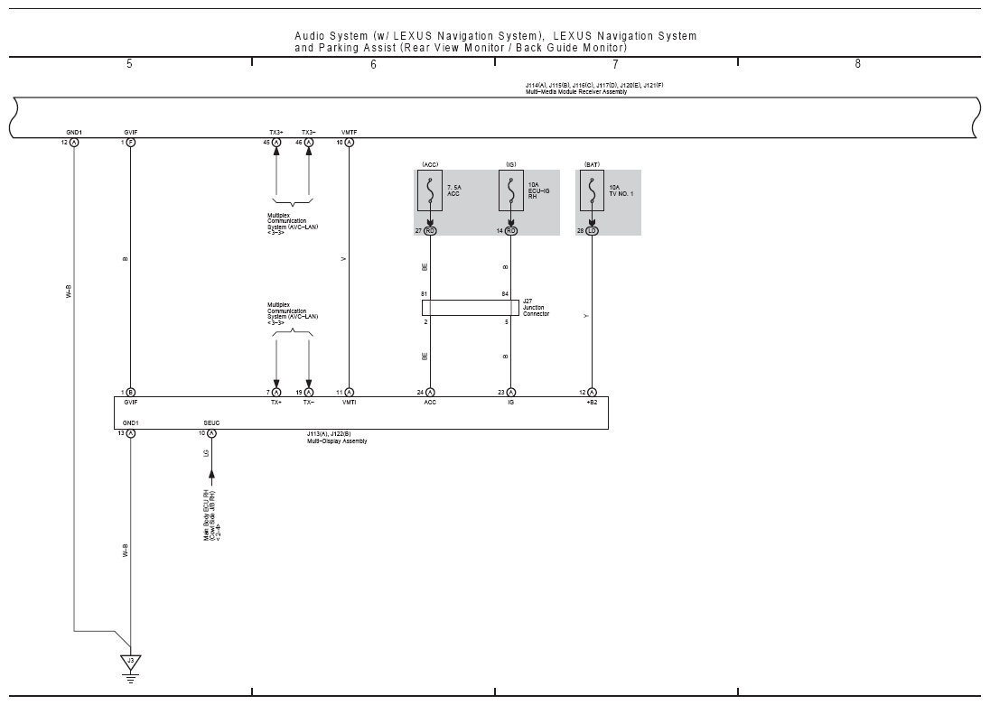
Fig 2: Audio System (w/ LEXUS Navigation System), LEXUS Navigation System And Parking Assist (Rear View Monitor/Back Guide Monitor) System Electrical Wiring Diagram (2 Of 6)
G09122028Courtesy of © TOYOTA, LICENSE AGREEMENT TMS1002
Fig 3: Audio System (w/ LEXUS Navigation System), LEXUS Navigation System And Parking Assist (Rear View Monitor/Back Guide Monitor) System Electrical Wiring Diagram (3 Of 6)
G09122029Courtesy of © TOYOTA, LICENSE AGREEMENT TMS1002
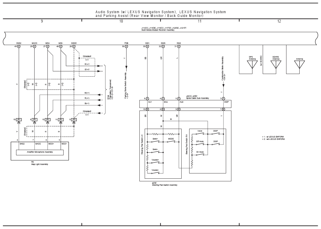
Fig 4: Audio System (w/ LEXUS Navigation System), LEXUS Navigation System And Parking Assist (Rear View Monitor/Back Guide Monitor) System Electrical Wiring Diagram (4 Of 6)
G09122030Courtesy of © TOYOTA, LICENSE AGREEMENT TMS1002
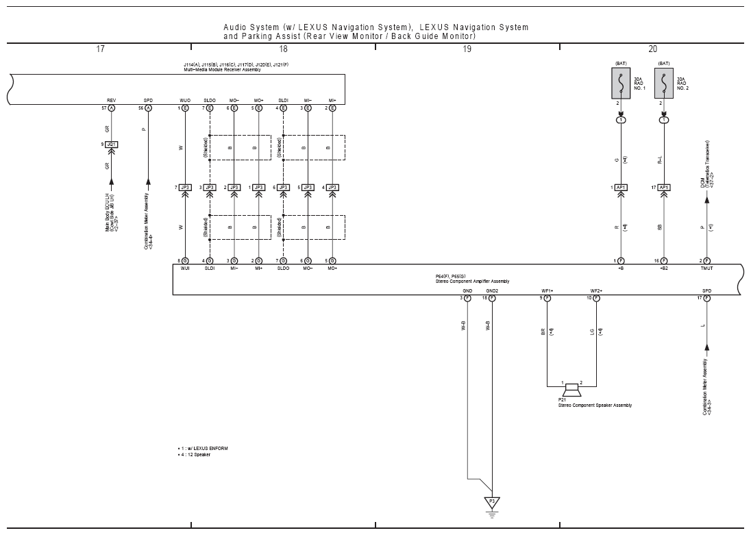
Fig 5: Audio System (w/ LEXUS Navigation System), LEXUS Navigation System And Parking Assist (Rear View Monitor/Back Guide Monitor) System Electrical Wiring Diagram (5 Of 6)
G09122031Courtesy of © TOYOTA, LICENSE AGREEMENT TMS1002
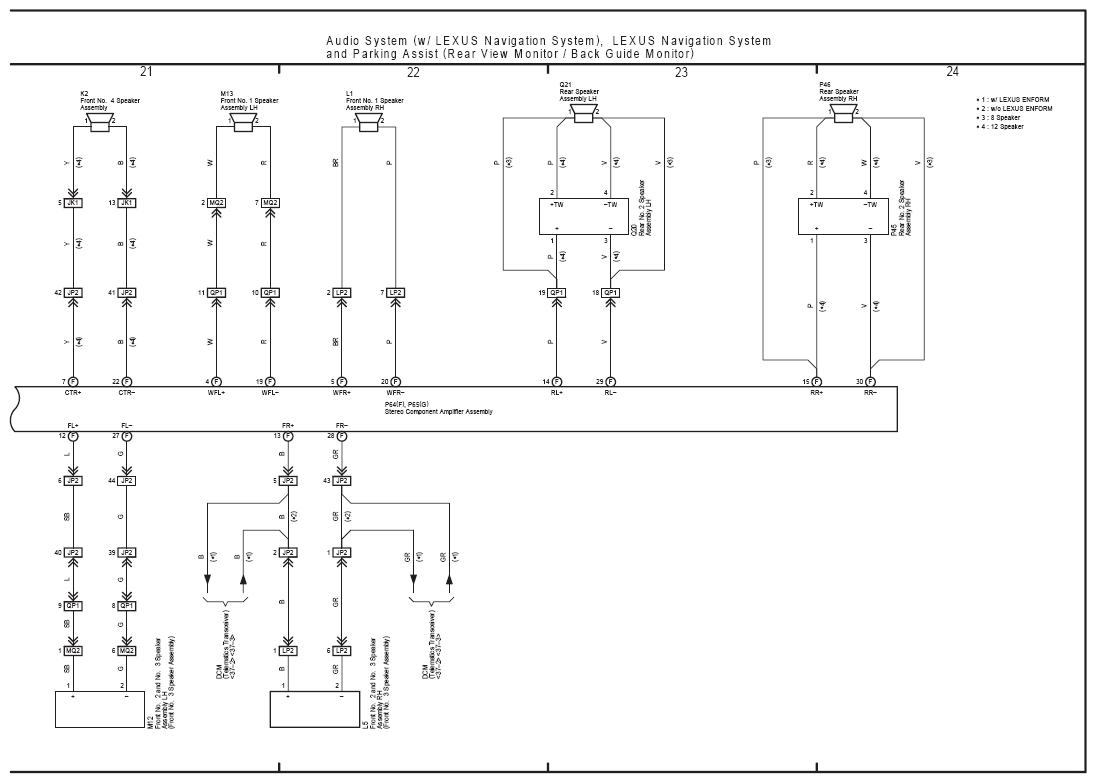
Fig 6: Audio System (w/ LEXUS Navigation System), LEXUS Navigation System And Parking Assist (Rear View Monitor/Back Guide Monitor) System Electrical Wiring Diagram (6 Of 6)
G09122032Courtesy of © TOYOTA, LICENSE AGREEMENT TMS1002