LEMON Manuals: Even more car manuals for everyone
Home >> Lexus >> 2013 >> IS 250C Base >> Repair and Diagnosis (Single Page) >> Body & Frame >> Seats >> Front Power Seat Control System (W/ Memory) (Diagnostics & Symptom Tests) >> FRONT POWER SEAT CONTROL SYSTEM (w/ Memory) >> Symptom Tests >> Power Seat Power Easy Access System Function does not Operate >> Wiring Diagram

Power Seat Power Easy Access System Function does not Operate: Wiring Diagram

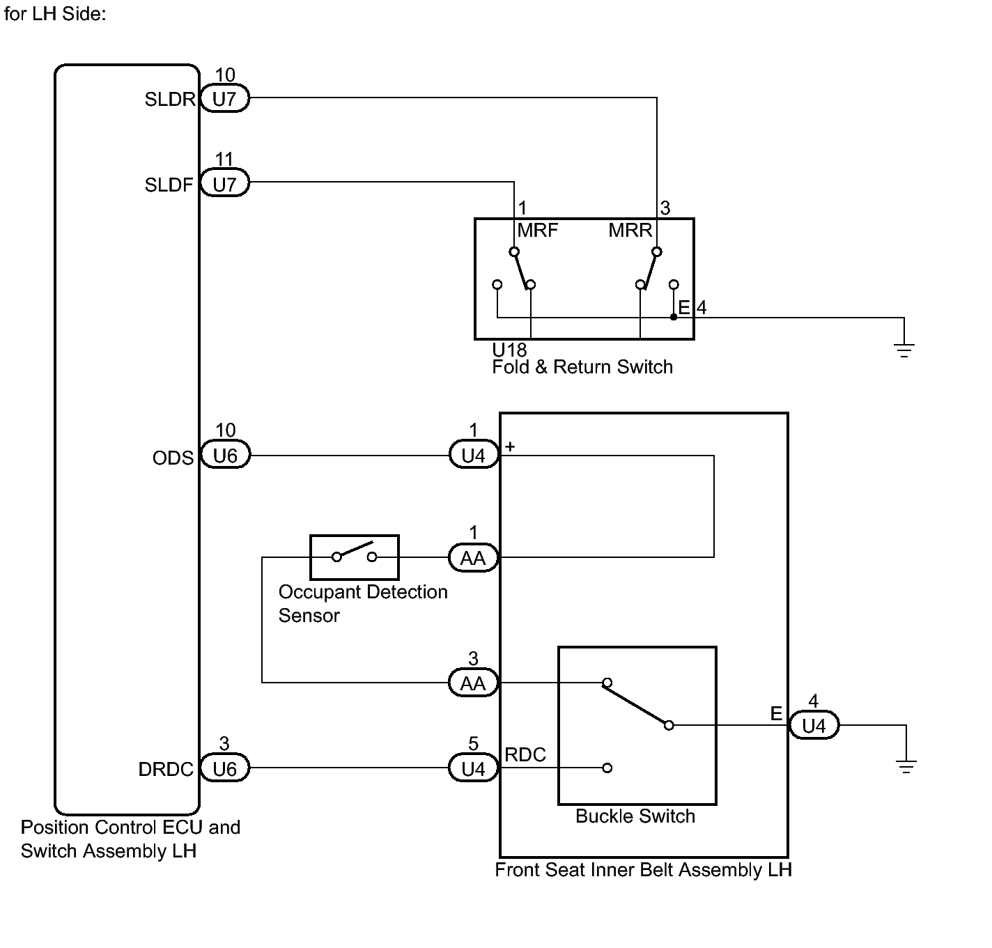
Fig 1: Power Seat Power Easy Access System (LH Side) Wiring Diagram
GTY263382Courtesy of © TOYOTA, LICENSE AGREEMENT TMS1002
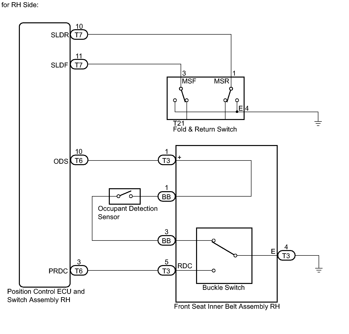
Fig 2: Power Seat Power Easy Access System (RH Side) Wiring Diagram
GTY263383Courtesy of © TOYOTA, LICENSE AGREEMENT TMS1002