LEMON Manuals: Even more car manuals for everyone
Home >> Lexus >> 2013 >> IS 250C Base >> Repair and Diagnosis (Single Page) >> Accessories & Equipment >> Infotainment >> Navigation System (Diagnostic Codes & Circuit Tests) >> Navigation System >> Circuit Tests >> Steering Pad Switch Circuit >> Wiring Diagram

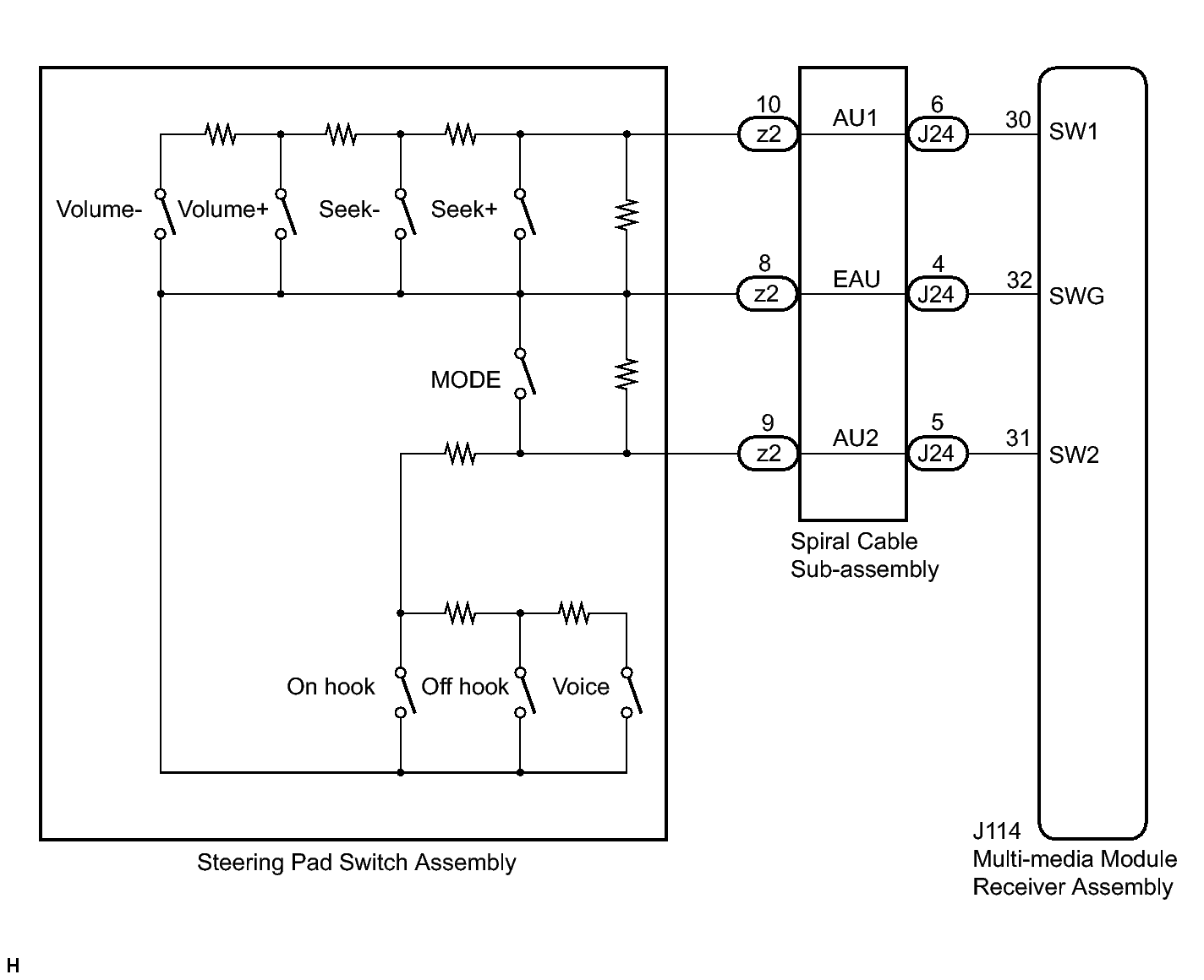
Steering Pad Switch Circuit: Wiring Diagram

Fig 1: Identifying Steering Pad Switch Circuit Wiring Diagram
GTY415430Courtesy of © TOYOTA, LICENSE AGREEMENT TMS1002