LEMON Manuals: Even more car manuals for everyone
Home >> Lexus >> 2013 >> IS 250C Base >> Repair and Diagnosis (Single Page) >> Accessories & Equipment >> Infotainment >> Audio / Video System (W/O Multi-Display) (Diagnostic Codes & Symptom Tests) >> AUDIO AND VISUAL SYSTEM (w/o Multi-display) >> Circuit Tests >> Integration Control and Panel Assembly Communication Error >> Procedure

Integration Control and Panel Assembly Communication Error: Procedure

  1. IDENTIFY COMPONENT SHOWN BY SUB-CODE 
    1. Enter diagnostic mode.
      GTY206348Courtesy of © TOYOTA, LICENSE AGREEMENT TMS1002
    2. Press preset switch "2" to change to "Detailed Information Mode".
    3. Identify the component shown by the sub-code.

      HINT: 

      • "P190" set by the radio receiver assembly shown in the preceding illustration as an example.
      • For details of the DTC display, refer to DTC Check/Clear. Refer to DTC CHECK / CLEAR [08/2012 - ] .

    NEXT: Go to next step 

  2. CHECK POWER SOURCE CIRCUIT OF COMPONENT SHOWN BY SUB-CODE 
    1. Inspect the power source circuit of the component shown by the sub-code.

      If the power source circuit is operating normally, proceed to the next step.

      HINT: 

      The satellite radio tuner is built into the radio receiver assembly. If there is a problem between the satellite radio tuner and radio receiver assembly, replace the radio receiver assembly.

      COMPONENT TABLE

      Component Proceed to
      Radio receiver assembly (190) Radio receiver power source circuit. Refer to Radio Receiver Power Source Circuit 
      Satellite radio tuner (1F1) Radio receiver power source circuit. Refer to Radio Receiver Power Source Circuit 
      Stereo component amplifier assembly (440) Stereo component amplifier power source circuit. Refer to Stereo Component Amplifier Power Source Circuit 
      Network gateway ECU (1C6) Gateway ECU power source circuit. Refer to Gateway ECU Power Source Circuit 
      Multi-media interface ECU (388) Multi-media interface ECU power source circuit. Refer to Multi-media Interface ECU Power Source Circuit 

    NEXT: Go to next step 

  3. INSPECT RADIO RECEIVER ASSEMBLY 
    1. Disconnect the radio receiver assembly connectors.
      GTY286627Courtesy of © TOYOTA, LICENSE AGREEMENT TMS1002
    2. Measure the resistance according to the value(s) in the table below.

      Standard Resistance

      Tester Connection Condition Specified Condition
      J95-5 (ATX+) - J95-15 (ATX-) Always 60 to 80 Ω
      J98-9 (TXM+) - J98-10 (TXM-) Always 60 to 80 Ω
      J96-9 (TX+) - J96-10 (TX-) Always 60 to 80 Ω
      TEXT IN ILLUSTRATION

      *1 Component without harness connected
      (Radio Receiver Assembly)
      *2 Component without harness connected
      (Radio Receiver Assembly)
      *3 Component without harness connected
      (Radio Receiver Assembly)

    NG → See step   6 

    OK: Go to next step 

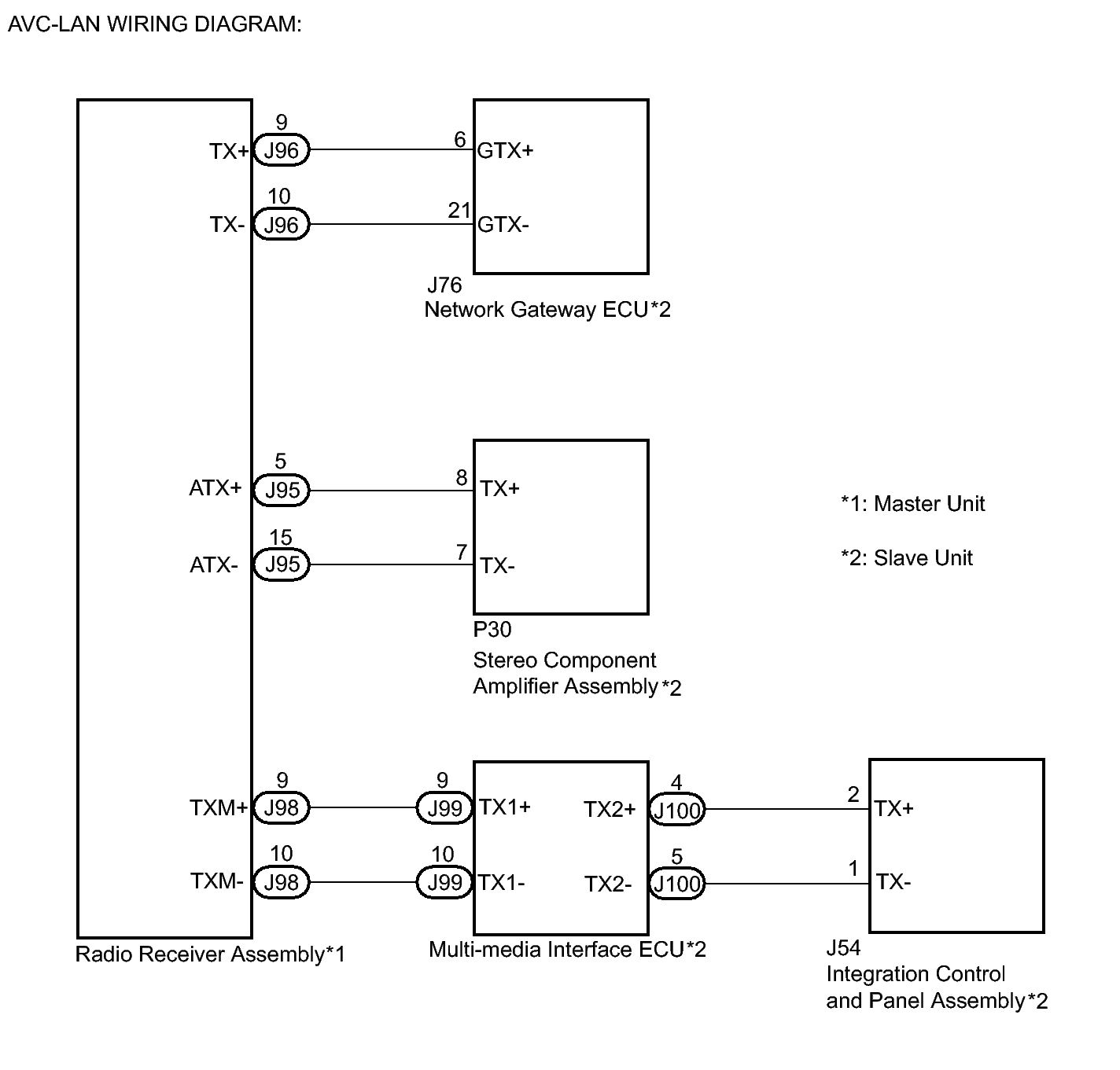
  4. CHECK HARNESS AND CONNECTOR 

    HINT: 

    • Start the check from the circuit that is near the component shown by the sub-code first.
    • For details of the connectors, refer to Terminal of ECU. Refer to TERMINALS OF ECU [08/2012 - ] .
    1. Referring to the AIVC-LAN wiring diagram below, check the AVC-LAN circuit between the integration control and panel assembly and component shown by the sub-code.
      1. Disconnect all connectors between the integration control and panel assembly and component shown by the sub-code.
      2. Check for an open or short in the AVC-LAN circuit between the integration control and panel assembly and component shown by the sub-code.

        OK

        There is no open or short circuit.

        GTY358872Courtesy of © TOYOTA, LICENSE AGREEMENT TMS1002

    NG → REPAIR OR REPLACE HARNESS OR CONNECTOR 

    OK: Go to next step 

  5. REPLACE COMPONENT SHOWN BY SUB-CODE 
    1. Replace the component shown by the sub-code with a known good one and check if the same problem occurs again.

      OK

      Malfunction disappears.

    NG → See step   7 

    OK → END 

  6. REPLACE RADIO RECEIVER ASSEMBLY. Refer to  REMOVAL [08/2012 - ] 
  7. REPLACE INTEGRATION CONTROL AND PANEL ASSEMBLY. Refer to  REMOVAL [08/2012 - ]