LEMON Manuals: Even more car manuals for everyone
Home >> Lexus >> 2013 >> IS 250 Base, AWD >> Repair and Diagnosis >> Restraints >> Restraints Control Systems >> Seat Belt Warning System (W/O Occupant Classification System) (Diagnostics & Symptom Tests) >> Seat Belt Warning System (W/O Occupant Classification System) >> System Diagram [08/2012 - ] >> System Diagram [08/2012 - ]

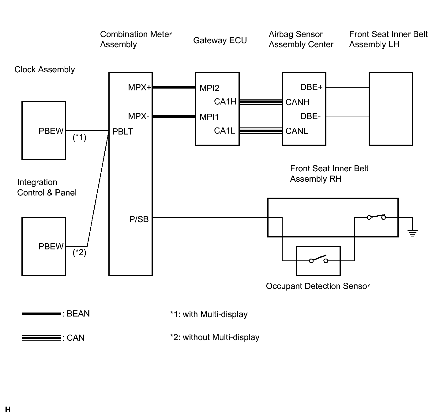
System Diagram [08/2012 - ]

Fig 1: Seat Belt Warning System Diagram
GTY393375Courtesy of © TOYOTA, LICENSE AGREEMENT TMS1002