LEMON Manuals: Even more car manuals for everyone
Home >> Lexus >> 2013 >> IS 250 Base, AWD >> Repair and Diagnosis >> Engine Performance >> System >> Engine Control System (Diagnostic Codes (P0010-P0171)) >> SFI System >> DTC P0087: Fuel Rail / System Pressure - Too Low >> Description

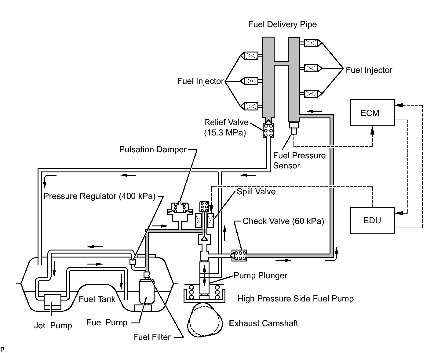
DTC P0087: Fuel Rail / System Pressure - Too Low: Description

The high-pressure fuel system consists of the spill valve, pump plunger, check valve, relief valve and fuel pressure sensor. The spill valve opens and closes the low-pressure fuel line (from the fuel tank), the pump plunger operated by the camshaft pressurizes fuel, the check valve mechanically opens and closes the high pressure fuel line (to the fuel delivery pipe), the relief valve prevents fuel pressure from becoming extremely high, and the fuel pressure sensor located on the fuel delivery pipe monitors fuel pressure.

The high-pressure side fuel pump is installed to the cylinder head cover (bank 1) and is driven by the cam located at the rear end of the exhaust camshaft.

Let the plunger moves up and down by the camshaft rotations, it produces vacuum to suck fuel and pressurizes the fuel. This fuel then pushes the check valve open and flows into the fuel delivery pipe. The ECM opens and closes the spill valve to regulate the fuel pressure to the target fuel pressure 4 to 13 MPa (40.8 to 132.6 kgf/cm2 , 580 to 1886 psi). In order to obtain and maintain the target pressure, the ECM monitors the fuel pressure using the fuel pressure sensor and performs the feedback control.

If the internal fuel pressure of the fuel delivery pipe exceeds the standard pressure 15.3 MPa (156.0 kgf/cm2 , 2219 psi), the fuel relief valve installed on gateway of the fuel delivery pipe discharges the fuel pressure and then returns the fuel back to the fuel tank.

Fig 1: Identifying High-Pressure Fuel System Diagram
GTY413404Courtesy of © TOYOTA, LICENSE AGREEMENT TMS1002
DTC No. DTC Detection Condition Trouble Area
P0087 Despite ECM commanded that the high pressure fuel pump opens the spill valve, fuel pressure decreases 5 MPa (51.0 kgf/cm2 , 725 psi) while the engine is not idling, or 3 MPa (30.6 kgf/cm2 , 435 psi) while the engine is idling from target fuel pressure for about 10 seconds
(1 trip detection logic)
  • Fuel pump
  • High pressure side fuel pump
  • Fuel pipe (Fuel tank - High pressure side fuel pump)
  • Fuel pipe (High pressure side fuel pump - Injector)
  • Fuel injector
  • Fuel relief valve
  • Fuel pressure sensor
  • Fuel pressure regulator
  • ECM