LEMON Manuals: Even more car manuals for everyone
Home >> Lexus >> 2013 >> IS 250 Base, AWD >> Repair and Diagnosis >> Electrical >> Body Electrical >> OEM System Circuits >> Taillight >> Notes

OEM System Circuits: Taillight: Notes

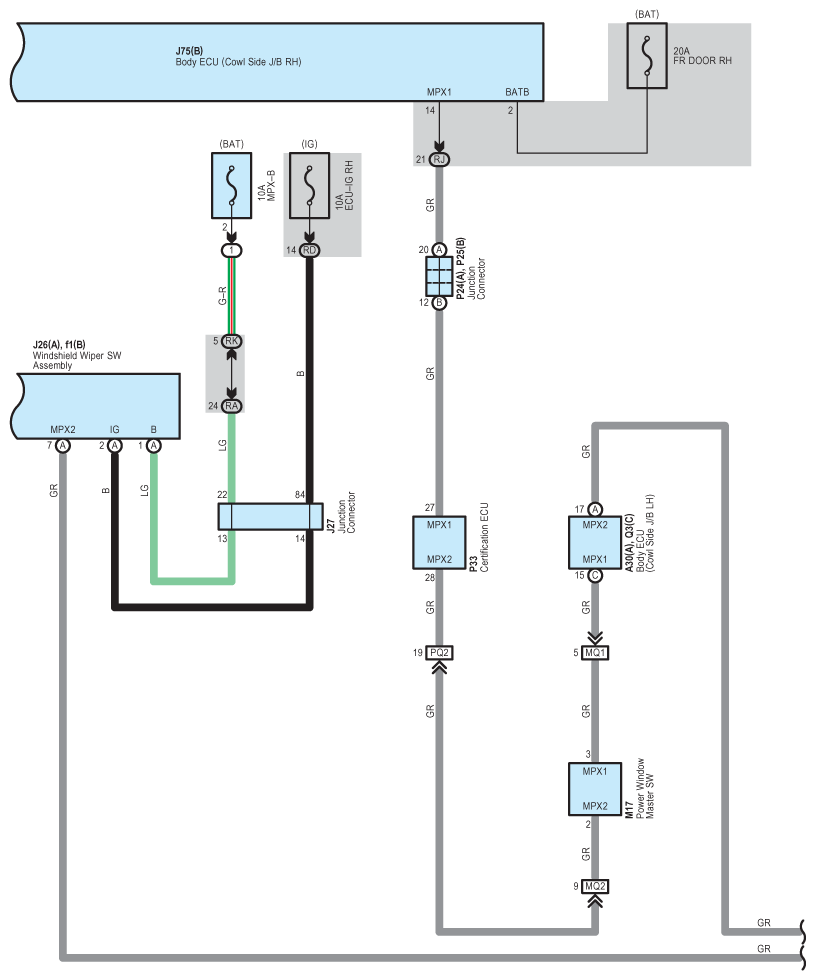
Fig 1: Taillight System Wiring Diagram (1 Of 8)
G09119044Courtesy of © TOYOTA, LICENSE AGREEMENT TMS1002
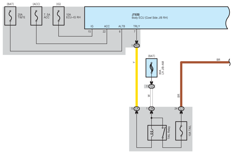
Fig 2: Taillight System Wiring Diagram (2 Of 8)
G09119045Courtesy of © TOYOTA, LICENSE AGREEMENT TMS1002
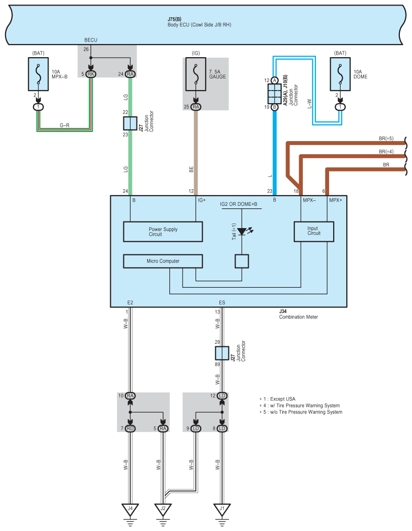
Fig 3: Taillight System Wiring Diagram (3 Of 8)
G09119046Courtesy of © TOYOTA, LICENSE AGREEMENT TMS1002
Fig 4: Taillight System Wiring Diagram (4 Of 8)
G09119047Courtesy of © TOYOTA, LICENSE AGREEMENT TMS1002
Fig 5: Taillight System Wiring Diagram (5 Of 8)
G09119048Courtesy of © TOYOTA, LICENSE AGREEMENT TMS1002
Fig 6: Taillight System Wiring Diagram (6 Of 8)
G09119049Courtesy of © TOYOTA, LICENSE AGREEMENT TMS1002
Fig 7: Taillight System Wiring Diagram (7 Of 8)
G09119050Courtesy of © TOYOTA, LICENSE AGREEMENT TMS1002
Fig 8: Taillight System Wiring Diagram (8 Of 8)
G09119051Courtesy of © TOYOTA, LICENSE AGREEMENT TMS1002