LEMON Manuals: Even more car manuals for everyone
Home >> Lexus >> 2013 >> IS 250 Base, AWD >> Repair and Diagnosis >> Electrical >> Body Electrical >> OEM System Circuits >> Front Wiper and Washer >> Notes

Front Wiper and Washer: Notes

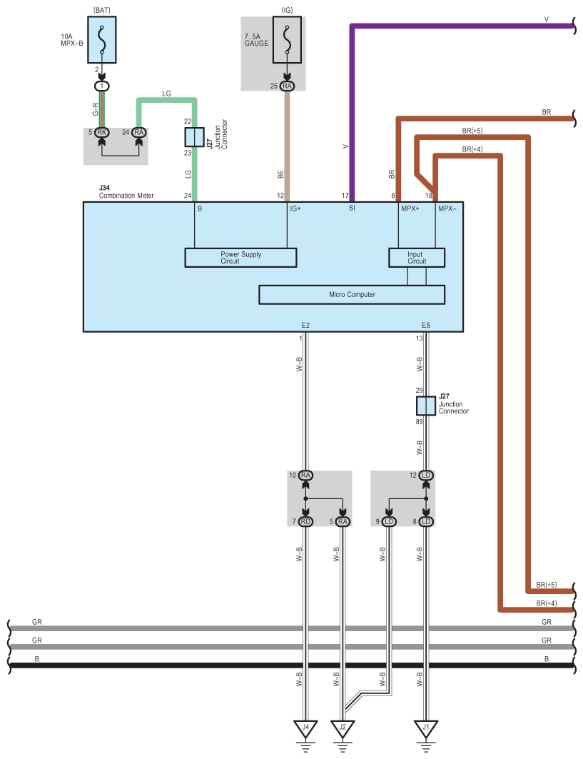
Fig 1: Front Wiper And Washer System Wiring Diagram (1 Of 6)
G09119075Courtesy of © TOYOTA, LICENSE AGREEMENT TMS1002
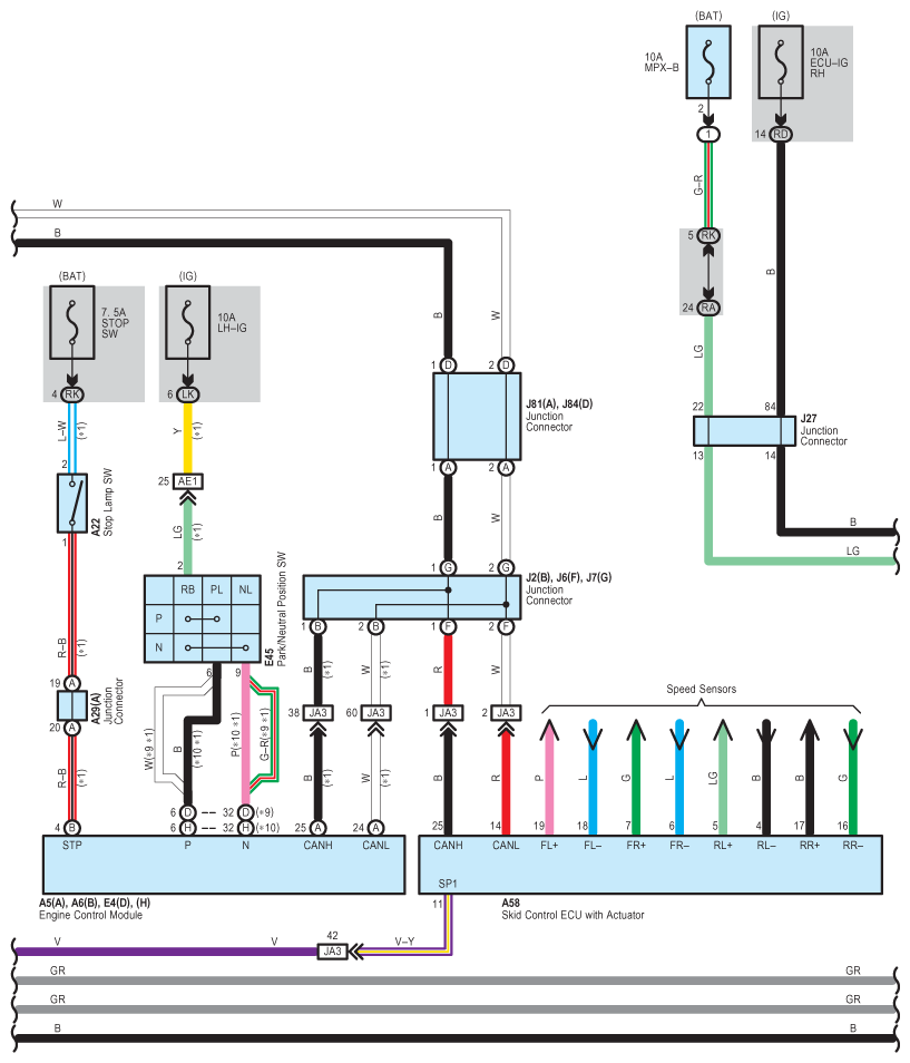
Fig 2: Front Wiper And Washer System Wiring Diagram (2 Of 6)
G09119076Courtesy of © TOYOTA, LICENSE AGREEMENT TMS1002
Fig 3: Front Wiper And Washer System Wiring Diagram (3 Of 6)
G09119077Courtesy of © TOYOTA, LICENSE AGREEMENT TMS1002
Fig 4: Front Wiper And Washer System Wiring Diagram (4 Of 6)
G09119078Courtesy of © TOYOTA, LICENSE AGREEMENT TMS1002
Fig 5: Front Wiper And Washer System Wiring Diagram (5 Of 6)
G09119079Courtesy of © TOYOTA, LICENSE AGREEMENT TMS1002
Fig 6: Front Wiper And Washer System Wiring Diagram (6 Of 6)
G09119080Courtesy of © TOYOTA, LICENSE AGREEMENT TMS1002